文档
-
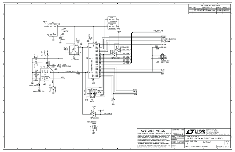
DC718C - Schematic2010/8/2PDF1M
-
DC718C - Demo Manual2012/6/19PDF1M
-
DC718C - Design Files2010/8/2ZIP2M





