LTC2327-16

量产

具 93.5dB SNR 的 16 位、500ksps、±10.24V 真正双极、伪差分输入 ADC

产品技术资料帮助

ADI公司所提供的资料均视为准确、可靠。但本公司不为用户在应用过程中侵犯任何专利权或第三方权利承担任何责任。技术指标的修改不再另行通知。本公司既没有含蓄的允许,也不允许借用ADI公司的专利或专利权的名义。本文出现的商标和注册商标所有权分别属于相应的公司。

Viewing:

概述

  • 500ksps吞吐速率
  • ±1.5LSB INL (最大值)
  • 保证 16 位无漏失码
  • 伪差分输入
  • 真正的双极输入范围:±6.25V、±10.24V、±12.5V
  • 在 fIN = 2kHz 时的 SNR 典型值为 93.5dB
  • 在 fIN = 2kHz 时的 THD 典型值为–111dB
  • 保证运作至 125ºC
  • 单 5V 电源
  • 低漂移 (20ppm/ºC 最大值) 2.048V 内部基准
  • 支持单触发的内置基准缓冲器
  • 无流水线延迟,无周期延迟
  • 1.8V 至 5V I/O 电压
  • 具菊链模式的 SPI 兼容型串行 I/O
  • 内部转换时钟
  • 功率耗散:36mW (典型值)
  • 16 引脚 MSOP 封装

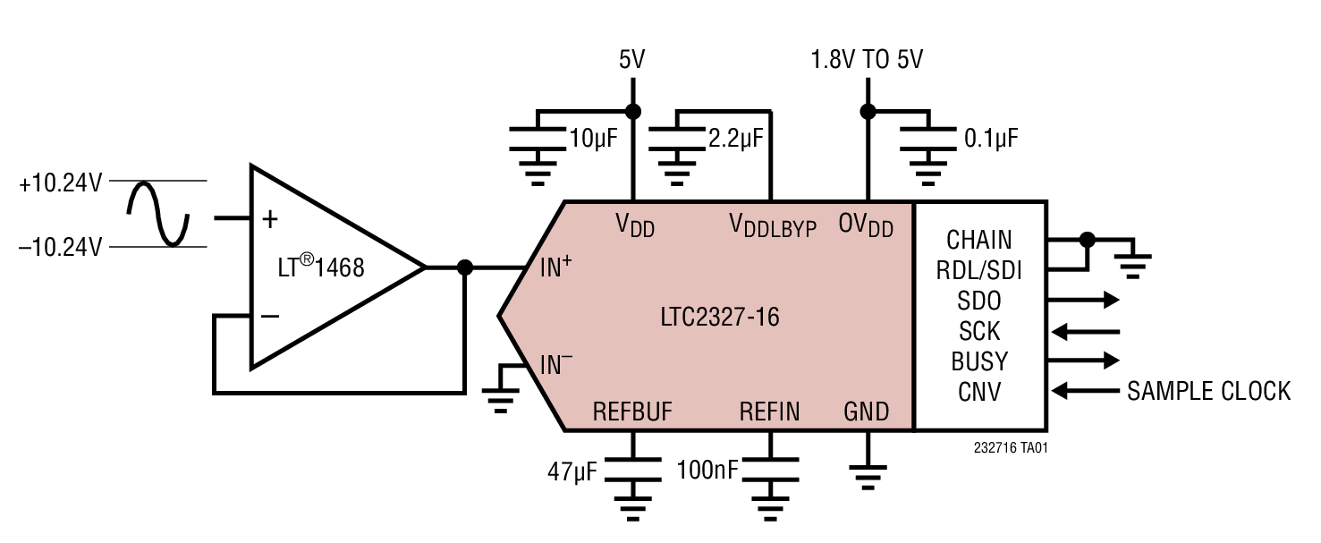
LTC®2327-16 是一款低噪声、高速 16 位逐次逼近型寄存器 (SAR) ADC,其具有伪差分输入。LTC2327-16 采用单 5V 工作电源,具有一个±10.24V 的真正双极输入范围,从而使其非常适合于那些要求宽动态范围的高电压应用。LTC2327-16 实现了 ±1.5LSB INL (最大值)、无漏失码 (在 16 位) 和 93.5dB SNR。

LTC2327-16 具有一个支持单触发的内置基准缓冲器和低漂移 (20ppm/ºC 最大值) 2.048V 温度补偿型基准。另外,LTC2327-16 还具有一个支持 1.8V、2.5V、3.3V 和 5V 逻辑的高速 SPI 兼容型串行接口,同时拥有一种菊链模式。500ksps 的高吞吐速率和无周期延迟特性使 LTC2327-16 成为众多高速应用的理想选择。一个内部振荡器负责设定转换时间,从而缓解了外部定时方面的考虑。LTC2327-16 仅消耗 36mW 的功率,并在转换操作之间自动进入打盹模式,从而减低了随采样速率而调节的功耗。此外,还提供了一种可将 LTC2327-16 的功耗降低至 300μW 的睡眠模式,以达到在待用期间进一步省电的目的。

Bits
LTC2327-16 16
LTC2327-18 18

应用

  • 可编程逻辑控制器
  • 工业过程控制
  • 高速数据采集
  • 便携式或紧凑型仪表
  • ATE

LTC2327-16
具 93.5dB SNR 的 16 位、500ksps、±10.24V 真正双极、伪差分输入 ADC
32k Point FFT fS = 500ksps, fIN = 2kHz Product Package 1
添加至 myAnalog

将产品添加到myAnalog 的现有项目或新项目中(接收通知)。

创建新项目
提问

参考资料

了解更多
添加至 myAnalog

Add media to the Resources section of myAnalog, to an existing project or to a new project.

创建新项目

软件资源

Evaluation Software 3

DC1908A CPLD Source Code

PScope

The PScope System is a USB-based product demonstration and data acquisition system for use with high performance ADCs and signal chain receiver family. PScope allows users to evaluate the SNR, SFDR, THD, as well as other key parameters, quickly and easily.

LinearLab Tools

A collection of Matlab and Python programs that provide direct access to Linear Technology’s data converter evaluation boards.


硬件生态系统

部分模型 产品周期 描述
接口收发器 2
LTM2883 量产 具可调 ±12.5V 和 5V 稳定电源的 SPI / 数字或 I2C μModule 隔离器
LTM2893 量产 100MHz 隔离型 ADC 串行接口
数模转换器(DAC) 1
LTC2668 量产 具 10ppm/ºC 最大值基准的 16 通道、16 位 / 12 位、±10V VOUT SoftSpan DAC
Modal heading
添加至 myAnalog

将产品添加到myAnalog 的现有项目或新项目中(接收通知)。

创建新项目

工具及仿真模型


评估套件

eval board
DC1908A-H

LTC2327-16 Demo Board | 16-Bit, 500ksps, Single-Ended SAR ADC with True Bipolar +/-10V Inputs. Requires DC590 or DC718

产品详情

The LTC2338/LTC2337/LTC2336/LTC2328/LTC2327/LTC2326 are true bipolar, low power, low noise ADCs with serial outputs that can operate from a single 5V supply. The demo manual refers to the LTC2338-18 but applies to all parts in the family, the only difference being the maximum sample rates and the number of bits. The LTC2338-18 supports a ±20.48V fully differential input range with a 100dB SNR, consumes only 50mW and achieves ±4LSB INL max with no missing codes at 18 bits. The DC1908A demonstrates the DC and AC performance of the LTC2338‑18 in conjunction with the DC590 QuikEval and DC718 PScope data collection boards.

DC1908A-H
LTC2327-16 Demo Board | 16-Bit, 500ksps, Single-Ended SAR ADC with True Bipolar +/-10V Inputs. Requires DC590 or DC718
DC1908A - Schematic

最新评论

需要发起讨论吗? 没有关于 LTC2327-16的相关讨论?是否需要发起讨论?

在EngineerZone®上发起讨论

近期浏览