LTC1604
量产具停机功能的高速、16 位、333ksps、采样 A/D 转换器
- 产品模型
- 8
概述
- 一个完整的 333ksps 16 位 ADC
- 90dB S/(N + D) 和 –100dB THD (典型值)
- 功耗:220mW (典型值)
- 无流水线延迟
- 在整个温度范围内无漏失码
- 打盹 (7mW) 和睡眠 (10μW) 停机模式
- 可采用内部 15ppm/°C 基准或外部基准运作
- 真正的差分输入可抑制共模噪声
- 5MHz 满功率带宽
- ±2.5V 双极性输入范围
- 36 引脚 SSOP 封装
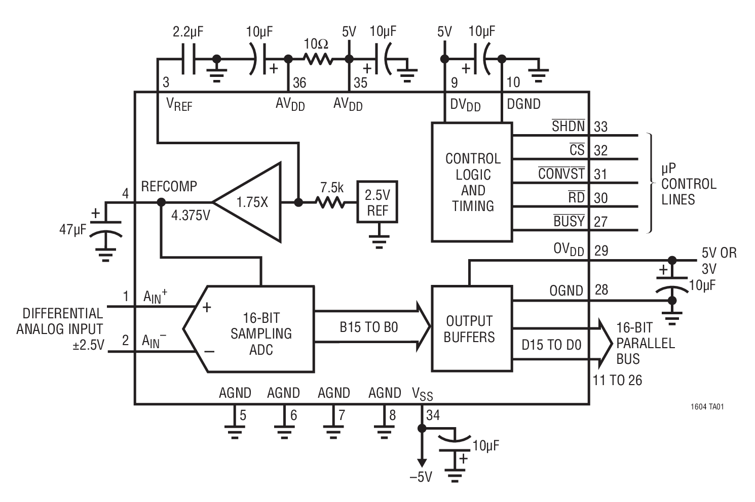
LTC®1604 是一款 333ksps、16 位采样 A/D 转换器,其在采用 ±5V 电源时仅吸取 220mW 功率。这款高性能器件内置了一个高动态范围采样及保持电路、一个精准型基准和一个高速并行输出。两种可以数字方式选择的电源关断模式为低功率系统节省了电能。
LTC1604 的全标度输入范围为 ±2.5V。出色的 AC 性能包括 90dB S/(N + D) 和 –100dB THD (在 333ksps 采样速率下)。
独特的差分输入采样及保持电路能够在高达其 15MHz 带宽上采集单端或差分输入信号。68dB 的共模抑制使用户能够通过对来自信号源的信号进行差分测量以免除接地环路和共模噪声。
该 ADC 具有一个可兼容微处理器 (μP) 的 16 位并行输出端口。在转换结果中没有流水线延迟。一个单独的转换起动输入和一个数据就绪信号 (BUSY) 简化了至 FIFO、DSP 和微处理器的连接。
应用
- 电信
- 数字信号处理
- 多路复用数据采集系统
- 高速数据采集
- 频谱分析
- 成像系统
参考资料
数据手册 1
可靠性数据 1
用户手册 1
设计笔记 2
技术文章 4
ADI 始终高度重视提供符合最高质量和可靠性水平的产品。我们通过将质量和可靠性检查纳入产品和工艺设计的各个范围以及制造过程来实现这一目标。出货产品的“零缺陷”始终是我们的目标。查看我们的质量和可靠性计划和认证以了解更多信息。
| 产品型号 | 引脚/封装图-中文版 | 文档 | CAD 符号,脚注和 3D模型 |
|---|---|---|---|
| LTC1604ACG#PBF | 36-Lead SSOP | ||
| LTC1604ACG#TRPBF | 36-Lead SSOP | ||
| LTC1604AIG#PBF | 36-Lead SSOP | ||
| LTC1604AIG#TRPBF | 36-Lead SSOP | ||
| LTC1604CG#PBF | 36-Lead SSOP | ||
| LTC1604CG#TRPBF | 36-Lead SSOP | ||
| LTC1604IG#PBF | 36-Lead SSOP | ||
| LTC1604IG#TRPBF | 36-Lead SSOP |
| 产品型号 | 产品生命周期 | PCN |
|---|---|---|
|
11月 18, 2019 - 19_0266 Laser Top Mark for SSOP36/44/48 Packages assembled in ADPG and UTAC |
||
| LTC1604ACG#PBF | 量产 | |
| LTC1604ACG#TRPBF | 量产 | |
| LTC1604AIG#PBF | 量产 | |
| LTC1604AIG#TRPBF | 量产 | |
| LTC1604CG#PBF | 量产 | |
| LTC1604CG#TRPBF | 量产 | |
| LTC1604IG#PBF | 量产 | |
| LTC1604IG#TRPBF | 量产 | |
这是最新版本的数据手册
软件资源
Evaluation Software 2
PScope
The PScope System is a USB-based product demonstration and data acquisition system for use with high performance ADCs and signal chain receiver family. PScope allows users to evaluate the SNR, SFDR, THD, as well as other key parameters, quickly and easily.
LinearLab Tools
A collection of Matlab and Python programs that provide direct access to Linear Technology’s data converter evaluation boards.
找不到您所需的软件或驱动?
硬件生态系统
| 部分模型 | 产品周期 | 描述 |
|---|---|---|
| 接口收发器和隔离器 1 | ||
| LTM2883 | 量产 | 具可调 ±12.5V 和 5V 稳定电源的 SPI / 数字或 I2C μModule 隔离器 |
| 模数转换器(ADC) 1 | ||
| LTC2336-18 | 量产 | 具 100dB SNR 的 18 位、250ksps、±10.24V 真正双极、全差分输入 ADC |
评估套件
最新评论
需要发起讨论吗? 没有关于 LTC1604的相关讨论?是否需要发起讨论?
在EngineerZone®上发起讨论