LTC2370-16

量产

具 94dB SNR 的 16 位、2Msps、伪差分单极性 SAR ADC

产品技术资料帮助

ADI公司所提供的资料均视为准确、可靠。但本公司不为用户在应用过程中侵犯任何专利权或第三方权利承担任何责任。技术指标的修改不再另行通知。本公司既没有含蓄的允许,也不允许借用ADI公司的专利或专利权的名义。本文出现的商标和注册商标所有权分别属于相应的公司。

Viewing:

概述

  • 2Msps 吞吐速率
  • ±0.85LSB INL (最大值)
  • 保证 16 位,无漏失码
  • 低功率:19mW (在 2Msps)、19μW (在 2ksps)
  • 94dB SNR (典型值),在 fIN = 2kHz
  • –112dB THD (典型值),在 fIN = 2kHz
  • 保证运作至 125°C
  • 2.5V 电源
  • 伪差分单极性输入范围:0V 至 VREF
  • VREF 输入范围:2.5V 至 5.1V
  • 无流水线延迟,无周期延迟
  • 1.8V 至 5V I/O 电压
  • 具菊链模式的 SPI 兼容型串行 I/O
  • 内部转换时钟
  • 16 引脚 MSOP 封装和 4mm x 3mm DFN 封装

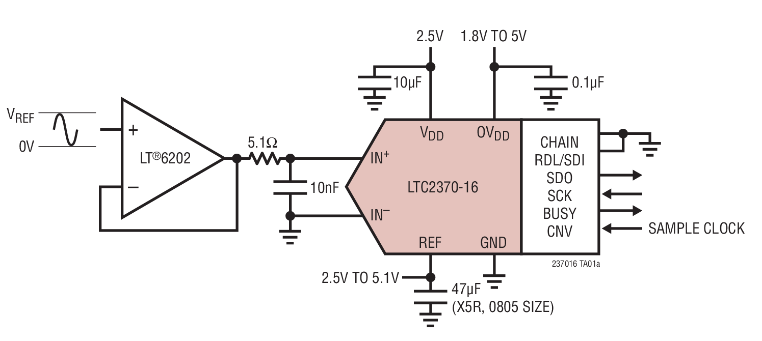
LTC®2370-16 是一款低噪声、低功率、高速 16 位逐次逼近型寄存器 (SAR) ADC。LTC2370-16 采用单 2.5V 工作电源,具有一个 0V 至 VREF 的伪差分单极性输入范围 (VREF 的变化范围从2.5V 至 5.1V)。LTC2370-16 仅消耗 19mW,并实现 ±0.85LSB INL (最大值)、无漏失码 (在 16 位) 和 94dB SNR。

LTC2370-16 具有一个支持 1.8V、2.5V、3.3V 和 5V 逻辑的高速 SPI 兼容型串行接口,同时还拥有一种菊链模式。2Msps 的高吞吐速率和无周期延迟特性使 LTC2370-16 成为众多高速应用的理想选择。一个内部振荡器负责设定转换时间,从而缓解了外部定时方面的考虑。LTC2370-16 在转换操作之间自动断电,从而减低了随采样速率而调节的功耗。



应用

  • Medical Imaging
  • 高速数据采集
  • 便携式或紧凑型仪表
  • 工业过程控制
  • 低功率电池供电型仪表
  • ATE (自动测试设备)

LTC2370-16
具 94dB SNR 的 16 位、2Msps、伪差分单极性 SAR ADC
32k Point FFT fS = 2Msps, fIN = 2kHz Product Package 1 Product Package 2
添加至 myAnalog

将产品添加到myAnalog 的现有项目或新项目中(接收通知)。

创建新项目
提问

参考资料

了解更多
添加至 myAnalog

Add media to the Resources section of myAnalog, to an existing project or to a new project.

创建新项目

软件资源

Evaluation Software 3

DC1813A_REVA FPGA/CPLD Source Code

PScope

The PScope System is a USB-based product demonstration and data acquisition system for use with high performance ADCs and signal chain receiver family. PScope allows users to evaluate the SNR, SFDR, THD, as well as other key parameters, quickly and easily.

LinearLab Tools

A collection of Matlab and Python programs that provide direct access to Linear Technology’s data converter evaluation boards.


硬件生态系统

部分模型 产品周期 描述
基准电压源 1
LTC6655 量产 0.25ppm 噪声、低漂移、精准基准系列
接口收发器 2
LTM2883 量产 具可调 ±12.5V 和 5V 稳定电源的 SPI / 数字或 I2C μModule 隔离器
LTM2893 量产 100MHz 隔离型 ADC 串行接口
运算放大器 1
LT6202 量产 轨至轨输入和输出、1.9nV/√Hz 超低噪声、低功率、100MHz 单路运算放大器
Modal heading
添加至 myAnalog

将产品添加到myAnalog 的现有项目或新项目中(接收通知)。

创建新项目

工具及仿真模型


评估套件

eval board
DC1813A-A

LTC2370-16 with LTC6655-5/LT6202 Demo Board | 16-Bit, 2Msps, Pseudo-Differential Unipolar SAR ADC with 94dB SNR. Requires DC718 or DC590

产品详情

DC1813A-A Demo Board for:
LTC2370-16 16-Bit, 2Msps, Pseudo- Differential Unipolar SAR ADC with 94dB SNR
LTC6655 0.25ppm Noise, Low Drift Precision References
LT6202 Single 100MHz, Rail-to-Rail Input and Output, Ultralow 1.9nVrtHz Noise, Low Power Op Amps


 


eval board
DC1796A-A

LTC6360 Driving LTC2370-16 Demo Board | 16-bit, 2Msps SAR ADC (Requires DC590 or DC718)

产品详情

DC1796A-A演示板适用于:
具有94dB SNR的16位、2Msps、伪差分单极性SAR ADC LTC2370-16
具有真零输出的极低噪声单端SAR ADC驱动器LTC6360


 


DC1813A-A
LTC2370-16 with LTC6655-5/LT6202 Demo Board | 16-Bit, 2Msps, Pseudo-Differential Unipolar SAR ADC with 94dB SNR. Requires DC718 or DC590
DC1813A-A - Schematic
DC1796A-A
LTC6360 Driving LTC2370-16 Demo Board | 16-bit, 2Msps SAR ADC (Requires DC590 or DC718)
DC1796A-B - Schematic

最新评论

需要发起讨论吗? 没有关于 LTC2370-16的相关讨论?是否需要发起讨论?

在EngineerZone®上发起讨论

近期浏览