LTC3880

新規設計に推奨

デジタル・パワー・システム・マネージメントを搭載したデュアル出力PolyPhase降圧DC/DCコントローラ

利用上の注意

本データシートの英語以外の言語への翻訳はユーザの便宜のために提供されるものであり、リビジョンが古い場合があります。最新の内容については、必ず最新の英語版をご参照ください。

なお、日本語版のデータシートは基本的に「Rev.0」(リビジョン0)で作成されています。そのため、英語版が後に改訂され、複数製品のデータシートがひとつに統一された場合、同じ「Rev.0」の日本語版のデータシートが異なる製品のデータシートとして表示されることがあります。たとえば、「ADM3307E」の場合、日本語データシートをクリックすると「ADM3311E」が表示されます。これは、英語版のデータシートが複数の製品で共有できるように1本化され、「ADM3307E/ADM3310E/ADM3311E/ADM3312E/ADM3315E」(Rev.J)と改訂されたからで、決して誤ってリンクが張られているわけではありません。和文化されたデータシートを少しでも有効に活用していただくためにこのような方法をとっておりますので、ご了解ください。

アナログ・デバイセズ社は、提供する情報が正確で信頼できるものであることを期していますが、その情報の利用に関して、あるいはその利用によって生じる第三者の特許やその他の権利の侵害に関して一切の責任を負いません。また、アナログ・デバイセズ社の特許または特許の権利の使用を明示的または暗示的に許諾するものでもありません。仕様は予告なしに変更する場合があります。本紙記載の商標および登録商標は、各社の所有に属します。

Viewing:

製品情報

  • PMBus/I2C準拠シリアル・インターフェース
  • 遠隔測定法のリード・バックにはVIN、IIN、VOUT、IOUT、温度、故障が含まれています。
  • プログラマブルな、電圧、電流制限、デジタル・ソフト・スタート/ストップ、シーケンシング、マージニング、OV/UV、および周波数同期(250kHz~1MHz)
  • 全温度範囲での出力電圧精度:±0.5%
  • 16ビットADCを内蔵
  • ECCと障害ログ機能を備えた内部EEPROM
  • 強力なNチャンネルMOSFETゲート・ドライバを内蔵

    電力変換

    • 広いVIN範囲:4.5V~24V
    • VOUT範囲:0.5V~5.4V(VOUT0の場合は最大4V)
    • アナログ電流モード制御ループ
    • 最大6相の高精度PolyPhase®電流共有
    • 40ピン(6mm × 6mm)QFNパッケージを採用
    • オートモーティブ・アプリケーション向けのAEC-Q100認定済み

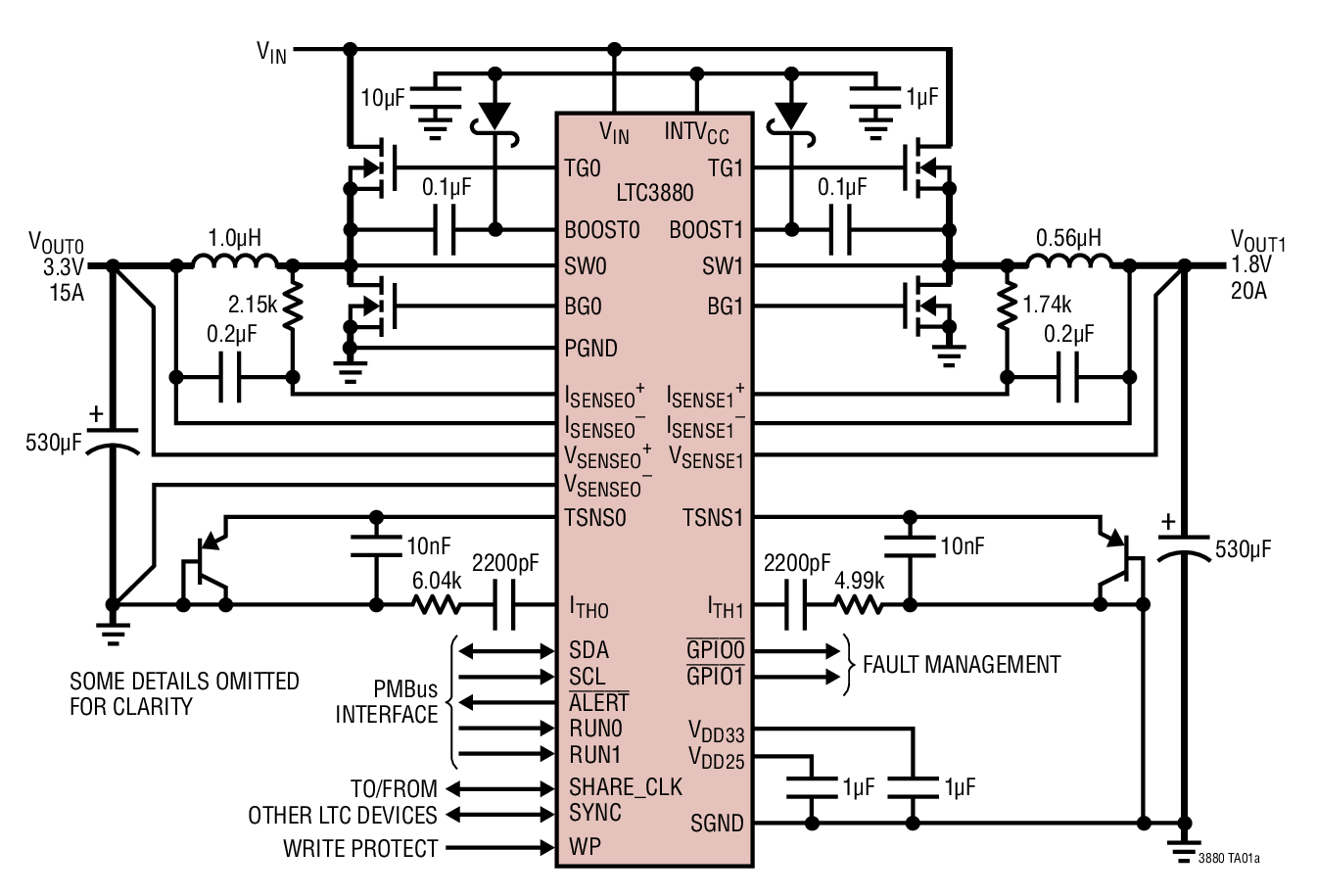
LTC3880/LTC3880-1は、I2CベースPMBus準拠シリアル・インターフェースを備えた、デュアル出力PolyPhase DC/DC同期型降圧スイッチング・レギュレータ・コントローラです。これらのコントローラは、グラフィカル・ユーザ・インターフェース(GUI)を備えたLTpowerPlayソフトウェア開発ツールによってサポートされている固定周波数の電流モード・アーキテクチャを採用しています。

スイッチング周波数、出力電圧、およびデバイス・アドレスは、外付けの設定抵抗を使用して設定できます。パラメータはデジタル・インターフェースを介して設定、またはEEPROMに格納できます。バス・インターフェースを介して、電圧、電流、内部/外部温度、故障状態を読み出せます。LTC3880は5Vのリニア・レギュレータを内蔵していますが、LTC3880-1は電力損失を最小にするため外部の5V電源を使用します。LTC3887との比較は下記を参照してください。

VOUTスタートアップ時間 最大VOUT0/1 高速ADCモード(1パラメータの場合)
LTC3887/LTC3887-1 35ms 5.5V/5.5V なし
LTC3880/LTC3880-1 120ms 4V/5.4V なし

アプリケーション

  • 大電流の分散給電システム
  • テレコム・システム、データ通信システム、およびストレージ・システム
  • インテリジェントでエネルギー効率の高い電力レギュレーション

LTC3880
デジタル・パワー・システム・マネージメントを搭載したデュアル出力PolyPhase降圧DC/DCコントローラ
Efficiency and Power Loss vs Load Current Product Package 2 Product Package 1
myAnalogに追加

myAnalogの製品セクション(通知受け取り)、既存/新規プロジェクトに製品を追加する。

新規プロジェクトを作成
質問する
サポート

アナログ・デバイセズのサポート・ページはアナログ・デバイセズへのあらゆるご質問にお答えするワンストップ・ポータルです。


ドキュメント

データシート 2

信頼性データ 1

ユーザ・ガイド 9

アプリケーション・ノート 8

技術記事 12

情報 1

製品情報 2

さらに詳しく
myAnalogに追加

myAnalogのリソース・セクション、既存/新規プロジェクトにメディアを追加する。

新規プロジェクトを作成

ソフトウェア・リソース

デバイス・ドライバ 1


ハードウェア・エコシステム

製品モデル 製品ライフサイクル 詳細
A/Dコンバータ(ADC) 1
LTC2990 新規設計に推奨 I2Cインタフェース搭載のクワッド電圧、電流、温度モニタ
パワー・システム・マネージメント(PSM) & シーケンサ 1
LTC2974 新規設計に推奨 正確な出力電流測定を特長とする4チャンネルPMBusパワーシステム・マネージャ
回路モニタ 1
LTC2960 新規設計に推奨 36Vナノ電流2入力電圧モニタ
保護スイッチ & コントローラ 1
LT4363 新規設計に推奨 電流制限付き高電圧サージ・ストッパー
Modal heading
myAnalogに追加

myAnalogの製品セクション(通知受け取り)、既存/新規プロジェクトに製品を追加する。

新規プロジェクトを作成

ツールおよびシミュレーション

LTspice

LTspice®は、無料で提供される強力で高速な回路シミュレータと回路図入力、波形ビューワに改善を加え、アナログ回路のシミュレーションを容易にするためのモデルを搭載しています。

 

Linduino

Linduino はアナログ・デバイセズの Arduino 互換システムで、アナログ・デバイセズ製集積回路のファームウェア・ライブラリおよびサンプル・コードの開発と配布に使用します。Linduino対応の各製品には、LTSketchbook/Part Numberフォルダに定義されたサンプルのメイン・プログラムと、LTSketchbook/librariesフォルダに定義されたドライバ・コードが含まれています。

GitHub上のLinduinoコードのリポジトリとコード使用方法

LTSketchbookをダウンロード

Linduinoを購入

LTpowerCAD

LTpowerCAD®は、電力段のデバイスの選択、詳細な電力効率の提供、ループのボーデ線図の安定性および負荷過渡応答解析の敏速な表示などを行うと共に、シミュレーション用にLTspiceにエクスポートできる電源設計プログラムです。


評価用キット

eval board
DC1962C

Power System Management Demo Board (PowerStick) | 14-Supply Management with LTC2977, LTC2974 and LTC3880 [Requires DC1613]

製品詳細

DC1962C Demo Board for:
LTC2974 4-Channel PMBus Power System Manager Featuring Accurate Output Current Measurement
LTC3880 Dual Output PolyPhase Step-Down DC/DC Controller with Digital Power System Management
LTC2977 8-Channel PMBus Power System Manager Featuring Accurate Output Voltage Measurement

eval board
DC2088A

LTC3880EUJ Demo Board | 7V ≤ VIN ≤ 14V; VOUT Range: 0.8V to 1.8V @ Up to 50A

製品詳細

Demonstration circuit 2088A is a high current, high density, two-phase single output synchronous buck converter featuring the LTC3880EUJ, a dual-phase current mode controller. The LTC3880 has the PMBus interface and power system management functions.


 


eval board
DC1590B-B

LTC3880EUJ Demo Board (DCR) | VIN Range: 6.5V to 24V, VOUT0 = 0.5V to 4V @ 20A, VOUT1 = 0.5V to 5V @ 20A, PMBus Controlled, Works with DC1613A

製品詳細

Demonstration circuit 1590B is a dual output synchronous buck converter featuring the LTC3880EUJ, a dual output peak current mode controller with digital power system management. There are two versions of the board available: DC1590B-A senses the output current across a sense resistor and has a default switching frequency of 350kHz, and DC1590B-B senses output current with the inductor DCR and has a default switching frequency of 425kHz. Either version can be populated with the LTC3880EUJ-1 (which allows the user to provide bias power to the IC from an external power supply) instead of the LTC3880EUJ. These boards provide two programmable outputs of 20A each. The factory default settings are 1.8V for each output.

eval board
DC2089A-A

LTC3880EUJ/LTC3870EUFD RSENSE Demo Board | 7V ≤ VIN ≤ 14V; VOUT = 0.8V to 1.8V @ 80A

製品詳細

Demonstration circuit 2089A is a high current, high efficiency, poly-phase synchronous buck converter featuring the LTC3880EUJ, a dual-phase current mode controller, and the LTC3870EUFD, a dual-phase slave controller. The LTC3880 has the PMBus interface and power system management functions.


The input range of this board is from 7V to 14V, and the output voltage can be programmed from 0.8V to 1.8V. The output current is up to 80A for 4-phase operation. The DC2089A has two versions, the DC2089A-A uses a current sense resistor, while the DC2089A–B has DCR current sensing. The factory default setting for the output voltage is 1.0V.


You can use a PC to reconfigure the power management features of the LTC3880 such as: nominal VOUT, margin set points, OV/UV limits, temperature fault limits, sequencing parameters, the fault log, fault responses, GPIO and other functionality.

eval board
DC1709A

LTC3880/-1 & LTC3887/-1 Demo Board I Programming Clamshell Socketed Demo Board

製品詳細

DC1709A: Demo Board for the LTC3880 Dual Output PolyPhase Step-Down DC/DC Controller with Digital Power System Management.


 


eval board
DC2089A-B

LTC3880EUJ/LTC3870EUFD DCR SENSE Demo Board | 7V ≤ VIN ≤ 14V; VOUT = 0.8V to 1.8V @ 80A

製品詳細

Demonstration circuit 2089A is a high current, high efficiency, poly-phase synchronous buck converter featuring the LTC3880EUJ, a dual-phase current mode controller, and the LTC3870EUFD, a dual-phase slave controller. The LTC3880 has the PMBus interface and power system management functions.


The input range of this board is from 7V to 14V, and the output voltage can be programmed from 0.8V to 1.8V. The output current is up to 80A for 4-phase operation. The DC2089A has two versions, the DC2089A-A uses a current sense resistor, while the DC2089A–B has DCR current sensing. The factory default setting for the output voltage is 1.0V.


You can use a PC to reconfigure the power management features of the LTC3880 such as: nominal VOUT, margin set points, OV/UV limits, temperature fault limits, sequencing parameters, the fault log, fault responses, GPIO and other functionality.

eval board
DC1740A-A

LTC3880EUJ Demo Board | 7V ≤ VIN ≤ 14V; VOUT0: 0.5V to 4.1V @ 80A, PMBus Controlled, Works w/ DC1613

製品詳細

Demonstration circuit 1740A is a PolyPhase® synchronous buck converter featuring the LTC3880EUJ, a dual-phase current mode controller with PMBus interface and digital power system management functions. The DC1740A-A is a two chip 4-phase single-output configuration. The default output setting is VOUT0 = 1.2V/80A.


The DC1740A powers up to default settings and produces power based on configuration resistors or with non-volatile memory (NVM) settings without the need for any serial bus communication. This allows easy evaluation of the DC/DC converter aspects of the LTC3880. To fully explore the extensive digital power management features of the parts, download the GUI software LTpowerPlay™ onto your PC and use LTC’s I2C/SMBus/PMBus Dongle DC1613A to connect to the board.

eval board
DC1753B-B

LTC3880EUJ Demo Board (DCR Sense) I Dual Phase Single Output PMBus Buck, 6.5V ≤ VIN ≤ 24V, VOUT = 0.5V to 3.3V @ 40A

製品詳細

Demonstration circuit 1753B-B is a dual phase single-output, synchronous buck converter featuring the LTC3880EUJ, a dual phase current mode controller with digital power system management. It operates with an input voltage range of 6.5V to 24V. The demo board senses inductor current with the inductor DCR and has a default switching frequency of 425kHz. The output voltage of the board can be programmed from 0.5V to 3.3V, with output current up to 40A. The factory default setting for the output is 1.8V. 

eval board
DC1753B-A

LTC3880EUJ Demo Board (RSENSE) I Dual Phase Single Output PMBus Buck, 6.5V ≤ VIN≤ 24V, VOUT = 0.5V to 3.3V @ 40A

製品詳細

Demonstration circuit 1753B-A is a dual phase single-output, synchronous buck converter featuring the LTC3880EUJ, a dual phase current mode controller with digital power system management. It operates with an input voltage range of 6.5V to 24V. The demo board senses inductor current across a sense resistor and has a default switching frequency of 350kHz. The output voltage of the board can be programmed from 0.5V to 3.3V, with output current up to 40A. The factory default setting for the output is 1.8V. 


 


eval board
DC1740A-B

LTC3880EUJ Demo Board | 7V ≤ VIN ≤ 14V; VOUT0: 0.5V to 4.1V @ 20A, VOUT1: 0.5V to 4.1V @ 60A, PMBus Controlled, Works w/ DC1613

製品詳細

Demonstration circuit 1740A is a PolyPhase® synchronous buck converter featuring the LTC3880EUJ, a dual-phase current mode controller with PMBus interface and digital power system management functions. The DC1740A-B is a two chip 3 + 1 phase dual-output configuration. The default output settings are VOUT0 = 1.5V/20A and VOUT1 = 1.2V/60A.


The DC1740A powers up to default settings and produces power based on configuration resistors or with non-volatile memory (NVM) settings without the need for any serial bus communication. This allows easy evaluation of the DC/DC converter aspects of the LTC3880. To fully explore the extensive digital power management features of the parts, download the GUI software LTpowerPlay™ onto your PC and use LTC’s I2C/SMBus/PMBus Dongle DC1613A to connect to the board.

eval board
DC1753A-A

LTC3880EUJ Demo Board (RSENSE) | Dual Phase Single Output, PMBus Buck, 6.5V ≤ VIN ≤ 24V, VOUT = 0.5V to 3.3V @ 40A

製品詳細

Demonstration circuit 1753A is a dual phase single-output, synchronous buck converter featuring the LTC3880EUJ, a dual phase current mode controller with digital power management. The DC1753A-A senses inductor current across a sense resistor. Default switching Freq = 350kHz. The demo board can be populated with the LTC3880EUJ-1, which allows the user to provide bias power to the IC from an external power supply. The output voltage of the board can be programmed from 0.5V to 3.3V, with output current up to 40A. The factory default setting for the output is 1.8V.

eval board
DC2052A

LTC3880EUJ/LTC3883EUH | 3-Phase Demo Board, VIN Range: 6.5V to 14V, VOUT Range: 0.5V to 1.8V @ 60A, PMBus Controlled, Works with DC1613 Dongle

製品詳細

Demonstration circuit 2052A is a 3-phase single output synchronous buck converter featuring the LTC3880EUJ, a dual-phase current mode controller, and the LTC3883EUH, a single-phase current mode controller with input current sensing capability. Both devices have a PMBus interface and the power system management functions.


The input voltage range of this board is from 6.5V to 14V. The output voltage can be programmed from 0.5V to 1.8V, with an output current of up to 60A total. The factory default setting for the output voltage is 1.0V.

eval board
DC1962C-KIT

Starter Kit for Power System Management [Includes DC1962C, DC1613A]

製品詳細

DC1962C-KIT Demo Board for:
LTC2977 8-Channel PMBus Power System Manager Featuring Accurate Output Voltage Measurement
LTC2974 4-Channel PMBus Power System Manager Featuring Accurate Output Current Measurement
LTC3880 Dual Output PolyPhase Step-Down DC/DC Controller with Digital Power System Management


 


eval board
DC1590B-A

LTC3880EUJ Demo Board (RSENSE) | VIN Range: 6.5V to 24V, VOUT0 = 0.5V to 4V @ 20A, VOUT1 = 0.5V to 5V @ 20A, PMBus Controlled, Works with DC1613A

製品詳細

Demonstration circuit 1590B is a dual output synchronous buck converter featuring the LTC3880EUJ, a dual output peak current mode controller with digital power system management. There are two versions of the board available: DC1590B-A senses the output current across a sense resistor and has a default switching frequency of 350kHz, and DC1590B-B senses output current with the inductor DCR and has a default switching frequency of 425kHz. Either version can be populated with the LTC3880EUJ-1 (which allows the user to provide bias power to the IC from an external power supply) instead of the LTC3880EUJ. These boards provide two programmable outputs of 20A each. The factory default settings are 1.8V for each output.

DC1962C
Power System Management Demo Board (PowerStick) | 14-Supply Management with LTC2977, LTC2974 and LTC3880 [Requires DC1613]
DC1962C - Schematic DC1962 Demoboard
DC2088A
LTC3880EUJ Demo Board | 7V ≤ VIN ≤ 14V; VOUT Range: 0.8V to 1.8V @ Up to 50A
DC2088A - Schematic
DC1590B-B
LTC3880EUJ Demo Board (DCR) | VIN Range: 6.5V to 24V, VOUT0 = 0.5V to 4V @ 20A, VOUT1 = 0.5V to 5V @ 20A, PMBus Controlled, Works with DC1613A
DC1590B Image
DC2089A-A
LTC3880EUJ/LTC3870EUFD RSENSE Demo Board | 7V ≤ VIN ≤ 14V; VOUT = 0.8V to 1.8V @ 80A
DC2089A - Schematic
DC1709A
LTC3880/-1 & LTC3887/-1 Demo Board I Programming Clamshell Socketed Demo Board
DC1709A - Schematic
DC2089A-B
LTC3880EUJ/LTC3870EUFD DCR SENSE Demo Board | 7V ≤ VIN ≤ 14V; VOUT = 0.8V to 1.8V @ 80A
DC2089A-B Demo Board DC2089A-B Demo Board DC2089A-B Demo Board DC2089A-B Demo Board DC2089A - Schematic
DC1740A-A
LTC3880EUJ Demo Board | 7V ≤ VIN ≤ 14V; VOUT0: 0.5V to 4.1V @ 80A, PMBus Controlled, Works w/ DC1613
DC1740A Schematic
DC1753B-B
LTC3880EUJ Demo Board (DCR Sense) I Dual Phase Single Output PMBus Buck, 6.5V ≤ VIN ≤ 24V, VOUT = 0.5V to 3.3V @ 40A
DC1753B - Schematic
DC1753B-A
LTC3880EUJ Demo Board (RSENSE) I Dual Phase Single Output PMBus Buck, 6.5V ≤ VIN≤ 24V, VOUT = 0.5V to 3.3V @ 40A
DC1753B - Schematic
DC1740A-B
LTC3880EUJ Demo Board | 7V ≤ VIN ≤ 14V; VOUT0: 0.5V to 4.1V @ 20A, VOUT1: 0.5V to 4.1V @ 60A, PMBus Controlled, Works w/ DC1613
DC1740A Schematic
DC1753A-A
LTC3880EUJ Demo Board (RSENSE) | Dual Phase Single Output, PMBus Buck, 6.5V ≤ VIN ≤ 24V, VOUT = 0.5V to 3.3V @ 40A
DC1753A-A - Schematic
DC2052A
LTC3880EUJ/LTC3883EUH | 3-Phase Demo Board, VIN Range: 6.5V to 14V, VOUT Range: 0.5V to 1.8V @ 60A, PMBus Controlled, Works with DC1613 Dongle
DC2052A - Schematic
DC1962C-KIT
Starter Kit for Power System Management [Includes DC1962C, DC1613A]
DC1962 Demoboard DC1962C - Schematic
DC1590B-A
LTC3880EUJ Demo Board (RSENSE) | VIN Range: 6.5V to 24V, VOUT0 = 0.5V to 4V @ 20A, VOUT1 = 0.5V to 5V @ 20A, PMBus Controlled, Works with DC1613A
DC1590B Image

リファレンス・デザイン

DK-DEV-5AGTD7N Dev Kit
Altera Arria V GT FPGA Development Kit Circuits from the Lab®

機能と利点

  • Analog Devices has worked closely with FPGA and processor manufacturers to develop verified power solutions that optimize cost, size and efficiency in high performance applications
  • Our reference designs are supported by an intuitive design tool set and IP
  • Our team can provide designs for quick prototypes that can speed time to market in the most complex applications
DK-DEV-5SGSMD5N DSP Dev Kit
Altera DSP Development Kit, Stratix V Edition Circuits from the Lab®

機能と利点

  • Analog Devices has worked closely with FPGA and processor manufacturers to develop verified power solutions that optimize cost, size and efficiency in high performance applications
  • Our reference designs are supported by an intuitive design tool set and IP
  • Our team can provide designs for quick prototypes that can speed time to market in the most complex applications
DK-DEV-5SGXEA7N Dev Kit
Altera Stratix V GX FPGA Development Kit Circuits from the Lab®

機能と利点

  • Analog Devices has worked closely with FPGA and processor manufacturers to develop verified power solutions that optimize cost, size and efficiency in high performance applications
  • Our reference designs are supported by an intuitive design tool set and IP
  • Our team can provide designs for quick prototypes that can speed time to market in the most complex applications
DK-START-5AGXB3N Starter Kit
Altera Arria V GX Starter Kit Circuits from the Lab®

機能と利点

  • Analog Devices has worked closely with FPGA and processor manufacturers to develop verified power solutions that optimize cost, size and efficiency in high performance applications
  • Our reference designs are supported by an intuitive design tool set and IP
  • Our team can provide designs for quick prototypes that can speed time to market in the most complex applications
Altera Arria V GT FPGA Development Kit
DK-DEV-5AGTD7N Dev Kit
LTC Parts List
DK-DEV-5AGTD7N Block Diagram
DK-DEV-5AGTD7N Block Diagram
DK-DEV-5AGTD7N Power Tree
Altera DSP Development Kit, Stratix V Edition
DK-DEV-5SGSMD5N DSP Dev Kit
LTC Parts List
DK-DEV-5SGSMD5N Block Diagram
DK-DEV-5SGSMD5N Power Tree
Altera Stratix V GX FPGA Development Kit
DK-DEV-5SGXEA7N Dev Kit
LTC Parts List
DK-DEV-5SGXEA7N Block Diagram
DK-DEV-5SGXEA7N Power Tree
DK-DEV-5SGXEA7N Power Tree No TI
Altera Arria V GX Starter Kit
DK-START-5AGXB3N Starter Kit
LTC Parts List
DK-START-5AGXB3N Block Diagram
DK-START-5AGXB3N Power Tree
DK-START-5AGXB3N Power Tree No TI

最新のディスカッション

最近表示した製品