製品概要
製品概要
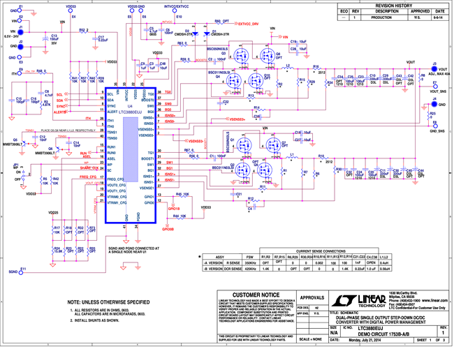
Demonstration circuit 1753B-A is a dual phase single-output, synchronous buck converter featuring the LTC3880EUJ, a dual phase current mode controller with digital power system management. It operates with an input voltage range of 6.5V to 24V. The demo board senses inductor current across a sense resistor and has a default switching frequency of 350kHz. The output voltage of the board can be programmed from 0.5V to 3.3V, with output current up to 40A. The factory default setting for the output is 1.8V.
対象となる製品
関連資料
-
DC1753B - Schematic2015/08/03PDF94K
-
DC1753B - Demo Manual2015/08/03PDF1M
-
DC1753B - Design Files2015/08/03ZIP1M
