製品概要
製品概要
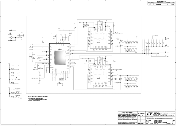
Demonstration circuit 2088A is a high current, high density, two-phase single output synchronous buck converter featuring the LTC3880EUJ, a dual-phase current mode controller. The LTC3880 has the PMBus interface and power system management functions.
対象となる製品
関連資料
- 
                                                                
                                                                    
                                                                                                                                            DC2088A - Schematic2014/01/11PDF118K
- 
                                                                
                                                                    
                                                                                                                                            DC2088A - Demo Manual2014/01/11PDF1M
- 
                                                                
                                                                    
                                                                                                                                            DC2088A - Design Files2014/01/11ZIP2M
 
                             
                         
                         
                                                