製品概要
製品概要
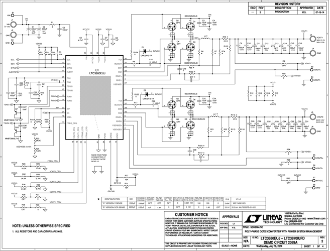
Demonstration circuit 2089A is a high current, high efficiency, poly-phase synchronous buck converter featuring the LTC3880EUJ, a dual-phase current mode controller, and the LTC3870EUFD, a dual-phase slave controller. The LTC3880 has the PMBus interface and power system management functions.
The input range of this board is from 7V to 14V, and the output voltage can be programmed from 0.8V to 1.8V. The output current is up to 80A for 4-phase operation. The DC2089A has two versions, the DC2089A-A uses a current sense resistor, while the DC2089A–B has DCR current sensing. The factory default setting for the output voltage is 1.0V.
You can use a PC to reconfigure the power management features of the LTC3880 such as: nominal VOUT, margin set points, OV/UV limits, temperature fault limits, sequencing parameters, the fault log, fault responses, GPIO and other functionality.
関連資料
-
DC2089A - Schematic2014/09/10PDF124K
-
DC2089A - Demo Manual2014/09/10PDF1M
-
DC2089A - Design Files2014/09/10ZIP2M




