製品概要
製品概要
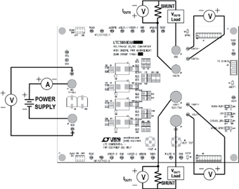
Demonstration circuit 1740A is a PolyPhase® synchronous buck converter featuring the LTC3880EUJ, a dual-phase current mode controller with PMBus interface and digital power system management functions. The DC1740A-B is a two chip 3 + 1 phase dual-output configuration. The default output settings are VOUT0 = 1.5V/20A and VOUT1 = 1.2V/60A.
The DC1740A powers up to default settings and produces power based on configuration resistors or with non-volatile memory (NVM) settings without the need for any serial bus communication. This allows easy evaluation of the DC/DC converter aspects of the LTC3880. To fully explore the extensive digital power management features of the parts, download the GUI software LTpowerPlay™ onto your PC and use LTC’s I2C/SMBus/PMBus Dongle DC1613A to connect to the board.
対象となる製品
関連資料
-
DC1740A - Schematic2013/08/26PDF208K
-
DC1740A - Demo Manual (Rev. B)2013/11/14PDF1 M
-
DC1740A - Design Files2013/08/26ZIP2M
