製品概要
製品概要
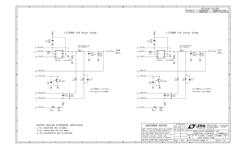
DC1962C-KIT Demo Board for:
LTC2977 8-Channel PMBus Power System Manager Featuring Accurate Output Voltage Measurement
LTC2974 4-Channel PMBus Power System Manager Featuring Accurate Output Current Measurement
LTC3880 Dual Output PolyPhase Step-Down DC/DC Controller with Digital Power System Management
関連資料
-
DC1962C - Schematic2013/04/24PDF622K
-
DC1962C - Demo Manual2013/06/27PDF4M
-
DC1962C - Design Files2013/04/24ZIP10M

