ADM1066
量产内置余量微调控制功能和辅助ADC输入的Super Sequencer®超级时序控制器
- 产品模型
- 4
Viewing:
概述
- 完整的电源监控和时序控制解决方案,可监控多达10个电源
- 10个电源故障检测器,电源监控精度可达:
<0.5% (所有电压,25°C)
<1.0 % (所有电压、温度) - 5 个可选输入衰减器,可监控:
VH的最高14.4 V电源
VP1至VP4 (VPn)的最高6 V电源 - 5 路双功能输入VX1至VX5 (VXn)
电源故障检测器的高阻抗输入,阈值范围0.573 V至1.375 V
通用逻辑输入 - 完整的电压余量微调解决方案,适用于6个电压轨
- 具有外部上拉的开路集电极
- 推挽输出,驱动至VDDCAP或VPn
- 具有较弱上拉的开路集电极,拉至VDDCAP或VPn
- 内部电荷泵驱动高驱动器,配合外部N-FET使用(仅限PDO1至PDO6)
- 6个电压输出、8位DAC(0.300 V至1.551 V)允许通过DC-DC转换器调整/反馈节点调整电压
- 12位ADC用于回读所有受监控电压
- 2 个辅助(单端)ADC输入
- 基准电压输入(REFIN)有两个输入选项
直接从2.048 V (±0.25%) REFOUT引脚驱动
更精确的外部基准电压,可提高ADC性能 - 器件由VPn中最高者供电,VH用于提高冗余性
- 状态变化以输入事件为条件
- 支持复杂的电路板控制
- 上电和关断时序控制
- 故障事件处理
- 报警时产生中断
- SE中可集成看门狗功能
- 通过SMBus对时序进行软件编程控制
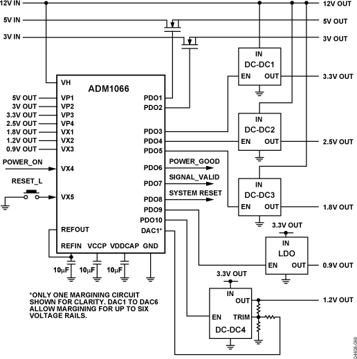
ADM1066 Super Sequencer®超级时序控制器是一款可配置电源监控/时序控制器件,可针对多电源系统中的电源监控和时序控制提供一种单芯片解决方案。除这些功能外,ADM1066还集成一个12位ADC和六个8位电压输出DAC。利用这些电路可以实现闭环余量微调系统,以便通过更改反馈节点,或利用DAC输出更改DC-DC转换器的基准电压来实现电源调整。
只需用极少的外部元件便可执行电源余量微调。余量微调环路可以用于生产期间的电路板在线测试(例如,验证电路板在电源电压比标称电压低5%时的功能),也可以动态使用,以便精确控制DC-DC转换器的输出电压。
应用
参考资料
数据手册 1
用户手册 2
应用笔记 12
技术文章 1
视频 1
产品选型卡 1
参考电路 1
产品选型指南 2
模拟对话 2
ADI 始终高度重视提供符合最高质量和可靠性水平的产品。我们通过将质量和可靠性检查纳入产品和工艺设计的各个范围以及制造过程来实现这一目标。出货产品的“零缺陷”始终是我们的目标。查看我们的质量和可靠性计划和认证以了解更多信息。
| 产品型号 | 引脚/封装图-中文版 | 文档 | CAD 符号,脚注和 3D模型 |
|---|---|---|---|
| ADM1066ACPZ | 40-Lead LFCSP (6mm x 6mm w/ EP) | ||
| ADM1066ACPZ-REEL7 | 40-Lead LFCSP (6mm x 6mm w/ EP) | ||
| ADM1066ASUZ | 48-Lead TQFP (7mm x 7mm) | ||
| ADM1066ASUZ-REEL7 | 48-Lead TQFP (7mm x 7mm) |
| 产品型号 | 产品生命周期 | PCN |
|---|---|---|
|
11月 10, 2022 - 22_0277 Qualification of an Alternate Adhesive Material and Molding Compound for Select LFCSP Packages |
||
| ADM1066ACPZ | 量产 | |
| ADM1066ACPZ-REEL7 | 量产 | |
|
4月 29, 2015 - 14_0049 Conversion of 6x6mm and 7x7mm LFCSP Package Outlines from Punch to Sawn and Transfer of Assembly Site to Amkor Philippines |
||
| ADM1066ACPZ | 量产 | |
| ADM1066ACPZ-REEL7 | 量产 | |
|
6月 25, 2014 - 13_0266 Test Transfer of Select LFCSP Products to STATS ChipPAC China |
||
| ADM1066ACPZ | 量产 | |
| ADM1066ACPZ-REEL7 | 量产 | |
|
7月 16, 2012 - 10_0241 Conversion of LFCSP Package Outline from Punch to Sawn of Package Sizes 4x4, 5x5, 6x6 and 7x7mm and a Transfer of Assembly Site. |
||
| ADM1066ACPZ | 量产 | |
| ADM1066ACPZ-REEL7 | 量产 | |
|
6月 17, 2011 - 11_0142 ADM1062, ADM1063, ADM1064, ADM1065, ADM1066, ADM1067, ADM1068, ADM1069 Datasheet Specification Correction |
||
| ADM1066ACPZ | 量产 | |
| ADM1066ACPZ-REEL7 | 量产 | |
| ADM1066ASUZ | 量产 | |
| ADM1066ASUZ-REEL7 | 量产 | |
|
3月 14, 2011 - 11_0045 Addition of STATSChipPAC Malaysia as an Alternate Test Site for LFCSP packages. |
||
| ADM1066ACPZ | 量产 | |
| ADM1066ACPZ-REEL7 | 量产 | |
|
1月 5, 2009 - 07_0077 Certification of STATSChipPAC Shanghai, China and AMKOR Philippines as additional sources for Assembly & Test of QFP Packages |
||
| ADM1066ASUZ | 量产 | |
| ADM1066ASUZ-REEL7 | 量产 | |
这是最新版本的数据手册
软件资源
Evaluation Software 2
SuperSequencer Software
ADMxxxx Common Run-Time
找不到您所需的软件或驱动?