製品概要
製品概要
Demonstration circuit 1371, along with PScope™ software, provides a USB based, Windows PC hosted digital data acquisition system supporting high speed data converter products. The DC1371 must be powered with the 5V power supply that is supplied with the demo board. The PScope evaluation software automatically detects the DC1371 and the demonstration circuit board connected to it. This system provides for fast and easy performance evaluation of high speed ADCs. DC1371 collects samples from high speed demonstration circuits and the PScope software performs various analyses on the data including calculating SNR, SINAD, THD, SFDR and ENOB.
関連資料
-
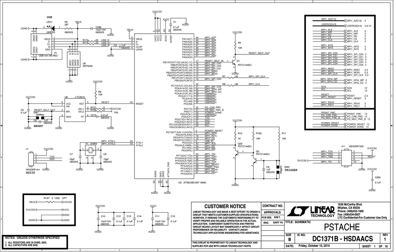
DC1371B - Schematic2015/10/13PDF398K
-
DC1371B - Demo Manual2015/10/13PDF2M





