製品概要
製品概要
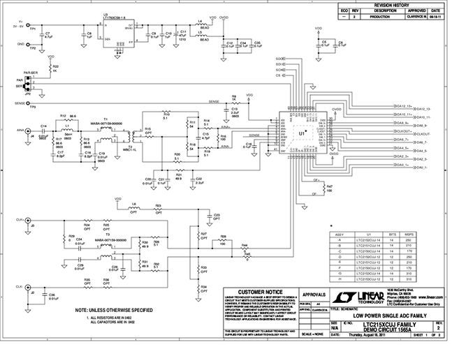
DC1565A-F: Demo Board for the LTC2150-12 - Single 12-Bit 170Msps ADCs.
対象となる製品
関連資料
-
DC1565A - Schematic2011/12/16PDF107K
-
DC1565A - Demo Manual2012/01/18PDF1M
-
DC1565A - Design Files2011/12/16ZIP1M
