LTM9008-14

新規設計には非推奨

14ビット、65Msps低消費電力オクタルA/Dコンバータ

利用上の注意

本データシートの英語以外の言語への翻訳はユーザの便宜のために提供されるものであり、リビジョンが古い場合があります。最新の内容については、必ず最新の英語版をご参照ください。

なお、日本語版のデータシートは基本的に「Rev.0」(リビジョン0)で作成されています。そのため、英語版が後に改訂され、複数製品のデータシートがひとつに統一された場合、同じ「Rev.0」の日本語版のデータシートが異なる製品のデータシートとして表示されることがあります。たとえば、「ADM3307E」の場合、日本語データシートをクリックすると「ADM3311E」が表示されます。これは、英語版のデータシートが複数の製品で共有できるように1本化され、「ADM3307E/ADM3310E/ADM3311E/ADM3312E/ADM3315E」(Rev.J)と改訂されたからで、決して誤ってリンクが張られているわけではありません。和文化されたデータシートを少しでも有効に活用していただくためにこのような方法をとっておりますので、ご了解ください。

アナログ・デバイセズ社は、提供する情報が正確で信頼できるものであることを期していますが、その情報の利用に関して、あるいはその利用によって生じる第三者の特許やその他の権利の侵害に関して一切の責任を負いません。また、アナログ・デバイセズ社の特許または特許の権利の使用を明示的または暗示的に許諾するものでもありません。仕様は予告なしに変更する場合があります。本紙記載の商標および登録商標は、各社の所有に属します。

Viewing:

製品情報

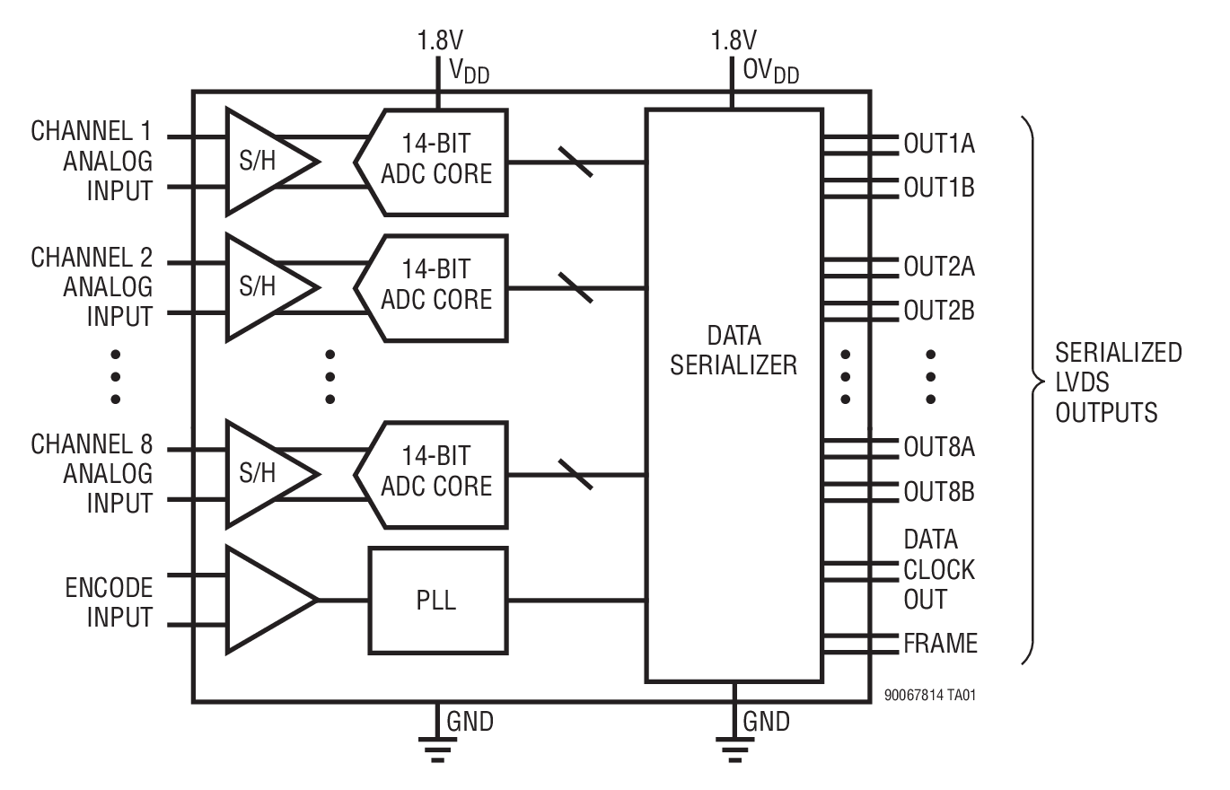
  • 8チャネル同時サンプリングA/Dコンバータ
  • SNR:73dB
  • SFDR:90dB
  • 低消費電力:88mW/59mW/46mW(1チャネル当たり)
  • 1.8V単電源
  • シリアルLVDS出力:1ビットまたは2ビット/チャネル
  • 選択可能な入力範囲:1VP-P~2VP-P
  • フルパワー帯域幅が800MHzのサンプル/ホールド
  • シャットダウン・モードとナップ・モード
  • 設定用のシリアルSPIポート
  • バイパス・コンデンサ内蔵、外付け部品不要
  • 140ピン(11.25mm × 9mm)BGAパッケージ

LTM9008-14/LTM9007-14/LTM9006-14は、ダイナミックレンジの広い高周波信号をデジタル化する目的で設計された8チャネル同時サンプリングの14ビットA/Dコンバータです。SNRが73dB、スプリアス・フリー・ダイナミックレンジ(SFDR)が90dBというAC特性を備えています。1チャネル当たりの消費電力が小さいので、チャネル数の多いアプリケーションでの発熱が少なくて済みます。バイパス・コンデンサを内蔵し、貫流型のピン配置を採用しているため、基板面積に関する要求事項が全体的に少なくなります。

DC規格では、±1LSB(標準)のINL、±0.3LSB(標準)のDNL、全温度範囲にわたって欠落コードがないことが規定されています。遷移ノイズは1.2LSBRMSと低い値です。

デジタル出力はシリアルLVDSなので、データ線の数を最小限に抑えることができます。各チャネルは同時に2ビットを出力します(2レーン・モード)。低いサンプリング・レートでは、1チャネル当たり1ビットの選択肢もあります(1レーン・モード)。

ENC+およびENC入力は、正弦波、PECL、LVDS、TTL、またはCMOSの入力信号を使用して、差動またはシングルエンドで駆動できます。また、内蔵のクロック・デューティ・サイクル・スタビライザにより、広範なクロック・デューティ・サイクルにわたってフルスピードで高い性能を発揮できます。


アプリケーション

  • 通信機器
  • セルラ基地局
  • ソフトウェア無線
  • 携帯型医療用画像処理
  • マルチチャネル・データ収集
  • 非破壊試験

LTM9008-14
14ビット、65Msps低消費電力オクタルA/Dコンバータ
LTM9008-14, 65Msps,2-Tone FFT, fIN = 70MHz and 75MHz Product package 1
myAnalogに追加

myAnalogの製品セクション(通知受け取り)、既存/新規プロジェクトに製品を追加する。

新規プロジェクトを作成
質問する
サポート

アナログ・デバイセズのサポート・ページはアナログ・デバイセズへのあらゆるご質問にお答えするワンストップ・ポータルです。


ドキュメント

データシート

これは最新改訂バージョンのデータシートです。

さらに詳しく
myAnalogに追加

myAnalogのリソース・セクション、既存/新規プロジェクトにメディアを追加する。

新規プロジェクトを作成

ソフトウェア・リソース

必要なソフトウェア/ドライバが見つかりませんか?

ドライバ/ソフトウェアをリクエスト

ハードウェア・エコシステム

製品モデル 製品ライフサイクル 詳細
A/Dコンバータ(ADC) 1
LTM9012 新規設計には非推奨 ドライバを内蔵した14ビット、125MspsクワッドA/Dコンバータ
フェーズ・ロック・ループ(PLL)シンセサイザ 1
LTC6946 最終販売 ノイズとスプリアスを極めて低く抑えたVCO内蔵の0.37GHz~5.7GHz整数分周方式シンセサイザ
差動アンプ 1
LTC6409 新規設計に推奨 帯域幅10GHz、1.1nV/√Hzの差動アンプ/ADCドライバ
Modal heading
myAnalogに追加

myAnalogの製品セクション(通知受け取り)、既存/新規プロジェクトに製品を追加する。

新規プロジェクトを作成

ツールおよびシミュレーション

IBISモデル 1


評価用キット

eval board
DC1751A-D

LTM9008-14 Demoboard | 14-Bit, 65Msps, 1.8V Octal Serial ADC, DC < AIN < 70MHz, requires DC1371 and DC1075

製品詳細

DC1751A-D: Demo Board for the LTM9008-14 14-Bit, 65Msps Low Power Octal ADCs.


 


eval board
DC1884A-D

LTM9008-14 | 14-Bit, 65Msps, 1.8V Octal Serial ADC, 1MHz < Ain < 70MHz, Requires DC1371 and DC1075

製品詳細

DC1884A-D: Demo Board for the LTM9008-14 14-Bit, 65Msps Low Power Octal ADCs.

DC1751A-D
LTM9008-14 Demoboard | 14-Bit, 65Msps, 1.8V Octal Serial ADC, DC < AIN < 70MHz, requires DC1371 and DC1075
DC1751A - Schematic
DC1884A-D
LTM9008-14 | 14-Bit, 65Msps, 1.8V Octal Serial ADC, 1MHz < Ain < 70MHz, Requires DC1371 and DC1075
DC1884A-A - Schematic

最新のディスカッション

LTM9008-14に関するディスカッションはまだありません。意見を投稿しますか?

EngineerZone®でディスカッションを始める

最近表示した製品