製品概要
製品概要
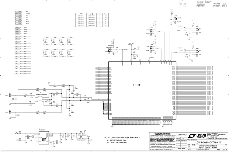
DC1751A-D: Demo Board for the LTM9008-14 14-Bit, 65Msps Low Power Octal ADCs.
対象となる製品
関連資料
-
DC1751A - Schematic2014/09/24PDF165K
-
DC1751A - Demo Manual2017/01/23PDF1M
-
DC1751A - Design File2014/09/24ZIP6M
