LTC2170-14

製造中

14ビット、25Msps低消費電力クワッドADC

利用上の注意

本データシートの英語以外の言語への翻訳はユーザの便宜のために提供されるものであり、リビジョンが古い場合があります。最新の内容については、必ず最新の英語版をご参照ください。

なお、日本語版のデータシートは基本的に「Rev.0」(リビジョン0)で作成されています。そのため、英語版が後に改訂され、複数製品のデータシートがひとつに統一された場合、同じ「Rev.0」の日本語版のデータシートが異なる製品のデータシートとして表示されることがあります。たとえば、「ADM3307E」の場合、日本語データシートをクリックすると「ADM3311E」が表示されます。これは、英語版のデータシートが複数の製品で共有できるように1本化され、「ADM3307E/ADM3310E/ADM3311E/ADM3312E/ADM3315E」(Rev.J)と改訂されたからで、決して誤ってリンクが張られているわけではありません。和文化されたデータシートを少しでも有効に活用していただくためにこのような方法をとっておりますので、ご了解ください。

アナログ・デバイセズ社は、提供する情報が正確で信頼できるものであることを期していますが、その情報の利用に関して、あるいはその利用によって生じる第三者の特許やその他の権利の侵害に関して一切の責任を負いません。また、アナログ・デバイセズ社の特許または特許の権利の使用を明示的または暗示的に許諾するものでもありません。仕様は予告なしに変更する場合があります。本紙記載の商標および登録商標は、各社の所有に属します。

Viewing:

製品情報

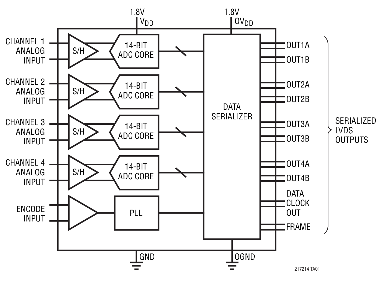
  • 4チャネル同時サンプリングADC
  • SNR:73.7dB
  • SFDR:90dB
  • 低消費電力:311mW/202mW/162mW(合計)、78mW/51mW/41mW(チャネル当たり)
  • 単一1.8V 電源
  • シリアルLVDS出力:チャネル当たり1ビットまたは2ビット
  • 選択可能な入力範囲: 1VP-P~2VP-P
  • 800MHzのフルパワー帯域幅サンプル/ホールド
  • シャットダウン・モードとナップ・モード
  • 設定用のシリアルSPIポート
  • ピン互換の14ビットおよび12ビット・バージョン
  • 52ピン(7mm × 8mm) QFNパッケージ

LTC2172-14/LTC2171-14/LTC2170-14は、広いダイナミック・レンジの高周波信号をデジタル化する4チャネル同時サンプリング14ビットA/Dコンバータです。SNRが73.7dB、 SFDRが90dBという優れたAC特性を備えているため、要求の厳しい通信アプリケーションに最適です。ジッタがわずか0.15psRMSなので、優れたノイズ性能を維持しながらIF周波数をアンダーサンプリングできます。

DC仕様では、±1LSB(標準)のINLと±0.3LSB(標準)のDNL、全温度範囲でミッシング・コードがないことが規定されています。遷移ノイズは1.2LSBRMSと低く抑えられています。

デジタル出力はシリアルLVDSなので、データライン数を最小限に抑えることができます。各チャネルは一度に2ビット (2レーン・モード)または一度に1ビット (1レーン・モード)を出力します。LVDSドライバはオプションの内部終端を備え、出力レベルを調整できるので、クリーンなシグナルインテグリティを確保します。

ENC+およびENC入力は、正弦波、PECL、LVDS、TTLまたはCMOSの入力信号を使って差動またはシングルエンドでドライブ可能です。また、内蔵のクロック・デューティサイクル・スタビライザにより、広範なクロック・デューティサイクルにおいてフルスピードで高性能を達成できます。

Bits
LTC2170-12 12
LTC2170-14 14

アプリケーション

  • 通信
  • セルラー基地局
  • ソフトウェア無線
  • 携帯型医療用画像処理
  • マルチチャネル・データ収集
  • 非破壊試験

LTC2170-14
14ビット、25Msps低消費電力クワッドADC
LTC2172-14, 65Msps,  2-Tone FFT, fIN = 70MHz and 75MHz Product Package 1
myAnalogに追加

myAnalogの製品セクション(通知受け取り)、既存/新規プロジェクトに製品を追加する。

新規プロジェクトを作成
質問する
サポート

アナログ・デバイセズのサポート・ページはアナログ・デバイセズへのあらゆるご質問にお答えするワンストップ・ポータルです。


ドキュメント

データシート

これは最新改訂バージョンのデータシートです。

さらに詳しく
myAnalogに追加

myAnalogのリソース・セクション、既存/新規プロジェクトにメディアを追加する。

新規プロジェクトを作成

ソフトウェア・リソース

必要なソフトウェア/ドライバが見つかりませんか?

ドライバ/ソフトウェアをリクエスト

ハードウェア・エコシステム

製品モデル 製品ライフサイクル 詳細
フェーズ・ロック・ループ(PLL)シンセサイザ 1
LTC6946 製造中止 ノイズとスプリアスを極めて低く抑えたVCO内蔵の0.37GHz~5.7GHz整数分周方式シンセサイザ
差動アンプ 1
LTC6406 最終販売 3GHz、低ノイズ、レール・トゥ・レール入力差動アンプ/ドライバ
Modal heading
myAnalogに追加

myAnalogの製品セクション(通知受け取り)、既存/新規プロジェクトに製品を追加する。

新規プロジェクトを作成

ツールおよびシミュレーション


評価用キット

eval board
DC1525A-F

LTC2170-14 | 14-Bit, 25Msps, 1.8V Quad Serial ADC, 5MHz < AIN < 170MHz, Requires DC1371 and DC1075

製品詳細

DC1525A-F: Demo Board for the LTC2170-14 14-Bit, 25Msps Low Power Quad ADCs.

DC1525A-F
LTC2170-14 | 14-Bit, 25Msps, 1.8V Quad Serial ADC, 5MHz < AIN < 170MHz, Requires DC1371 and DC1075
DC1525A-A - Schematic

最新のディスカッション

LTC2170-14に関するディスカッションはまだありません。意見を投稿しますか?

EngineerZone®でディスカッションを始める

最近表示した製品