製品概要
製品概要
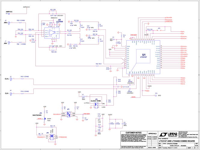
Demonstration circuit 2266A features the LTC2107, 210Msps ADC, and the LTC6409 low noise amplifier. DC2266A supports the LTC2107 DDR LVDS output mode.
The circuitry on the analog inputs is optimized for analog input frequencies from DC to 100MHz. When driven with a 50Ω source, the gain will be 6dB. To modify the input for other input ranges or gains refer to the LTC6409 data sheet.
関連資料
-
DC2266A - Schematic2015/05/20PDF71K
-
DC2266A - Demo Manual2015/05/20PDF720K
-
DC2266A - Design Files2015/05/20ZIP2M
