製品概要
製品概要
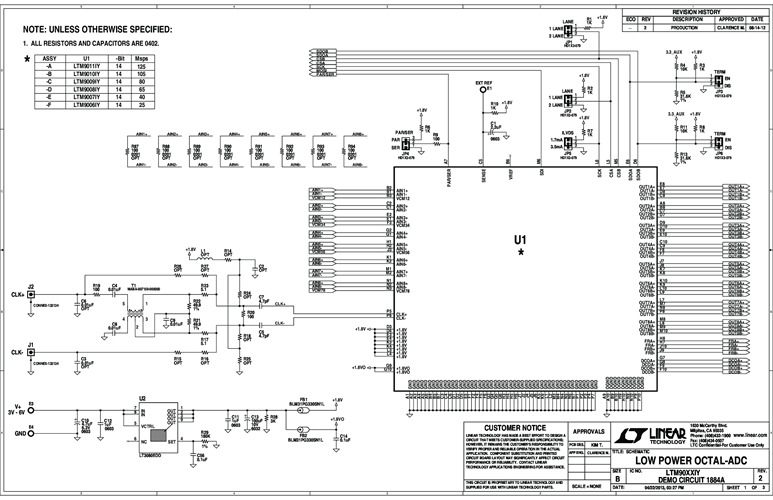
DC1884A-C: Demo Board for the LTM9009-14 14-Bit, 80Msps Low Power Octal ADCs.
対象となる製品
関連資料
-
DC1884A - Schematic2013/04/23PDF106K
-
DC1884A - Demo Manual2017/01/18PDF531K
-
DC1884A - Design Files2013/04/23ZIP3M
