AN-402: 出力クランプ・オペアンプの入力クランプ・アンプによる置換え
はじめに
超音波システムや画像システムのような様々なシステムで、アナログ信号がスパイク状に電圧限界まで突然変化することがあります。A/D ドライバのような後段の多くの回路では性能を維持するために、アナログ入力信号レベルに制限を設けています。これらのデバイスでは過駆動状態で大きな電流が流れるか、またはサチレーション領域まで駆動されて回復に時間を要します。
これらのシステムでは様々なクランプ・アンプを使って、出力での信号変化を制限して後段のデバイスを保護することができます。これまでの大部分のクランプ・アンプでは出力でクランプするアーキテクチャを採用しているため、出力クランプ・アンプ(OCA)と呼ばれています。入力クランプ・アンプ(ICA)と呼ばれる新しいアーキテクチャは、優れたクランプ精度と低歪みを提供します。
図1 に、2 つのデバイスの性能比較を示します。ICA の方が、クランプ領域へ移行するポイントまでのリニア領域で直線に良く追従していることが判ります。これに対して、OCA はクランプ電圧に近づくと、すぐに直線から離れていきます。もちろん、応答が直線に追従する度合がその領域でのアンプの直線性を表しています。

図 1.入力クランプ誤差対出力クランプ誤差
OCA では、この歪みの増加を補償するために、クランプ・レベルを信号最大変化より広く設定して、歪みを抑える必要があります。このためOCA をICA で置換えると、歪みの増加なしにクランプ領域を狭くすることができます。これにより、過駆動時に後段の回路に加わる電圧を下げることができます。大部分のデザインでは、この変更を行うためには、クランプ電圧を発生する回路を少し変更するだけで済みます。
図2 に、この考え方を示します。各アンプ・タイプのリニア信号の振幅は同じですが、OCA ではクランプ近傍領域での歪みが大きいので信号の直線性を維持するためには、OCA の上と下のクランプ・レベルを外側に広げる必要があります。このため過駆動状態では、ICA で駆動される場合に比べてOCA で駆動される方が、後段の回路に大きな信号が加わります。

図 2. ICA とOCA でのクランプ近傍歪みの比較
さらに、ICA の方の過駆動特性が優れているため、過駆動応答も改善されます。ICA の出力は、低ゲインのクランプ・ステージ用のクランプに設定されたレベルを10 mV 以上超えることはありません。これに対して、OCA のオーバーシュートは過駆動信号の大きさに応じて数百mVにもなります。図1 に、この概念も示してあります。ICA の性能はクランプ領域で過駆動の大きさに無関係に比較的平坦ですが、OCA では過駆動が大きくなるほど、出力が大きくなります。
アナログ・デバイセズが発表した最初の2 つの入力クランプ・アンプ(AD8036 とAD8037)では、ICA 構造を採用しています。ゲイン= +1で動作する回路以外は、動作が異なるため、OCA により実現されたデザインをICA で置換えることは、ピン配置が同じでも、単に差し替えるだけでは済みません。ただし、ピン配置が同じであるため、必要とされる回路変更は、一般に大きくなることはありませんが、各構成ごとに対処が必要です。この置換えについての考慮事項を次に示します。
反転動作
最初の考慮事項は、オペアンプの動作極性です。AD8036 とAD8037の入力クランプ・オペアンプ・アーキテクチャは反転モードで動作しません。このため、反転構成に対してOCA をICA で直接置換えることはできません。反転アプリケーションでICA の優れたクランプ特性を活かすためには、もう1 つの反転ステージが必要になります。
図3 に、反転ステージを持つ回路と非反転ICA のAD8036 を接続した構成を示します。この構成は全体として反転クランプ・アンプを構成しています。この回路はゲイン= –RF/RI を持ち、VH とVL にクランプします。クランプ・ステージの動作は、次のセクションで説明します。すべてのクランプ回路で、VH はVL より大きい必要がありますが、デバイス出力範囲内の任意の値にすることができます。

図 3.反転クランプ回路
ゲイン≧(-)1 を必要とする回路の場合、反転ステージとクランプ・ステージとの間でゲイン配分を行うことができます。高精度を得るためには、ICA を低いゲインで動作させる必要があります。これはクランプ精度がゲインの関数になっているためで、次のセクションで説明します。その他の必要とされるゲインは、反転ステージに配分することができます。
非反転動作
ユニティ・ゲイン (ゲイン = 1)
非反転OCA を置換える場合、最も重要な考慮事項は、クランプ・アンプのゲインです。これは、ICA の出力クランプ・レベルがアンプのクローズド・ループ・ゲインの関数になっているためです。
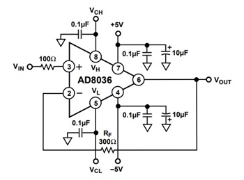
最初のケースでは、非反転ユニティ・ゲインについて説明します。OCA の場合、クランプ・レベルはVH (ピン8)とVL (ピン5)に加えられる電圧に一致します。ICA の場合、クランプ・レベルはこれらの電圧にクローズド・ループ・ゲインを乗算して計算する必要があります。ゲイン= +1 であるため、ICA とOCA は同じクランプ・レベルになります。このため、直接置換えることができます。図4 に、ユニティ・ゲイン・クランプ回路の例を示します。

図 4.ユニティ・ゲインの非反転クランプ
非反転ユニティ・ゲインであるため、選択するアンプもユニティ・ゲインで安定な動作を示す必要があります。2 個のICA の内のAD8036 は、ユニティ・ゲインでの動作に対して補償が行われています。このため、AD8036 は非反転ユニティ・ゲイン・アプリケーションでOCA を直接置換えることができます。OCA と同じゲインと、同じレベルでのクランプが得られます。
ゲイン≧2
クランプ・アンプの非反転ゲインが2 以上の場合、AD8037 はノイズ・ゲイン≧2 に対して補償されているため、AD8037 を使つて帯域幅を広くすることができますが、クランプ・ピンに加える電圧を変えて同じクランプ・レベルを維持する必要があります。これは、クランプ・レベルはアンプのクローズド・ループ・ゲインの関数になっているためです。次式により、クランプ電圧を計算することができます。

ここで、
VCH は上側出力クランプ・レベル
VCL は下側出力クランプ・レベル
G はアンプ構成のゲイン
VH はVH (ピン8)に加えられる電圧
VL はVL (ピン5)に加えられる電圧
一般に、OCA と同じクランプ・レベルを維持するためには、クランプ・ピンに加える電圧を、クランプ・レベルをアンプのクローズド・ループ・ゲインで除算した値に設定する必要があります。例えば、アンプがゲイン= 2 で動作し、かつ上側を1V にクランプする場合は、VH (ピン8)に加える電圧は1 V/2 = 0.5 V となります。同様に、下側を–1V にクランプする場合は、VL (ピン5)に加える電圧は–1 V/2 = –0.5 V となります。図5 に、ゲイン= 2 のAD8037 を使ったクランプ・ステージの回路図を示します。

図 5.ゲイン= 2 の非反転クランプ
上図は、クランプ回路の入力オフセットが、オペアンプ・ステージのゲイン分だけ大きくなることを意味しています。最適クランプ精度を得るためには、クランプ・アンプを低いゲインに設定して、残りの必要なゲインはクランプ・ステージの前のゲイン・ステージで確保する必要があります。OCA より優れたICA の精度を、最大ゲイン10 までのクランプ・ステージに対して実用的に実現することができます。
クランプ近傍領域での歪みは、ここでも当てはまります。クランプ・ウインドウは、最小歪みで可能な信号最大変化より少し大きくする必要があります。A/D は、変換対象の最大信号レベルと、仕様を満たす最大過駆動信号レベルとの間に領域を持っています。クランプ・レベルを設定するのは、この領域内にする必要があります。
オフセットありのクランプ
オペアンプ・アプリケーションによっては、出力にDC オフセット電圧を必要とする場合があります。これらは一般に、アンプへの追加入力としての加算抵抗を使って単純に加算するDC電圧によりオフセットを発生することができる反転モードとして構成されます。ICA では反転モード・クランプをサポートしていないため、この構成でクランプすることはできません。
ゲインとオフセットを提供する非反転回路を構成することができますが、ゲインとオフセットを変えるために使う複数の抵抗の間に相互作用があるため、デザインは反転構成のように簡単ではありません。
図6 に、クランプとオフセットを提供する、AD8037 を使った非反転構成を示します。この回路では、AD9002 に対するドライバと8ビットの125 MSPS A/D コンバータが使用されており、オフセットを持つクランプでのAD8037の使用に関する考慮事項が示してあります。AD9002 のアナログ入力範囲はグラウンドから–2 V までです。入力は過大な電流を避けるためにこの範囲から大きく外れることはできません。入力はグラウンドに対して対称で、振幅は1 V p-pです。

図 6.ゲイン= 2、オフセットありの非反転AD8037 によるAD9002 (8 ビット125 MSPS A/D コンバータ)の駆動
AD8037 がゲイン= 2 で動作するためには、データシートで推奨されるように301 Ω の帰還抵抗が選択されます。ゲイン= 2 の場合、抵抗R1 とR3 の並列接続は帰還抵抗R2 と等しい必要があります。したがって、

オフセットを提供するために使うリファレンス電圧はAD780とし、この出力は2.5 V になります。R3 の値を求めるため、まず非反転入力での入力は0 V とします。そうすると反転入力も0 V になります。これにより、R2 に電流が流れない状態になります。今度は、出力を–1 V にします(範囲の中心で、入力の中心に対応)。そうするとR2 の電流は1 V/301 Ω = 3.32 mA になります。オペアンプのR1 または反転入力に電流が流れないので、この同じ電流がR3に流れます。したがって、

上の式からR1の値が499 Ωと求まります。
出力がA/Dの最大入力信号範囲を上下とも100 mV 以上超えないように信号をクランプすることが望まれます。このため、出力での上側クランプは+0.1 V で、下側クランプは–2.1 V で、それぞれ行う必要があります。
クランプは入力ステージで行われるため、出力で見たクランプ・レベルは、前述の回路ゲインだけでなく、オフセットの影響も受けます。したがって、所望のクランプ・レベルを維持するためには、VH を+550 mV に、VL を–550 mV に、それぞれバイアスする必要があります。電源とグラウンドの間で806 Ω と100 Ω の抵抗を使って構成される分圧器により、クランプ電圧を発生します。
一般に、出力で見たクランプ・レベルは次のように計算されます。

ここで、VOFFは出力に現れるオフセット電圧。
クランプ・レベル設定を見るもう1つの方法は、従来型非反転入力が“ウインドウ”の外側になったとき選択される代替非反転入力がクランプ信号(VH とVL)になるということに基づきます。図7 を参照してください。ゲイン= 2 での入力信号の最大変化より100 mV上または下のレベルにクランプすることが望まれます。このため、VH は最大入力信号変化+0.5 V の50 mV 上、すなわち+550 mV とする必要があります。同様に、VL は最小入力信号変化–0.5 V の50 mV下、すなわち–550 mV とする必要があります。各ケースで50 mVに2 を乗算して100 mV が得られ、同じオフセットが入力信号とクランプに加えられます。

図7. AD8036/AD8037 クランプ・アンプ・システム
1N5712 ショットキー・ダイオードは、パワーアップ過渡時にAD9002 のサブストレート・ダイオードが順方向バイアスされるのを防止するために使用されます。
その他の考慮事項
一般に、VH とVL の電圧発生用に使われる抵抗は1k より小さい値に維持する必要があります。これにより、バイアス電流による誤差が小さくなります。VH とVL のバイパス用にオペアンプ近くのグラウンドへ0.1 μF のコンデンサを使うことが推奨されます。クランプ入力の一方または両方を使わない場合は、ピンをフローティングのままにしても、アンプはクランプなしの場合と同じ動作を行うことができます。一方または両方のクランプ・ピンがダイナミックに駆動され、かつ非クランプ状況をつくることが必要な場合は、正変化に対するクランプなしに対して、VH を+V にバイアスし、負変化に対するクランプなしに対してVLを–V にバイアスすることができます。
結論
入力クランプ・アンプ(ICA)は、出力クランプ・アンプ(OCA)より優れたクランプ性能を提供します。大部分のアプリケーションで、OCA の置換えにICA を使うことができますが、置換えを成功させるためには回路の詳細に従って変更が必要になります。ICA の使用では、ケースごとに各回路に対処することが必要です。ここで説明した技術では、大部分の一般的な状況を扱うために必要とされる回路変更について説明しました。