ADUCM360

RECOMMENDED FOR NEW DESIGNS

Low power precision analog microcontroller, ARM cortex M3 with dual sigma-delta ADCs

Viewing:

Overview

  • Analog input/output
    • Dual (24-bit) ADCs
    • 6 differential or 12 single-ended input channels
    • Programmable Gain Amplifiers (PGA) (1-128) for each ADC
    • Flexible input MUX for input channel selection to both ADCs
    • Buffers for external reference connection 
    • Programmable sensor excitation current sources
    • On-chip precision voltage reference
    • Single 12-bit voltage output DAC
    • NPN mode for 4 mA to 20 mA loop applications
  • Microcontroller
    • ARM Cortex-M3 32-bit processor
    • Serial wire download and debug
    • Internal watch crystal for wakeup timer
    • 16 MHz oscillator with 8-way programmable divider
  • Memory
    • 128 kB Flash/EE Memory, 8k Bytes SRAM 
    • In-circuit debug/download via Serial Wire and UART
  • Power
    • Operates directly from a 3.0V battery
  • Power consumption
    • MCU Active Mode: Core consumes 290μA / MHz
    • Active Mode: 1.0mA (All peripherals active), core operating at 500KHz
    • Supply Range: 1.8V to 3.6V (max)
    • Power down mode: 4μA (WU Timer Active)
  • On-chip peripheral
    • UART, I2C and 2 x SPI serial I/O
    • 16-bit PWM controller
    • 19-pin multifunction GPIO Port
    • See data sheet for additional features
  • Package and temperature range
    • 48-lead LFCSP (7mm x 7mm) package –40°C to 125°C
  • Development tools
    • Low cost QuickStart Development System
    • Third-party compiler and emulator tool support
  • Multiple functional safety features for improved diagnostics

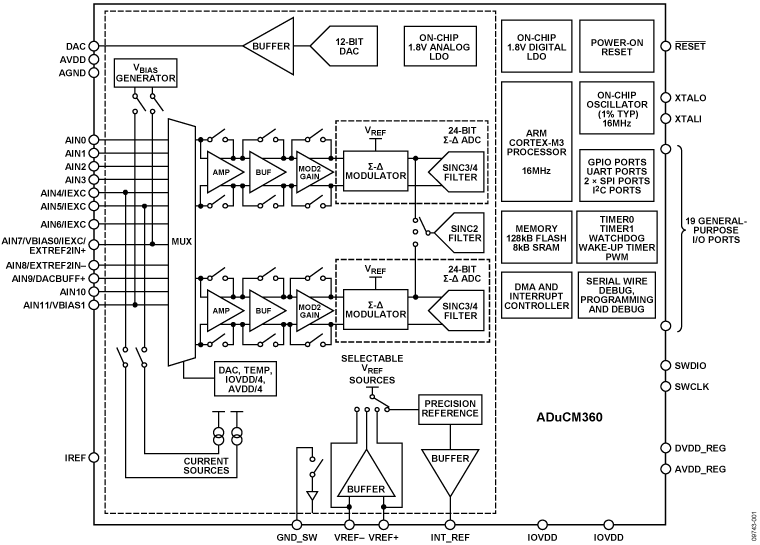
The ADuCM360 is a fully integrated, 3.9 kSPS, 24-bit data acquisition system that incorporates dual high performance, multichannel sigma-delta (Σ-Δ) analog-to-digital converters (ADCs), a 32-bit ARM Cortex™-M3 processor, and Flash/EE memory on a single chip. The ADuCM360 is designed for direct interfacing to external precision sensors in both wired and battery-powered applications. The ADuCM361 contains all the features of the ADuCM360 except that only one 24-bit Σ-Δ ADC (ADC1) is available.

The ADuCM360/ADuCM361 contain an on-chip 32 kHz oscillator and an internal 16 MHz high frequency oscillator. The high frequency oscillator is routed through a programmable clock divider from which the operating frequency of the processor core clock is generated. The maximum core clock speed is 16 MHz; this speed is not limited by operating voltage or temperature.

The microcontroller core is a low power ARM Cortex-M3 processor, a 32-bit RISC machine that offers up to 20 MIPS peak performance. The Cortex-M3 processor incorporates a flexible, 11-channel DMA controller that supports all wired communica-tion peripherals (SPI, UART, and I2C). Also integrated on chip are 128 kB of nonvolatile Flash/EE memory and 8 kB of SRAM.

The analog subsystem consists of dual ADCs, each connected to a flexible input mux. Both ADCs can operate in fully differential and single-ended modes. Other on-chip ADC features include dual programmable excitation current sources, diagnostic current sources, and a bias voltage generator of AVDD_REG/2 (900 mV) to set the common-mode voltage of an input channel. A low-side internal ground switch is provided to allow power-down of an external circuit (for example, a bridge circuit) between conversions.

The ADCs contain two parallel filters: a sinc3 or sinc4 filter in parallel with a sinc2 filter. The sinc3 or sinc4 filter is used for precision measurements. The sinc2 filter is used for fast measure-ments and for the detection of step changes in the input signal.

The devices contain a low noise, low drift internal band gap ref-erence, but they can be configured to accept one or two external reference sources in ratiometric measurement configurations. An option to buffer the external reference inputs is provided on chip. A single-channel buffered voltage output DAC is also provided on chip.

The ADuCM360/ADuCM361 integrate a range of on-chip peripherals, which can be configured under microcontroller software control as required in the application. The peripherals include UART, I2C, and dual SPI serial I/O communication controllers; a 19-pin GPIO port; two general-purpose timers; a wake-up timer; and a system watchdog timer. A 16-bit PWM controller with six output channels is also provided.

The ADuCM360/ADuCM361 are specifically designed to operate in battery-powered applications where low power operation is critical. The microcontroller core can be configured in a normal operating mode that consumes 290 μA/MHz (including flash/ SRAM IDD). An overall system current consumption of 1 mA can be achieved with both ADCs on (input buffers off), PGA gain of 4, one SPI port on, and all timers on.

The ADuCM360/ADuCM361 can be configured in a number of low power operating modes under direct program control, including a hibernate mode (internal wake-up timer active) that consumes only 4 μA. In hibernate mode, peripherals such as external interrupts or the internal wake-up timer can wake up the device. This mode allows the part to operate with ultralow power and still respond to asynchronous external or periodic events.

APPLICATIONS

  • Industrial automation and process control
  • Intelligent precision sensing systems
  • 4 mA to 20 mA loop-powered smart sensor systems
  • Medical devices, patient monitoring

ADUCM360
Low power precision analog microcontroller, ARM cortex M3 with dual sigma-delta ADCs
ADuCM360 Functional Block Diagram ADuCM360-361-pc
Add to myAnalog

Add product to the Products section of myAnalog (to receive notifications), to an existing project or to a new project.

Create New Project
Ask a Question

Documentation

Data Sheet 2

User Guide 3

Application Note 7

Technical Articles 7

Informational 1

Frequently Asked Question 1

Learn More
Add to myAnalog

Add media to the Resources section of myAnalog, to an existing project or to a new project.

Create New Project

Software Resources

Evaluation Software 1

Download Software - Analog Devices ADuCM36x Device Support and Examples


Hardware Ecosystem

Parts Product Life Cycle Description
ADC/DAC Combo Converters 2
AD5700 PRODUCTION Low Power HART Modem
AD5700-1 PRODUCTION Low Power HART Modem with Precision Internal Oscillator
Analog to Digital Converters (ADCs) 1
ADT7410 PRODUCTION ±0.5°C Accurate, 16-Bit Digital I2C Temperature Sensor
Digital to Analog Converters (DACs) 3
AD5421 PRODUCTION 16-Bit, Serial Input, Loop-Powered, 4mA to 20mA DAC
AD5412 PRODUCTION Single Channel, 12-Bit, Current Source & Voltage Output DAC, HART Connectivity
AD5422 PRODUCTION Single Channel, 16-Bit, Current Source & Voltage Output DAC, HART Connectivity
Interface Transceivers & Isolators 3
ADM3202 PRODUCTION High-Speed, 2-Channel RS232/V.28 Interface Devices
ADUM3160 PRODUCTION Full/Low Speed USB Digital Isolator
ADUM4160 PRODUCTION Full/Low Speed USB Digital Isolator
LDO Linear Regulators 1
ADP1720 PRODUCTION 50 mA, High Voltage, Micropower Linear Regulator
Modal heading
Add to myAnalog

Add product to the Products section of myAnalog (to receive notifications), to an existing project or to a new project.

Create New Project

Tools & Simulations

Design Tool 3

Sigma-Delta ADC Tutorial

An interactive illustration showing the behavior of an idealized sigma-delta A/D converter.

Open Tool

Evaluation Kits

eval board
EVAL-ADUCM360

ADUCM360/361 DEVELOPMENT SYSTEM

Product Details

The ADuCM360/ADuCM361 is a low power fully integrated, 24-bit data acquisition system incorporating dual, high performance multi-channel sigma-delta (Σ-Δ) ADCs, ARM Cortex M3® MCU, and Flash/EE memory on a single chip.

ADI provides low cost development platforms for the Cortex M3 based ADuCxxx microcontrollers.

EVAL-ADuCM360QSPZ evaluation kit can be used to fully evaluate the ADuCM361. The ADuCM360/361 are pin compatible and are identical except the ADC0 is not available on ADuCM361.

The hardware is designed for simplicity, flexibility and ease of use. This facilitates performance evaluation of the device with the minimum external components. The supplied ADI J-link OB emulator connects to the miniboard, providing supply, UART communication and debug capability.

The QuickStart Plus Kit for the ADuCM360/361 Precision Analog Microcontrollers features true non-intrusive Serial Wire emulation and an assembly & C-source debugging environment. This provides a comprehensive hardware development environment.


QuickStart Plus Kit Contents:

Hardware Contents

  • Evaluation Board
  • USB Cable
  • ADI J-Link OB emulator
Software Contents

  • Keil MDKARMevaluation version integrated software development tool
  • IAR EWARM evaluation version integrated software development tool
  • CM3WSD Serial DownloaderExample Code
  • Function Libraries
  • Get Started User Guide
  • Datasheets, Application Notes, Etc.

Note that the J-Link Lite and interface boards previously included in this development system are being replaced by a new ADI J-Link OB emulator with similar functionalities.

Resources

Software

eval board
EVAL-ADICUP360

Arduino form factor compatible ARM Cortex-M3 Development Platform

Features and Benefits

  • Compatible with Arduino and PMOD form factors
  • Low Power ARM Cortex M3
  • Open Source IDE Tools
  • No External Debugger/Emulator Tools needed

Product Details

The EVAL-ADICUP360 is an Arduino and PMOD compatible form factor development board. The board uses CrossCore Embedded Studio, an open source Eclipse based Interactive Development Environment (IDE), which can be downloaded free of charge. The platform contains many hardware and software example projects, to make it easier for customers to prototype/create systems and solutions using the complete ecosystem provided.


The EVAL-ADICUP360 uses the ADuCM360 Arm Cortex-M3 processor as the main device on board.  It has integrated dual 24-bit sigma delta converters on chip, which make it extremely flexible for both analog and digital application.

EVAL-ADUCM360
ADUCM360/361 DEVELOPMENT SYSTEM
EVAL-ADICUP360
Arduino form factor compatible ARM Cortex-M3 Development Platform
ADICUP360ANGLE-web ADICUP360BOTTOM-web ADICUP360TOP-web

Reference Designs

ADuCM360 as a Temperature Monitor Controller with a Thermocouple Interface
CN0300 Circuits from the lab

12-Bit, 4-20mA Loop-Powered Thermocouple Measurement System Using ARM Cortex-M3

Features and Benefits

  • T-type thermocouple measurement system, to loop powered 4-20mA output
  • Typical temperature range of -200 C to +400 C
  • Single chip solution using a Cortex processing core
  • Cold junction compensation
ADuCM360 Controlling 4 mA-to-20 mA Loop-Based Temperature Monitor Circuit
CN0319 Circuits from the lab

14-Bit, 4-20 mA, Loop Powered, Thermocouple Temperature Measurement System Using ARM Cortex-M3

Features and Benefits

  • 4-20mA thermocouple temperature monitor
  • Cold junction compensation
  • Loop powered
4 mA to 20 mA, Loop Powered Field Instrument
CN0267 Circuits from the lab

Complete 4 mA to 20 mA Loop Powered Field Instrument with HART Interface

Features and Benefits

  • Complete 4mA to 20mA loop powered field instrument
  • HART compliant interface
  • Registered by HART Communication Foundation (HFC)
  • Low power, small footprint
ADuCM360/ADuCM361 as a Temperature Monitor Controller with a Thermocouple Interface
CN0221 Circuits from the lab

USB - Based, Thermocouple Temperature Measurement System Using ARM Cortex - M3

Features and Benefits

  • Typical temperature range of -200 C to +400 C
  • Precision Cortex M3 analog microcontroller with 24-bit sigma-delta ADC
  • T-type thermocouple measurement system with cold junction compensation
  • Single chip solution
Figure 1. High Performance Conductivity Measurement System
CN0359 Circuits from the lab

Fully Automatic High Performance Conductivity Measurement System

Features and Benefits

  • Conductivity Range of 0.1 μS to 10 S
  • Automatic Measurement Ranging
  • 2- or 4-wire Conductivity Probe Compatible
  • External Temperature Compensation
  • Standalone Operation and Control
Thermocouple Measurement System
CN0394 Circuits from the lab

Flexible, Low Power, 4-Channel Thermocouple System with Arduino-Compatible Analog Interface

Features and Benefits

  • Flexible 4-channel thermocouple system
  • Cold junction compensation
  • Arduino-compatible interface to ADICUP360
NDIR Gas Sensing Circuit
CN0338 Circuits from the lab

NDIR Thermopile-Based Gas Sensing Circuit

Features and Benefits

  • Gas sensor based on NDIR
  • Optimized for CO2
  • Arduino shield form factor for rapid prototyping
CN0300
12-Bit, 4-20mA Loop-Powered Thermocouple Measurement System Using ARM Cortex-M3
ADuCM360 as a Temperature Monitor Controller with a Thermocouple Interface
CN0319
14-Bit, 4-20 mA, Loop Powered, Thermocouple Temperature Measurement System Using ARM Cortex-M3
ADuCM360 Controlling 4 mA-to-20 mA Loop-Based Temperature Monitor Circuit
CN0267
Complete 4 mA to 20 mA Loop Powered Field Instrument with HART Interface
4 mA to 20 mA, Loop Powered Field Instrument
CN0221
USB - Based, Thermocouple Temperature Measurement System Using ARM Cortex - M3
ADuCM360/ADuCM361 as a Temperature Monitor Controller with a Thermocouple Interface
CN0359
Fully Automatic High Performance Conductivity Measurement System
Figure 1. High Performance Conductivity Measurement System
CN0359 - Top View
CN0359 - Bottom View
CN0394
Flexible, Low Power, 4-Channel Thermocouple System with Arduino-Compatible Analog Interface
Thermocouple Measurement System
EVAL-CN0394-ARDZ Evaluation Board
EVAL-CN0394-ARDZ Evaluation Board - Top View
EVAL-CN0394-ARDZ Evaluation Board - Bottom View
CN0338
NDIR Thermopile-Based Gas Sensing Circuit
NDIR Gas Sensing Circuit
CN0338 Evaluation Board
CN0338 Evaluation Board - Bottom View
CN0338 Evaluation Board - Top View

Latest Discussions

Recently Viewed