Two engineers working in the lab

Save time and deliver your solutions faster with ADI’s new suite of precision technology signal chains. Align your applications ranging from Smart Industry to Instrumentation, Electrification to Digital Health, to exactly the right precision technology combinations.

Tailor your signal chain with confidence

AD8253

PRODUCTION

10 MHz, G = 1, 10, 100, 1000 iCMOS® Programmable Gain Instrumentation Amplifier

Viewing:

Overview

  • Small package: 10-lead MSOP
  • Programmable gains: 1, 10, 100, 1000
  • Digital or pin-programmable gain setting
  • Wide supply: ±5 V to ±15 V
  • Excellent dc performance
    High CMRR: 100 dB (minimum),
    G = 100
    Low gain drift: 10 ppm/°C (maximum)
    Low offset drift: 1.2 µV/°C (maximum),
    G = 1000
  • See data sheet for additional features

The AD8253 is an instrumentation amplifier with digitally programmable gains that has gigaohm (GΩ) input impedance, low output noise, and low distortion, making it suitable for interfacing with sensors and driving high sample rate analog-to-digital converters (ADCs).

It has a high bandwidth of 10 MHz, low THD of −110 dB, and fast settling time of 780 ns (maximum) to 0.001%. Offset drift and gain drift are guaranteed to 1.2 µV/°C and 10 ppm/°C, respectively, for G = 1000. In addition to its wide input common voltage range, it boasts a high common-mode rejection of 100 dB at G = 1000 from dc to 20 kHz. The combination of precision dc performance coupled with high speed capabilities makes the AD8253 an excellent candidate for data acquisition. Furthermore, this monolithic solution simplifies design and manufacturing and boosts performance of instrumentation by maintaining a tight match of internal resistors and amplifiers.

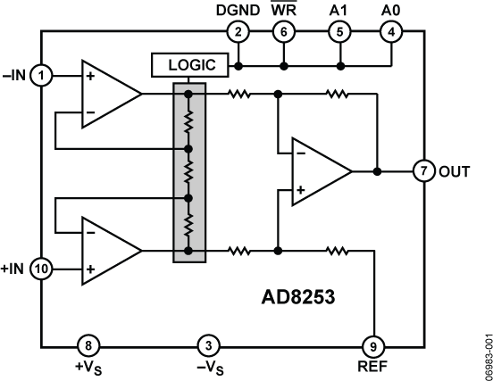
The AD8253 user interface consists of a parallel port that allows users to set the gain in one of two different ways (see Figure 1 for the functional block diagram). A 2-bit word sent via a bus can be latched using the WR input. An alternative is to use transparent gain mode, where the state of logic levels at the gain port determines the gain.

The AD8253 is available in a 10-lead MSOP package and is specified over the −40°C to +85°C temperature range, making it an excellent solution for applications where size and packing density are important considerations.

Applications

  • Data acquisition
  • Biomedical analysis
  • Test and measurement

AD8253
10 MHz, G = 1, 10, 100, 1000 iCMOS® Programmable Gain Instrumentation Amplifier
AD8253 Functional Block Diagram AD8253 Pin Configuration
Add to myAnalog

Add product to the Products section of myAnalog (to receive notifications), to an existing project or to a new project.

Create New Project
Ask a Question

Documentation

Learn More
Add to myAnalog

Add media to the Resources section of myAnalog, to an existing project or to a new project.

Create New Project

Software Resources

Can't find the software or driver you need?

Request a Driver/Software

Tools & Simulations

LTspice


Models for the following parts are available in LTspice:

  • AD8253

In-Amp Diamond Plot Tool

The Diamond Plot Tool is a web application that generates a configuration-specific Output Voltage Range vs. Input Common-Mode Voltage graph, also known as the Diamond Plot, for Analog Devices Instrumentation Amplifiers. Based on user inputs such as supply voltage, gain, and input signal range, the tool detects saturation and recommends in-amps for which the input signal is in-range and the configuration is valid. Avoid saturation, find the best in-amp for your design, and save time.

Open Tool

SPICE Model 1

Signal Chain Designer

Signal Chain Designer is a web-based tool designed to create and simulate complex precision signal chains. See your circuit’s performance before you commit to your PCB: transfer function, noise, power consumption, input range, and DC error. Quickly experiment with different parts and architectures. Signal chains can be exported to LTspice for further analysis.

Open Tool

ADI Circuit Explorer™

ADI Circuit Explorer™ uses AI to interpret natural language prompts and search a database of validated analog circuit designs, helping you quickly find the best match for your needs.

Open Tool
LTspice

LTspice® is a powerful, fast and free simulation software, schematic capture and waveform viewer with enhancements and models for improving the simulation of analog circuits.


Evaluation Kits

eval board
EVAL-AD8253

AD8253 Evaluation Board

Features and Benefits

  • Does not require software to operate
  • Runs from dual supply (±7 to ±15 V)
  • Gain selection through DIP switches
  • Numerous test points for external stimulus
  • Signal paths use SMA connectors

Product Details

The AD8253-EVALZ user guide details how the AD8253-EVALZ evaluation board evaluates the AD8253. The user guide outlines the basic connections required to evaluate the AD8253 and describes the switch settings available to obtain desired outputs.

Many configuration options are available on the AD8253-EVALZ evaluation board that allow additional input filtering and output filtering if there is a noisy environment. The logic control is covered with an on-board 5.0 V regulator and a dual in-line package (DIP) switch. However, these logic signals can be overridden and clipped on by way of the on-board test points if the DIP switch has each position set to open.

EVAL-AD8253
AD8253 Evaluation Board
AD8253 Evaluation Board

Reference Designs

Figure 1. High Performance Conductivity Measurement System
CN0359 Circuits from the lab

Fully Automatic High Performance Conductivity Measurement System

Features and Benefits

  • Conductivity Range of 0.1 μS to 10 S
  • Automatic Measurement Ranging
  • 2- or 4-wire Conductivity Probe Compatible
  • External Temperature Compensation
  • Standalone Operation and Control
CN0359
Fully Automatic High Performance Conductivity Measurement System
Figure 1. High Performance Conductivity Measurement System
CN0359 - Top View
CN0359 - Bottom View

Latest Discussions

Recently Viewed