ADG704

量产

CMOS、低压、2.5 Ω、4通道多路复用器

产品技术资料帮助

ADI公司所提供的资料均视为准确、可靠。但本公司不为用户在应用过程中侵犯任何专利权或第三方权利承担任何责任。技术指标的修改不再另行通知。本公司既没有含蓄的允许,也不允许借用ADI公司的专利或专利权的名义。本文出现的商标和注册商标所有权分别属于相应的公司。

Viewing:

概述

  • 单电源:+1.8 V至+5.5 V
  • 导通电阻:2.5 Ω(典型值)
  • 低导通电阻平坦度
  • –3 dB带宽:> 200 MHz
  • 轨到轨工作
  • 10引脚µSOIC封装
  • 快速开关时间
    接通时间tON :20 ns
    断开时间tOFF :13 ns
  • 典型功耗:<0.01 μW
  • TTL/CMOS兼容型

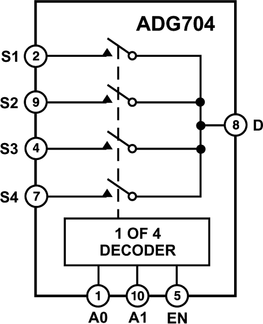
ADG704是一款CMOS模拟多路复用器,内置4个单通道。它采用先进的亚微米工艺设计,具有低功耗、高开关速度、低导通电阻、低泄漏电流和高带宽特性。导通电阻曲线在整个模拟信号范围都非常平坦,可确保切换音频信号时拥有出色的线性度和低失真性能。同时较快的开关速度使该器件适合视频信号切换应用。

ADG704
CMOS、低压、2.5 Ω、4通道多路复用器
ADG704 Functional Block Diagram
添加至 myAnalog

将产品添加到myAnalog 的现有项目或新项目中(接收通知)。

创建新项目
提问

参考资料

了解更多
添加至 myAnalog

Add media to the Resources section of myAnalog, to an existing project or to a new project.

创建新项目

软件资源

找不到您所需的软件或驱动?

申请驱动/软件

评估套件

eval board
EVAL-10MSOP

开关和多路复用器产品系列中用于10引脚MSOP器件的评估板

特性和优点

  • 10引脚MSOP评估板
  • 通过箝位轻松改用主器件
  • 通过镀金引脚连接器添加无源元件
  • 用于信号输入/输出的SMB连接器
  • 板载额外空间支持原型制作

产品详情

EVAL-10MSOPEBZ评估板用于评估开关和多路复用器产品系列中的10引脚MSOP器件,这些产品可单独购买。EVAL-10MSOPEBZ采用箝位将10引脚MSOP器件固定到评估板上,而无需焊接,因此多个器件可重复使用该板。


10引脚MSOP器件可箝位或焊接到评估板的中心。每个器件引脚还具有相应的链路(K1至K10),并可设置为VDD或GND。焊线螺丝端子提供VDD和GND。借助板上的SMB连接器,可向器件提供额外的外部信号。此外,板顶部还留有空间以便进行原型制作。


相应的产品数据手册提供待测器件(DUT)的完整规格,使用评估板时应同时参考该用户指南与数据手册。

EVAL-10MSOP
开关和多路复用器产品系列中用于10引脚MSOP器件的评估板
EVAL-10MSOPEBZANGLE-web EVAL-10MSOPEBZBOTTOM-web EVAL-10MSOPEBZTOP-web

参考电路

PLC/DCS Quad-Channel Voltage and Current Input Front End
CN0414 参考设计

适合PLC/DCS应用的四通道模拟输入,支持开路检测并兼容HART

特性和优点

  • 4通道
  • +/- 10V、4-20mA输入
  • 兼容HART标准
  • 集成开路检测
PLC/DCS Quad Channel Voltage and Current Input Front End
CN0364 参考设计

PLC/DCS四通道电压和电流输入,兼容HART

特性和优点

  • 四通道电压和电流输入
  • 完全隔离
  • 兼容HART

Dual-Channel Colorimeter with Programmable Gain Transimpedance Amplifiers and Lock-In Amplifiers
CN0363 参考设计

带可编程增益跨阻放大器和数字同步检波功能的双通道色度计

特性和优点

  • 双通道RGB色度计
  • 高灵敏度、低噪声跨导放大器
  • 可编程增益TIA
  • 数字同步检波

CN0414
适合PLC/DCS应用的四通道模拟输入,支持开路检测并兼容HART
PLC/DCS Quad-Channel Voltage and Current Input Front End
EVAL-CN0414-ARDZ
EVAL-CN0414-ARDZ - Top View
EVAL-CN0414-ARDZ - Bottom View
Test Setup Functional Block Diagram
CN0364
PLC/DCS四通道电压和电流输入,兼容HART
PLC/DCS Quad Channel Voltage and Current Input Front End
EVAL-CN0364-SDPZ Evaluation Board
CN0363
带可编程增益跨阻放大器和数字同步检波功能的双通道色度计
Dual-Channel Colorimeter with Programmable Gain Transimpedance Amplifiers and Lock-In Amplifiers
EVAL-CN0363-PMDZ Evaluation Board
EVAL-CN0363-PMDZ Evaluation Board - Top View
EVAL-CN0363-PMDZ Evaluation Board - Bottom View

最新评论

需要发起讨论吗? 没有关于 ADG704的相关讨论?是否需要发起讨论?

在EngineerZone®上发起讨论

近期浏览