eshop-promo-banner

专为 ADI 中国客户提供的在线购买渠道
正品一片起售、人民币结算系统

点击查看详情

LTC3615

量产

双通道、4MHz、3A、同步降压型 DC/DC 转换器

产品技术资料帮助

ADI公司所提供的资料均视为准确、可靠。但本公司不为用户在应用过程中侵犯任何专利权或第三方权利承担任何责任。技术指标的修改不再另行通知。本公司既没有含蓄的允许,也不允许借用ADI公司的专利或专利权的名义。本文出现的商标和注册商标所有权分别属于相应的公司。

Viewing:

概述

  • 高效率:达 94%
  • 具 2 x 3A 输出电流能力的双路输出
  • 低输出纹波突发模式 (Burst Mode®) 操作:IQ = 130μA
  • 2.25V 至 5.5V 输入电压范围
  • ±1% 输出电压准确度
  • 输出电压低至 0.6V
  • 开关引脚上的可编程转换速率
  • 低压差操作:100% 占空比
  • 停机电流:≤1μA
  • 可调开关频率:高达 4MHz
  • 内部或外部补偿
  • 可选的脉冲跳跃 / 强制连续 / 具可调突发箝位的突发模式操作
  • 可任选的有源电压定位 (AVP) 和内部补偿
  • 通道之間的 0° / 90° / 180° (LTC3615) 或 140° / 180° 可選相移
  • 固定内部和可编程外部软起动
  • 准确的启动跟踪能力
  • DDR 存储模式的 IOUT = ±1.5A
  • 采用 4mm x 4mm QFN-24 封装和 TSSOP-24 封装

 

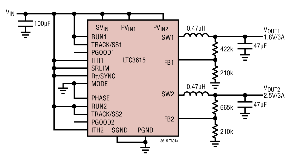
LTC®3615 / LTC3615-1 是一款双通道、3A、同步降压型稳压器,采用一种电流模式、恒定频率架构。DC 电源电流仅为 130μA (在无负载时执行突发模式操作),并保持了输出电压,在停机模式中降至零电流。2.25V 至 5.5V 的输入电源范围使器件非常适合于单节锂离子电池应用。100% 占空比能力可提供低压差操作,从而延长了电池供电式系统中的工作时间。

该器件的工作频率可在外部设置至高达 4MHz,因而允许使用小的表面贴装型电感器。在两个通道之间可以选择 0°、90° 或 180° (LTC3615) 或 140° / 180° (LTC3615-1) 相移,以在双通道 3A 或单通道 6A 输出配置中较大限度地减小输入电流纹波和输出电压纹波。可编程转换速率限制功能降低了 EMI,而且可运用高达 4MHz 的外部同步。

内部同步开关提升了效率,并免除了增设外部箝位二极管的需要,从而节省了外部组件和板级空间。

LTC3615 / LTC3615-1 采用无引线 24 引脚 4mm x 4mm QFN 封装和耐热性能增强型 24 引脚 TSSOP 封装。

 


应用

  • 负载点电源
  • 分布式电源
  • 便携式计算机系统
  • DDR 存储终端
  • 手持式设备

 

LTC3615
双通道、4MHz、3A、同步降压型 DC/DC 转换器
Efficiency and Power Loss vs Load Current Product Package 1 Product Package 2
添加至 myAnalog

将产品添加到myAnalog 的现有项目或新项目中(接收通知)。

创建新项目
提问

参考资料

了解更多
添加至 myAnalog

Add media to the Resources section of myAnalog, to an existing project or to a new project.

创建新项目

软件资源

找不到您所需的软件或驱动?

申请驱动/软件

硬件生态系统

部分模型 产品周期 描述
保护开关和控制器 1
LTC4365 推荐用于新设计 欠压、过压和电源反向保护控制器
电路监控器 1
LTC2960 推荐用于新设计 36V、纳安级电流、两输入电压监视器
电源系统管理(PSM)和时序控制器 1
LTC2974 推荐用于新设计 具有精确输出电流的4通道PMBus电源系统管理器
监控电路和复位器IC 1
LTC2935 量产 具电源故障输出、可选门限的超低功率监控器
Modal heading
添加至 myAnalog

将产品添加到myAnalog 的现有项目或新项目中(接收通知)。

创建新项目

工具及仿真模型

LTspice

LTspice®是一款强大高效的免费仿真软件、原理图采集和波形观测器,为改善模拟电路的仿真提供增强功能和模型。

LTpowerCAD

LTpowerCAD®是一种电源设计程序,它选择功率级元件,提供详细效率信息,显示快速环路波特图稳定性和负载瞬态分析,并可导出至LTspice进行仿真。


评估套件

eval board
DC1572A

LTC3615EFE Demo Board (TSSOP) | 2.25V ≤ VIN ≤ 5.5V, VOUT1 = 1.8V to 3.3V @ 3A, VOUT2 = 1.2V to 1.8V @ 3A

产品详情

Demonstration circuit 1572 is a dual output regulator consisting of two constant-frequency step-down converters, based on the LTC3615 dual channel monolithic synchronous buck regulator in the TSSOP exposed pad package. The DC1572 has an input voltage range of 2.25V to 5.5V, with each regulator capable of delivering up to 3A of output current.

eval board
DC1435A

LTC3615EUF Demo Board (QFN) | 2.25V ≤ VIN ≤ 5.5V, VOUT1 = 1.8V to 3.3V @ 3A, VOUT2 = 1.2V to 1.8V @ 3A

产品详情

Demonstration circuit 1435 is a dual output regulator consisting of two constant-frequency step-down converters, based on the LTC3615 dual channel monolithic synchronous buck regulator in the 4mm × 4mm QFN-24 package. The DC1435 has an input voltage range of 2.25V to 5.5V, with each regulator capable of delivering up to 3A of output current. The DC1435 can operate in Burst Mode®, pulse-skip or forced continuous mode. In shutdown, the DC1435 requires less than 100 uA total. The DC1435 is a very efficient circuit: over 90% for either circuit. The LTC3615 comes in a 24 Pin QFN or leaded package, which each having an exposed pad on the bottom-side of the IC for better thermal performance.

DC1572A
LTC3615EFE Demo Board (TSSOP) | 2.25V ≤ VIN ≤ 5.5V, VOUT1 = 1.8V to 3.3V @ 3A, VOUT2 = 1.2V to 1.8V @ 3A
DC1572A - Schematic
DC1435A
LTC3615EUF Demo Board (QFN) | 2.25V ≤ VIN ≤ 5.5V, VOUT1 = 1.8V to 3.3V @ 3A, VOUT2 = 1.2V to 1.8V @ 3A
DC1435A - Schematic

参考电路

Stratix V Advanced System Development Board
Stratix V Advanced System Development Board 参考设计

特性和优点

  • Analog Devices has worked closely with FPGA and processor manufacturers to develop verified power solutions that optimize cost, size and efficiency in high performance applications
  • Our reference designs are supported by an intuitive design tool set and IP
  • Our team can provide designs for quick prototypes that can speed time to market in the most complex applications
Stratix V Advanced System Development Board
Stratix V Advanced System Development Board
Stratix V Advanced System Development Board Block Diagram
Stratix V Advanced Systems Development Board Power Tree

最新评论

需要发起讨论吗? 没有关于 LTC3615的相关讨论?是否需要发起讨论?

在EngineerZone®上发起讨论

近期浏览