LTC2924

推荐用于新设计

四通道电源排序器

产品技术资料帮助

ADI公司所提供的资料均视为准确、可靠。但本公司不为用户在应用过程中侵犯任何专利权或第三方权利承担任何责任。技术指标的修改不再另行通知。本公司既没有含蓄的允许,也不允许借用ADI公司的专利或专利权的名义。本文出现的商标和注册商标所有权分别属于相应的公司。

Viewing:

概述

  • 可对 4 个电源进行完整的排序
    • 只需采用极少的外部电路即可实现对 6 个电源的排序
  • 可通过级联来实现对更多电源的排序
  • 以上电序列相反的顺序来关断电源或同时关断电源
  • 充电泵用于驱动外部 MOSFET
  • 可在未采用外部上拉电阻器的情况下驱动电源停机引脚
  • 10µA 输出电流实现了电源的软启动
  • 用于表示上电和断电完成的指示器
  • 电源之间的可调延时
  • 电源良好定时器
  • 电源电压监视以及电源排序错误检测和报告
  • 采用 16 引脚窄式 SSOP 封装

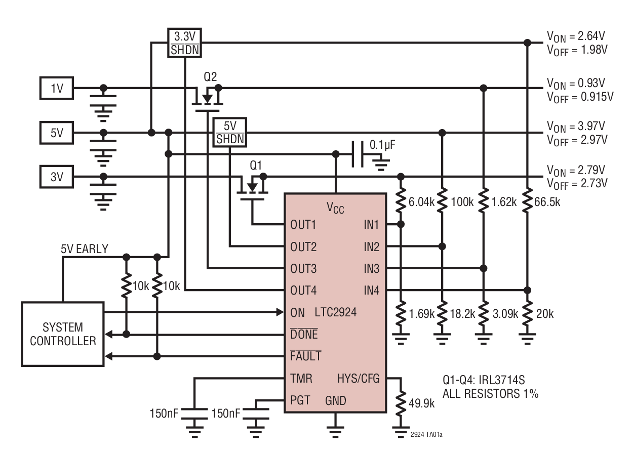
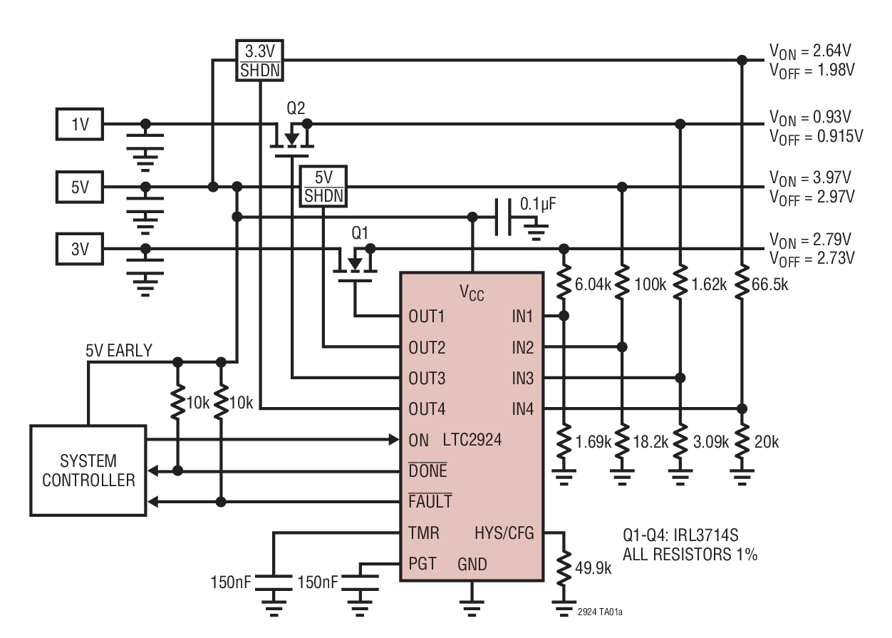
LTC®2924 是一款电源排序器,它利用外部 N 沟道 MOSFET 或电源停机引脚工作。单个 LTC2924 可对 4 个电源进行完整的排序,而且,还能够将多达 5 个电源与第 6 个主电源进行排序。LTC2924 需要的外部组件极少,每个排序电源只采用两个反馈电阻器,并采用单个电阻器来设定迟滞。

一个内部调节的充电泵负责为外部逻辑电路和亚逻辑电平 MOSFET 提供栅极驱动电压。增设一个电容器便可在上电和断电排序期间在各电源之间实现可调延时。可以增设第二个电容器来使能电源良好定时器,用于对任何未能在选定的时间之内接通的电源进行检测。电源排序和控制输入中的错误将被检出并在 FAULT 输出端上予以通告。LTC2924 具有精准的输入比较器,该比较器可提供 1% 的电源电压监测准确度。

事实上,可以容易地通过多个 LTC2924 的级联来对数目不限的电源进行排序。


Applications

  • 用于具有多个 I/O 和内核电压的 ASIC 的排序电源
  • 具有多个电源的系统中的锁断保护

LTC2924
四通道电源排序器
Power-Up Sequence Product Package 1 Power-Down Sequence
添加至 myAnalog

将产品添加到myAnalog 的现有项目或新项目中(接收通知)。

创建新项目
提问

参考资料

了解更多
添加至 myAnalog

Add media to the Resources section of myAnalog, to an existing project or to a new project.

创建新项目

软件资源

找不到您所需的软件或驱动?

申请驱动/软件

硬件生态系统

部分模型 产品周期 描述
电源系统管理(PSM)和时序控制器 1
LTC2974 推荐用于新设计 具有精确输出电流的4通道PMBus电源系统管理器
Modal heading
添加至 myAnalog

将产品添加到myAnalog 的现有项目或新项目中(接收通知)。

创建新项目

工具及仿真模型

LTspice


LTspice中提供以下器件型号:

  • LTC2924
LTspice

LTspice®是一款强大高效的免费仿真软件、原理图采集和波形观测器,为改善模拟电路的仿真提供增强功能和模型。


评估套件

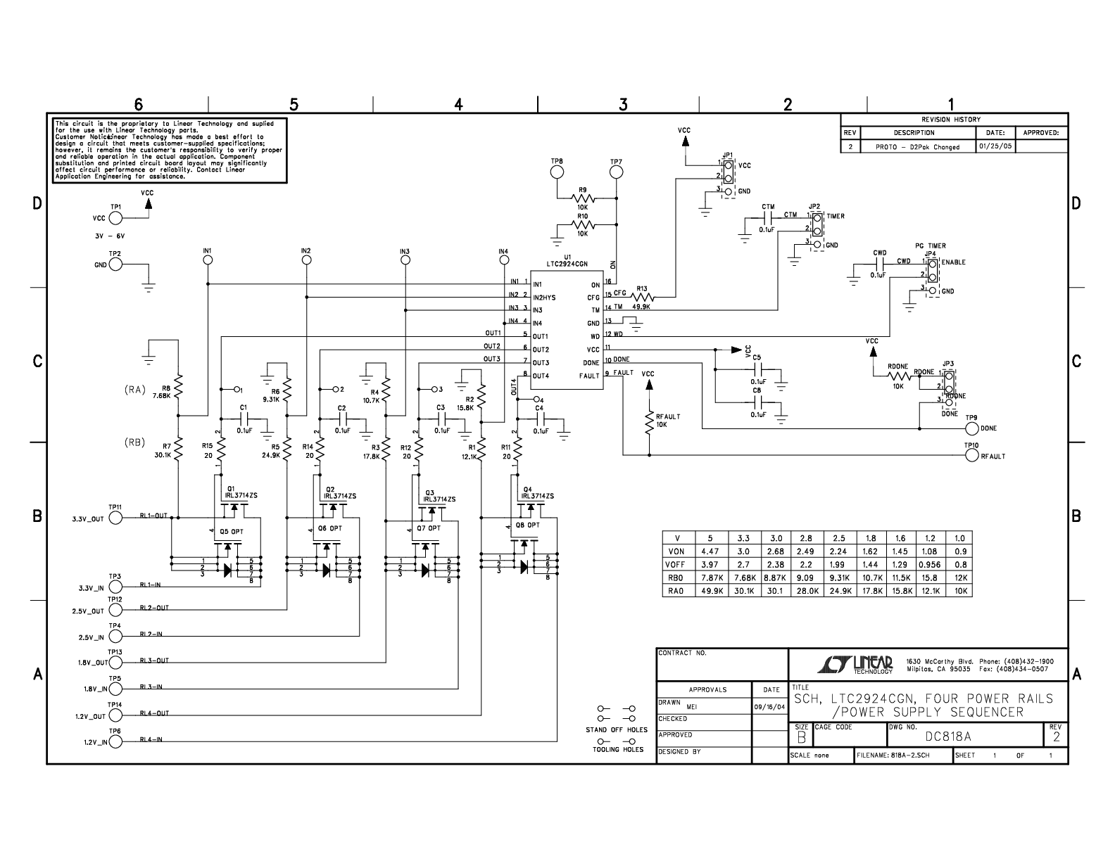
DC818A
LTC2924四通道电源时序控制器
DC818A - Schematic

参考电路

DE10-PRO Stratix 10 Accelerator 参考设计

特性和优点

  • Stratix® 10 GX/SX FPGA. FPGA Fabric Speed Grade: -2/ XCVR Speed Grade : -1
  • Full-height, 3/4-length form-factor package
  • Allows ultra-low-latency, straight connections to 4 external 100G QSFP28 modules
  • High-speed parallel Flash memory
  • PCIe Gen3 x16
  • With 2x5 timing expansion header for 1pps or other high precision clock inputs
  • 4 independent banks of DDR4 SO-DIMM sockets with error correction code (ECC), up to 8GB@1200MHz for each socket (paired flexibly with Terasic’s 576-Mbit QDR-II+ or 144-Mbit QDR-IV modules)
DE10-PRO Stratix 10 Accelerator

最新评论

需要发起讨论吗? 没有关于 LTC2924的相关讨论?是否需要发起讨论?

在EngineerZone®上发起讨论

近期浏览