文档
-
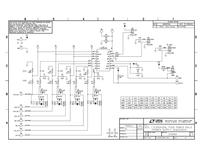
DC818A - Schematic2009/9/24PDF108K
-
DC818A - Demo Manual2009/9/24PDF181K
-
DC818A - Design File2009/9/24ZIP743K
