LT1976

量产

具 100μA 静态电流的高电压、1.5A、200kHz 降压型开关稳压器

产品技术资料帮助

ADI公司所提供的资料均视为准确、可靠。但本公司不为用户在应用过程中侵犯任何专利权或第三方权利承担任何责任。技术指标的修改不再另行通知。本公司既没有含蓄的允许,也不允许借用ADI公司的专利或专利权的名义。本文出现的商标和注册商标所有权分别属于相应的公司。

Viewing:

概述

  • 宽输入范围:3.3V 至 60V
  • 1.5A 峰值开关电流 (LT1976)
  • 100μA 静态电流 (LT1976)
  • 1.6mA 静态电流 (LT1976B)
  • 低停机电流:IQ < 1μA
  • 具可编程门限的电源良好标记
  • 抛负载保护至 60V
  • 200kHz 开关频率
  • 饱和开关设计:0.2Ω 导通电阻
  • 在整个占空比范围内保持了峰值开关电流
  • 1.25V 反馈基准电压
  • 可容易地实现同步
  • 软启动能力
  • 小外形 16 引脚耐热性能增强型 TSSOP 封装

LT®1976 / LT1976B 是 200kHz、单片式、降压型开关稳压器,可接受高达 60V 的输入电压。一个高效率 1.5A、0.2Ω 开关与所有必需的振荡器、控制器和逻辑电路一起内置于芯片之中。电流模式拓扑用于实现快速瞬态响应和优良的环路稳定性。

这些器件运用了创新的设计方法和一种新型高电压制造工艺,可在一个宽输入范围内实现高效率。通过在低电流条件下采用突发模式 (Burst Mode®) 操作、使用输出对内部电路施加偏置、以及利用一个电源升压电容器使电源开关完全饱和,在一个宽输出电流范围内维持了效率。LT1976B 在低电流时并不转入突发模式操作,因而消除了低频输出纹波,代价是效率有所下降。采用的专利电路在整个占空比范围内保持了峰值开关电流。停机模式将输入电源电流减低至 <1μA。可利用逻辑电平输入驱动 SYNC 引脚以实现外部同步。连接在 CSS 引脚和输出之间的单个电容器负责提供一个受控的输出电压斜坡上升 (软启动)。另外,这两款器件还有一个具可编程门限和超时的电源良好标记以及热停机保护功能。

LT1976 / LT1976B 采用具裸露衬垫引线框架的 16 引脚 TSSOP 封装,旨在实现低热阻。


Applications

  • 高电压电源转换
  • 14V 和 42V 汽车系统
  • 工业电源系统
  • 分布式电源系统
  • 电池供电型系统

LT1976
具 100μA 静态电流的高电压、1.5A、200kHz 降压型开关稳压器
14V to 3.3V Step-Down Converter with 100μA No Load Quiescent Current LT1976 Supply Current vs Input Voltage Product Package 1 LT1976 Efficiency and Power Loss vs Load Current
添加至 myAnalog

将产品添加到myAnalog 的现有项目或新项目中(接收通知)。

创建新项目
提问

参考资料

了解更多
添加至 myAnalog

Add media to the Resources section of myAnalog, to an existing project or to a new project.

创建新项目

软件资源

找不到您所需的软件或驱动?

申请驱动/软件

硬件生态系统

部分模型 产品周期 描述
保护开关和控制器 1
LT4363 推荐用于新设计 具电流限制功能的高电压浪涌抑制器
电路监控器 1
LTC2960 推荐用于新设计 36V、纳安级电流、两输入电压监视器
振荡器 2
LTC6909 量产 采用扩频调制、可提供 1 至 8 个输出的多相硅振荡器
LTC6930 量产 32.768kHz 至 8.192MHz 精准微功率振荡器
Modal heading
添加至 myAnalog

将产品添加到myAnalog 的现有项目或新项目中(接收通知)。

创建新项目

工具及仿真模型

LTspice

LTspice®是一款强大高效的免费仿真软件、原理图采集和波形观测器,为改善模拟电路的仿真提供增强功能和模型。


评估套件

eval board
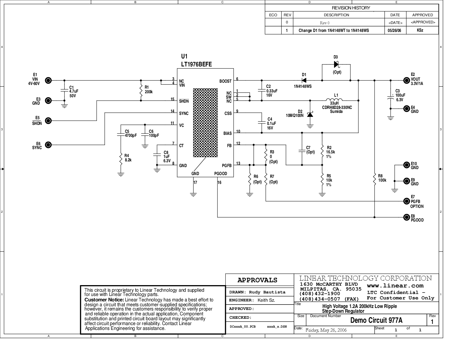
DC977A

LT1976BEFE演示板 | 200kHz,非突发模式,4V ≤ VIN ≤ 60V,3.3VOUT(1A)

产品详情

演示电路977是一款单芯片降压型DC/DC开关转换器,内置LT1976B。LT1976B是LT1976 IC的非突发模式版本。LT1976B可在零负载下工作(无突发模式),从而在满载电流范围内提供非常低的纹波输出。该板经过优化,对于4V至60V的输入电压范围,可提供3.3V输出,负载电流高达1A。最小导通时间限制和3.3V输出可将稳态最大输入电压(超过此电压会发生跳脉冲)限制为42V。

eval board
DC481A

LT1976IFE演示板 | 200kHz,4V ≤ VIN ≤ 60V, 3.3VOUT (1A)

产品详情

演示电路481是一款单芯片降压型DC/DC开关转换器,内置LT1976。该板经过优化,对于4V至60V的输入电压范围,可提供3.3V输出,负载电流高达1A。最小导通时间限制和3.3V输出可能会在发生跳脉冲之前将稳态最大输入电压限制为42V(对于某些板高达47V)。

DC977A
LT1976BEFE演示板 | 200kHz,非突发模式,4V ≤ VIN ≤ 60V,3.3VOUT(1A)
DC977A - Schematic
DC481A
LT1976IFE演示板 | 200kHz,4V ≤ VIN ≤ 60V, 3.3VOUT (1A)
DC481A Demo Board DC481A Demo Board DC481A Demo Board DC481A Demo Board DC481A - Schematic

最新评论

需要发起讨论吗? 没有关于 LT1976的相关讨论?是否需要发起讨论?

在EngineerZone®上发起讨论

近期浏览