概览
产品详情
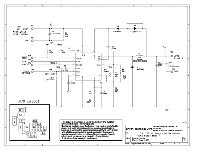
演示电路481是一款单芯片降压型DC/DC开关转换器,内置LT1976。该板经过优化,对于4V至60V的输入电压范围,可提供3.3V输出,负载电流高达1A。最小导通时间限制和3.3V输出可能会在发生跳脉冲之前将稳态最大输入电压限制为42V(对于某些板高达47V)。
相关产品
文档
-
DC481A - Schematic2009/9/24PDF90K
-
DC481A - Demo Manual2009/9/24PDF583K
-
DC481A - Design File2009/9/24ZIP515K




