概览
产品详情
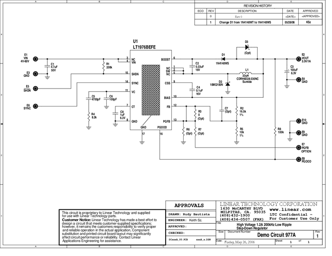
演示电路977是一款单芯片降压型DC/DC开关转换器,内置LT1976B。LT1976B是LT1976 IC的非突发模式版本。LT1976B可在零负载下工作(无突发模式),从而在满载电流范围内提供非常低的纹波输出。该板经过优化,对于4V至60V的输入电压范围,可提供3.3V输出,负载电流高达1A。最小导通时间限制和3.3V输出可将稳态最大输入电压(超过此电压会发生跳脉冲)限制为42V。
相关产品
文档
-
DC977A - Schematic2009/9/24PDF55K
-
DC977A - Demo Manual2009/9/24PDF516K
-
DC977A - Design File2009/9/24ZIP531K
