LTC3859A
量产低 IQ、三输出降压/升降压同步控制器,具有改进的 Burst Mode 操作
- 产品模型
- 16
概述
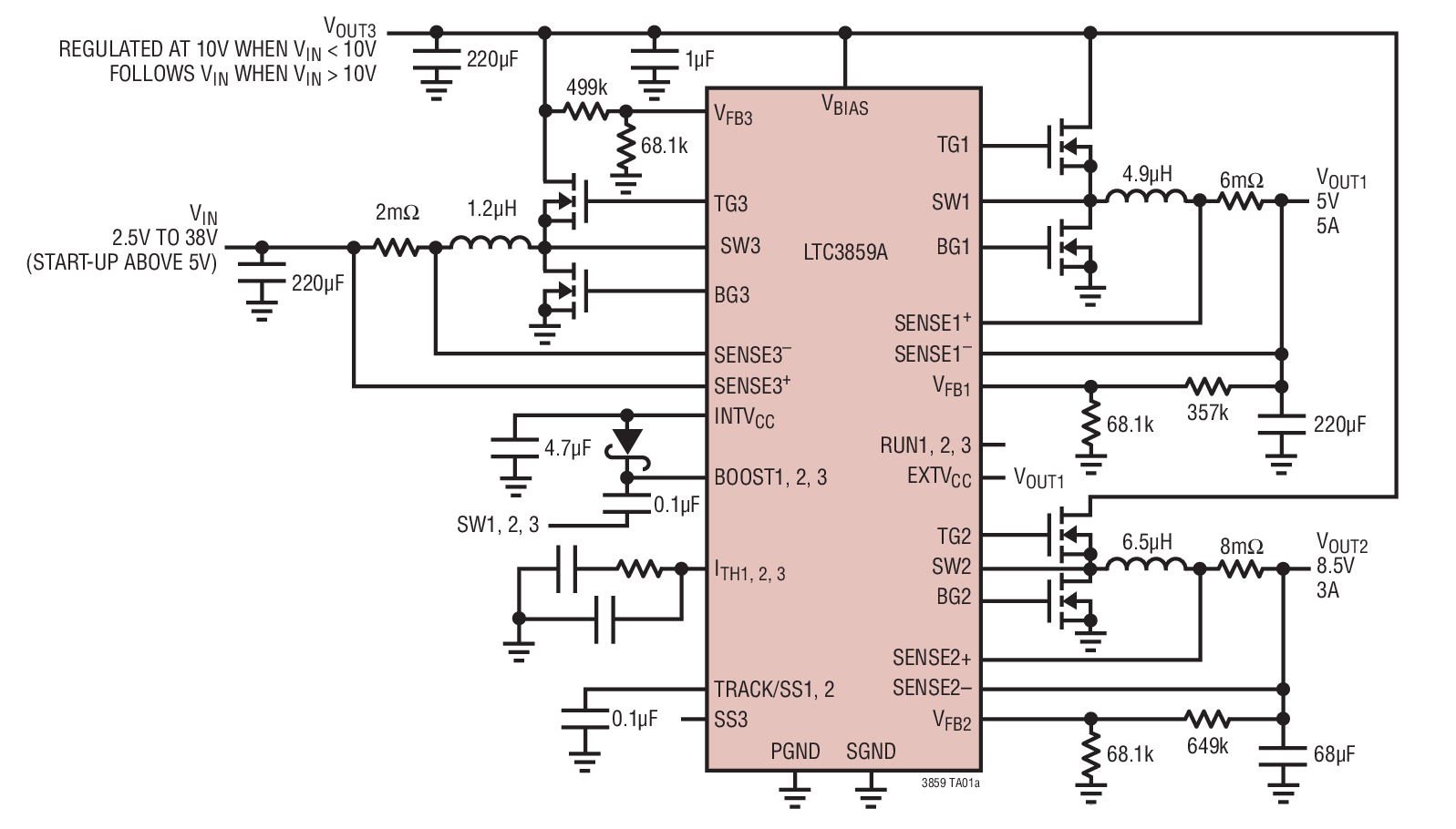
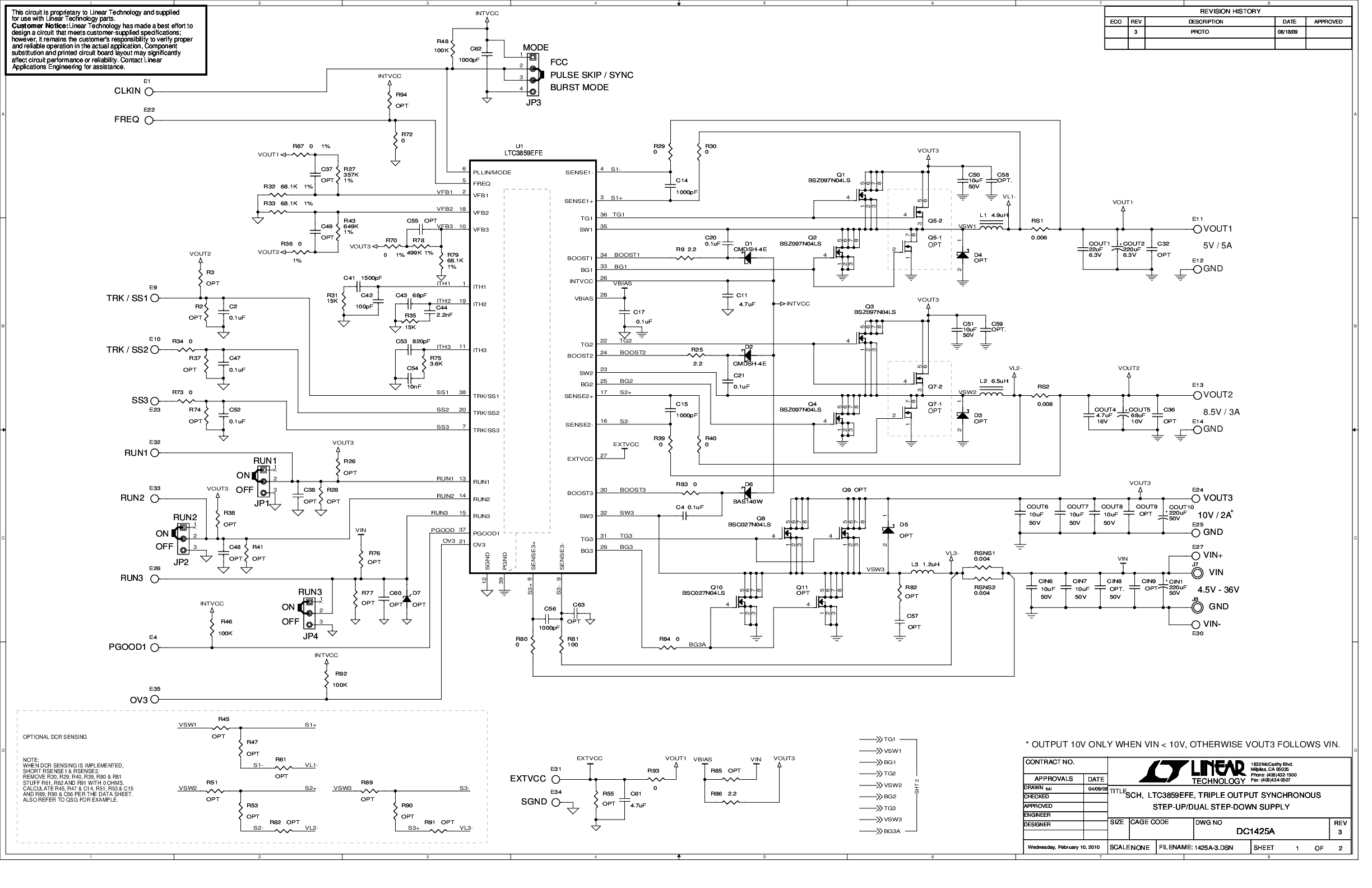
- 双降压加单升压同步控制器
- 通过低至 2.5V 的冷启动,输出保持稳定
- 低工作 IQ:55μA(一个通道接通)
- 宽偏置输入电压范围:4.5V 至 38V
- 降压型输出电压范围:0.8V ≤ VOUT ≤ 24V
- 升压输出电压高达 60V
- RSENSE 或 DCR 电流检测
- 适用于升压同步 MOSFET 的 100% 占空比,即使在 Burst Mode® 操作时
- 可锁相频率(75kHz 至 850kHz)
- 可编程固定频率(50kHz 至 900kHz)
- 轻负载时可选择连续、脉冲跳跃或低纹波 Burst Mode 操作
- 极低降压工作压差:99% 占空比
- 可调输出电压软启动或跟踪
- 低关断 IQ:14μA
- 小型 38 引脚 5mm × 7mm QFN 和 TSSOP 封装
LTC3859A 是一款高性能三输出(降压/升降压)同步 DC/DC 开关稳压器控制器,可驱动全部 N 通道功率 MOSFET 级。恒定频率电流模式架构允许高达 850kHz 的可锁相开关频率。LTC3859A 在 4.5V 至 38V 的宽输入电源范围内工作。当偏离升压转换器的输出或其他辅助电源时,LTC3859A 可在启动后以低至 2.5V 的输入电源电压运行。
55μA 空载静态电流可延长电池供电系统的运行时间。OPTI-LOOP 补偿可以在较大的输出电容和 ESR 值范围内优化瞬态响应。LTC3859A 具有针对降压的精确的 0.8V 基准电压、针对升压的 1.2V 基准电压,以及电源正常输出指示器。轻负载时,PLLIN/MODE 引脚选择以 Burst Mode 操作、脉冲跳跃模式或连续电感器电流模式操作。
相较于 LTC3859,LTC3859A 的升压控制器提高了当输入电压高于稳压输出电压时 Burst Mode 操作的性能。
| 静态电流 (Burst Mode) | 注意 | |
| LTC3859AL | 28μA - 一个通道接通,降压型 38μA - 三个通道全部接通 |
INTVCC 引脚上的内箝位 |
| LTC3859A | 55μA - 一个通道接通,降压型 80μA - 三个通道全部接通 |
INTVCC 引脚上的内箝位。对于新设计,我们建议使用 LTC3859AL |
| LTC3859 | 55μA - 一个通道接通,降压型 80μA - 三个通道全部接通 |
对于新设计,我们建议使用 LTC3859AL |
应用
- 汽车始终开启系统和启停系统
- 电池供电的数字设备
- 分布式直流电源系统
- 多输出升降压应用
参考资料
数据手册 1
用户手册 1
技术文章 1
ADI 始终高度重视提供符合最高质量和可靠性水平的产品。我们通过将质量和可靠性检查纳入产品和工艺设计的各个范围以及制造过程来实现这一目标。出货产品的“零缺陷”始终是我们的目标。查看我们的质量和可靠性计划和认证以了解更多信息。
| 产品型号 | 引脚/封装图-中文版 | 文档 | CAD 符号,脚注和 3D模型 |
|---|---|---|---|
| LTC3859AEFE#PBF | 38-Lead TSSOP w/ EP | ||
| LTC3859AEFE#TRPBF | 38-Lead TSSOP w/ EP | ||
| LTC3859AEUHF#PBF | 38-Lead QFN (5mm x 7mm w/ EP) | ||
| LTC3859AEUHF#TRPBF | 38-Lead QFN (5mm x 7mm w/ EP) | ||
| LTC3859AHFE#PBF | 38-Lead TSSOP w/ EP | ||
| LTC3859AHFE#TRPBF | 38-Lead TSSOP w/ EP | ||
| LTC3859AHUHF#PBF | 38-Lead QFN (5mm x 7mm w/ EP) | ||
| LTC3859AHUHF#TRPBF | 38-Lead QFN (5mm x 7mm w/ EP) | ||
| LTC3859AIFE#PBF | 38-Lead TSSOP w/ EP | ||
| LTC3859AIFE#TRPBF | 38-Lead TSSOP w/ EP | ||
| LTC3859AIUHF#PBF | 38-Lead QFN (5mm x 7mm w/ EP) | ||
| LTC3859AIUHF#TRPBF | 38-Lead QFN (5mm x 7mm w/ EP) | ||
| LTC3859AMPFE#PBF | 38-Lead TSSOP w/ EP | ||
| LTC3859AMPFE#TRPBF | 38-Lead TSSOP w/ EP | ||
| LTC3859AMPUHF#PBF | 38-Lead QFN (5mm x 7mm w/ EP) | ||
| LTC3859AMPUHF#TRPBF | 38-Lead QFN (5mm x 7mm w/ EP) |
| 产品型号 | 产品生命周期 | PCN |
|---|---|---|
|
5月 18, 2026 - 26_0072 Epoxy Change for Select TSSOP Products |
||
| LTC3859AEFE#PBF | 量产 | |
| LTC3859AEFE#TRPBF | 量产 | |
| LTC3859AHFE#PBF | 量产 | |
| LTC3859AHFE#TRPBF | 量产 | |
| LTC3859AIFE#PBF | 量产 | |
| LTC3859AIFE#TRPBF | 量产 | |
| LTC3859AMPFE#PBF | 量产 | |
| LTC3859AMPFE#TRPBF | 量产 | |
|
4月 6, 2022 - 22_0068 Laser Top Mark for ETSSOP and TSSOP Packages Assembled in ADPG [PNG] and UTL |
||
| LTC3859AEFE#PBF | 量产 | |
| LTC3859AEFE#TRPBF | 量产 | |
| LTC3859AHFE#PBF | 量产 | |
| LTC3859AHFE#TRPBF | 量产 | |
| LTC3859AIFE#PBF | 量产 | |
| LTC3859AIFE#TRPBF | 量产 | |
| LTC3859AMPFE#PBF | 量产 | |
| LTC3859AMPFE#TRPBF | 量产 | |
|
7月 31, 2020 - 20_0245 Notification of Wafer Fab Location Change for 0.6µm BICMOS Process Devices from ADI Milpitas (Hillview) to Vanguard Int. (Taiwan) |
||
| LTC3859AEFE#PBF | 量产 | |
| LTC3859AEFE#TRPBF | 量产 | |
| LTC3859AEUHF#PBF | 量产 | |
| LTC3859AEUHF#TRPBF | 量产 | |
| LTC3859AHFE#PBF | 量产 | |
| LTC3859AHFE#TRPBF | 量产 | |
| LTC3859AHUHF#PBF | 量产 | |
| LTC3859AHUHF#TRPBF | 量产 | |
| LTC3859AIFE#PBF | 量产 | |
| LTC3859AIFE#TRPBF | 量产 | |
| LTC3859AIUHF#PBF | 量产 | |
| LTC3859AIUHF#TRPBF | 量产 | |
| LTC3859AMPFE#PBF | 量产 | |
| LTC3859AMPFE#TRPBF | 量产 | |
| LTC3859AMPUHF#PBF | 量产 | |
| LTC3859AMPUHF#TRPBF | 量产 | |
这是最新版本的数据手册
软件资源
找不到您所需的软件或驱动?
申请驱动/软件硬件生态系统
工具及仿真模型
LTspice
LTspice中提供以下器件型号:
- LTC3859
- LTC3859AL
LTpowerCAD
LTpowerCAD中提供以下器件的设计工具:
- LTC3859AL(BOOST)
- LTC3859AL(BUCK)
LTspice®是一款强大高效的免费仿真软件、原理图采集和波形观测器,为改善模拟电路的仿真提供增强功能和模型。
评估套件
最新评论
需要发起讨论吗? 没有关于 LTC3859A的相关讨论?是否需要发起讨论?
在EngineerZone®上发起讨论