概览
设计资源
评估硬件
产品型号带"Z"表示符合RoHS标准。评估此电路需要下列选中的电路板
- EVAL-CN0229-SDPZ ($101.65) 4-Channel, Flexible, Configurable, Voltage, and Current Output Circuit for I/O Card and PLC Applications
- EVAL-SDP-CB1Z ($116.52) Eval Control Board
器件驱动器
软件(如C代码和/或FPGA代码等)用于与元件的数字接口通信。
AD5686 GitHub Linux Driver Source Code (SPI)
AD5686 GitHub Linux Driver Source Code (SPI)
优势和特点
- 四通道电流和电压输出
- 用于PLC系统的16位分辨率
- 实现应用的数字隔离
产品类别
领域和技术
所用产品
参考资料
-
CN0229 Software User Guide2018/10/18WIKI
-
数据转换手册2013/5/28
-
MT-101:去耦技术2013/11/5PDF954 kB
-
MT-031: Grounding Data Converters and Solving the Mystery of "AGND" and "DGND"2009/3/20PDF144 kB
-
CN0229:用于I/O卡和PLC应用的4通道、灵活、可配置、电压和电流输出电路2012/6/13PDF384 kB
-
新
AN-0971: iso Power器件的辐射控制建议2020/7/3
电路功能与优势
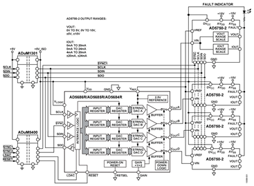
图1所示电路是一种仅使用两个模拟器件的多通道、灵活的模拟输出解决方案,它满足多通道I/O卡、可编程逻辑控制器(PLC)和分布式控制系统(DCS)应用的大部分要求。具有轨到轨缓冲输出的四通道、16位nanoDAC+ AD5686R 配合四个工业电流/电压输出驱动器 AD5750-2 使用,可提供所有典型的电流和电压范围的输出,其具有16位分辨率且无失码、0.05%的线性度以及小于0.1%的输出误差。
AD5686R集成了一个具有高驱动能力(最高±5 mA)、超低漂移(2 ppm/°C,典型值)的2.5 V基准电压源,能够同时为AD5686R和AD5750-2提供基准电压,确保电路的低噪声、高精度、低温漂。
ADuM1301 和 ADuM5400 对电源和模拟信号链与主控制器之间的所有必要信号提供2500 V rms隔离。
对于需要4个以上通道的多通道I/O卡应用,多个AD5686R可以菊花链形式连接,且不需要额外的外部数字I/O电路。这样使成本降到较低限度,特别是对于高通道数隔离应用。
该电路还具有一些针对工业应用的关键特性,如片内输出故障检测、通过CRC执行分组差错检验(PEC)、灵活的上电选项和ESD保护(AD5686R为4 kV,人体模型,AD5750-2为3 kV,人体模型),非常适合构建鲁棒工业控制系统。在大批量生产中,它无需外部精密电阻或校准程序就能保持一致的性能,因而是PLC或DCS模块的理想选择。

电路描述
AD5750/AD5750-1/AD5750-2是单通道、低成本、精密电压/电流输出驱动器,设计用于满足工业过程控制应用的需要。输出电压范围可以针对PLC和DCS应用的标准输出范围进行编程:0 V至5 V、0 V至10 V、−5 V至+5 V和−10 V至+10 V。针对标准范围,还提供了20%的超范围设置,由此便可得到下列选项:0 V至+6 V、0 V至+12 V、-6 V至+6 V和-12 V至+12 V。
电流输出通过单独的引脚提供,可以编程为以下范围:+4 mA至+20 mA、0 mA至+20 mA、−20 mA至+20 mA、0 mA至+24 mA和−24 mA至+24 mA。单极性范围具有2%的超范围设置。
由于AD5750/AD5750-1/AD5750-2的电流输出既可以是源电流,也可以是吸电流,因此它能与广泛的传感器或执行器接口。如果需要,可以将电压和电流输出引脚连接在一起,以便将系统配置为单通道输出。
一般而言,电流输出电路需要至少一个精密电阻,用于电流检测。电路的电流精度和温度漂移特性部分取决于电阻和基准电压。AD5750/AD5750-1/AD5750-2集成了高精度、低漂移电阻,如果需要还可以使用外部电阻。要提高输出电流在全温度范围内的稳定性,方法之一是在AD5750/AD5750-1/AD5750-2的REXT1和REXT2引脚连接一个外部低漂移电阻来替代内部电阻。外部电阻通过输入移位寄存器进行选择。如果不使用外部电阻选项,REXT1和REXT2引脚应保持悬空。
AD5686R是一款四通道、16位、轨到轨电压缓冲输出nanoDAC+,片内集成一个典型值为2 ppm/°C(最大值为5 ppm/°C)的2.5 V基准电压源。片内基准电压源可驱动所有四个AD5750-2的基准输入,具有0.05 Ω的低输出阻抗,源电流和吸电流最高可达5 mA。AD5686R内置一个上电复位电路,确保DAC输出上电至0 V并保持该电平,直到执行一次有效的写操作为止。
AD5686R DAC与AD5750-2驱动器之间的接口简单,无需外部基准电压源或精密电阻。AD5686R的输出电压范围是0 V到2.5 V,与AD5750-2的输入范围匹配。此外,AD5686R的基准输出电压为2.5 V,与AD5750-2的基准输入要求完全匹配。
ADuM1301是一款三通道数字隔离器。ADuM5400是一款四通道数字隔离器,集成了一个隔离式DC/DC转换器。它们均基于iCoupler®技术,用来在信号链与系统微控制器之间实现隔离,隔离额定值为2.5 kV rms。ADuM5400为副边的5 V电路提供5 V隔离电源。
用于PLC和DCS应用的器件所需的ESD保护和过压保护一般远高于通常的推荐要求。AD5686R和AD5750-2的各引脚内置ESD保护二极管,可以防止4 kV (AD5686R)和3 kV (AD5750-2)电压瞬变(人体模型)损害器件。但是,工业控制环境可能会使I/O电路遭受高得多的电压瞬变。
使用外部54 V、600 W瞬变电压抑制器(TVS)作为增强ESD保护的第一级。在AD5750-2的VSENSE+和VSENSE−引脚上放置一个串联1 kΩ、0.5 W电阻的肖特基功率二极管,在VOUT和IOUT引脚上放置50 mA、30 V自恢复保险丝。这些保护电路置于 EVAL-CN0229-SDPZ 电路板中,以提供50 V过压保护和50 mA过流保护。图1的原理示意图未显示可选的外部保护电路,但可以在CN0229设计支持包的详细原理图(EVAL-CN0229-SDPZ-PADSSchematic pdf文件) 中找到: https://www.analog.com/CN0229-DesignSupport
本电路必须构建在具有较大面积接地层的多层电路板(PCB)上。为实现优质系统性能和低EMI,请采用适当的布局、接地和去耦技术(请参考 指南MT-031——实现数据转换器的接地并解开AGND和DGND的谜团 以及 指南MT-101——去耦技术)。
测量
对于PLC、DCS和其它过程控制系统,积分非线性(INL)、微分非线性(DNL)和输出误差是重要的性能指标。AD5750-2具有非常灵活并且可配置的输出范围,可以满足应用需要。该电路的INL、DNL和输出误差测量结果分别如图2、图3和图4所示。数据是在25°C时在电压输出模式下获得的。AD5750-2范围设置为0 V至5 V。所有其它范围的测试结果如表1所列。



| 范围 | 电流检测电阻 |
INL (LSB) | 线性度 (%FSR) | 输出误差 (%FSR) |
| 0V to +5V |
无关 |
1.3 | 0.002 | 0.01 |
| 0V to +10V |
无关 | 1.1 | 0.002 | 0.02 |
| -5V to +5V |
无关 | 1.4 | 0.002 | 0.02 |
| -10V to +10V |
无关 | 1.2 | 0.002 | 0.02 |
| 0V to +6V |
无关 | 1.9 | 0.003 | 0.02 |
| 0V to +12V |
无关 | 1.4 | 0.002 | 0.05 |
| -6V to +6V |
无关 | 1.3 | 0.002 | 0.03 |
| -12V to +12V |
无关 | 1.7 | 0.003 | 0.05 |
| -2.5V to +2.5V | 无关 | 1.3 | 0.002 | 0.03 |
| +4mA to +20mA |
内部 | 5.3 | 0.008 | 0.07 |
| 0mA to +20mA | 内部 | 4.2 | 0.006 | 0.06 |
| 0mA to +24mA | 内部 | 2.9 | 0.004 | 0.05 |
| -20mA to +20mA | 内部 | 5.4 | 0.008 | 0.02 |
| -24mA to +24mA | 内部 | 3.9 | 0.006 | 0.02 |
| +4mA to +20mA | 外部 | 2.0 | 0.003 | 0.04 |
| 0mA to +20mA | 外部 | 1.7 | 0.003 | 0.04 |
| 0mA to +24mA | 外部 | 1.6 | 0.002 | 0.04 |
| -20mA to +20mA | 外部 | 3.7 | 0.006 | 0.03 |
| -24mA to +24mA | 外部 | 4.4 | 0.007 | 0.03 |
| +3.92mA to +20.4mA | 内部 | 1.7 | 0.014 | 0.11 |
| 0mA to +20.4mA | 内部 | 2.9 | 0.006 | 1.86 |
| 0mA to +24.5mA | 内部 | 2.5 | 0.005 | 0.30 |
表1所示测试结果是在25°C下使用EVAL-CN0229-SDPZ电路板的第一通道得到的,使用Agilent E3631A直流电源供电,利用Agilent 34401A数字万用表测得的。
注意,客户需要调整输出范围3.92 mA至20.4 mA、0 mA至20.4 mA和0 mA至24.5 mA,以便与4 mA至20 mA、0 mA至20 mA和0 mA至24 mA范围完全匹配。0 mA至20.4 mA范围下的1.86% FSR输出误差包括增益误差,增益误差由客户通过校准轻松消除。
以GND为参考,有一个约10 mV的低死区。所有线性测试结果使用一个缩减的数据范围256到65,535计算。对于3.92 mA至20.4 mA、0 mA至20.4 mA和0 mA至24.5 mA,低死区大于其他标准范围,被测量数据范围1000到65,535。
常见变化
AD5685R (14位)和AD5684R (12位)与AD5686R引脚兼容,适合不需要16位分辨率的应用。
对于需要通道间隔离的应用,单通道DAC(例如16位的AD5660 、14位的AD5640 和12位的 AD5620 是较好的选择。
对于单通道应用,详情参见 CN-0202、 CN-0203和 CN-0204 电路笔记。
AD5623R (12位)、AD5643R(14位)和AD5663R(16位)是双通道nanoDAC,AD5624R (12位)、AD5644R (14位)和AD5664R (16位)是四通道nanoDAC器件,均适合多通道应用。AD5628/AD5648/AD5668 是八通道12/14/16位SPI电压输出denseDAC,片内集成5 ppm/°C基准电压源。
AD5750和AD5750-1驱动器与AD5750-2引脚兼容。AD5750在4.096 V基准电压下可接受0 V至4.096 V的输入。AD5750-1在1.25 V基准电压下可接受0 V至2.5 V的输入。AD5751是单极性模拟输出驱动器,使用50 V AVDD电源时,可以提供40 V输出。
电路评估与测试
设备要求(可以用同等设备代替)
- 系统演示平台(EVAL-SDP-CB1Z)
- CN-0229电路评估板 (EVAL-CN0229-SDPZ)
- CN-0229评估软件
- Agilent 34401A 6.5数字万用表
- Agilent E3631A 0 V至~6 V/5 A ±25 V/1 A三路输出直流电源
- 带USB接口的PC(Windows® 2000或Windows XP)
- National Instruments GPIB转USB-B接口和连接线
开始使用
将CN-0229评估软件光盘放入PC的光盘驱动器,加载评估软件。打开My Computer(我的电脑),找到包含评估软件光盘的驱动器,打开Readme 文件。按照Readme文件中的说明安装和使用评估软件。
功能框图
图5所示为测试设置的功能框图。EVAL-CN0229-PADSSchematic pdf文件包含CN-0229评估板的详细电路原理图。此文件位于CN-0229设计支持包中:http://www.analog.com/CN0229-DesignSupport
设置
EVAL-CN0229-SDPZ电路板上的120引脚连接器连接到EVAL-SDP-CB1Z (SDP)评估板上的CON A或CON B连接器。使用尼龙五金配件,通过120引脚连接器两端的孔牢牢固定这两片板。将直流输出电源成功设置为+15 V、−15 V和+6 V输出后,关闭电源。
在断电情况下,将一个+15 V电源连接到CN1的+15 V引脚,将一个−15 V电源连接到CN1的−15 V引脚,将GND连接到CN1的GND引脚。以同样方式将+6 V连接到CN2。接通电源,然后使用USB电缆连接SDP板和PC上的USB端口。注意:接通EVAL-CN0229-SDPZ的直流电源之前,请勿将该USB电缆连接到SDP板上的微型USB连接器。

| 跳线¹ | 描述 | 设置 | 功能 |
| JPG1_[CH] |
VSENSE+设置 | 短路 |
通道[CH]的VSENSE+与VOUT内部短接[CH] |
| 开路 | 通道[CH]的VSENSE+与VOUT无内部连接。 |
||
| JPG2_[CH] | VSENSE-设置 | 短路 | 通道[CH]的VSENSE−与GND内部短接 |
| 开路 | 通道[CH]的VSENSE−与VOUT无内部连接 | ||
| JPG3_[CH] |
VOUT 和IOUT引脚短路 |
短路 |
通道[CH]的VOUT和IOUT短接在一起 |
| 开路 |
通道[CH]的VOUT和IOUT无内部连接 |
||
| JPG4_[CH] |
设置外部补偿电容 |
短路 |
为通道[CH]增加1 nF补偿电容 |
| 开路 |
移除通道[CH]的1nF补偿电容 |
测试
设置好测试设备后,将CN3的VOUT引脚或CN4的IOUT引脚连接到Agilent 34401A的输入端。根据输入信号类型(电流或电压),确保Agilent 34401A前面板上的电缆连接正确。测试INL、DNL和输出误差需要相当长的时间,因为AD5686R 16位DAC的所有电平都需要由Agilent 34401A设置并测量。
利用CD中提供的软件,可以通过PC设置DAC代码。需要使用自动测试程序来步进式的测试各个代码并分析数据。CD中未提供此程序,但是必须由客户根据在测试设置中所用特定万用表的要求予以实现。
在图5所示的测试配置中,利用National Instruments GPIB转USB-B接口和电缆,Agilent 34401A万用表的GPIB输出与PC上的另一个USB端口相连接。这样就能将每个数据的对应的万用表读数载入到PC的Excel表格中。然后根据业界标准定义分析这些数据,以获得INL、DNL和输出误差。
欲详细了解参数定义以及如何从测量数据计算INL、DNL和输出误差,请参阅AD5686R数据手册的“术语”部分和以下文献:数据转换手册第5章“测试数据转换器”,ADI公司。

