LTC3857-1

量产

低 IQ、双通道、两相、同步降压型控制器

产品技术资料帮助

ADI公司所提供的资料均视为准确、可靠。但本公司不为用户在应用过程中侵犯任何专利权或第三方权利承担任何责任。技术指标的修改不再另行通知。本公司既没有含蓄的允许,也不允许借用ADI公司的专利或专利权的名义。本文出现的商标和注册商标所有权分别属于相应的公司。

Viewing:

概述

  • 低工作 IQ:50μA (一个通道接通)
  • 宽输出电压范围:0.8V ≤ VOUT ≤ 24V
  • 宽 VIN 范围:4V 至 38V
  • RSENSE 或 DCR 电流检测
  • 异相控制器降低了所需的输入电容和电源所引起的噪声 
  • OPTI-LOOP® 补偿较大限度地减小了 COUT
  • 可锁相频率 (75kHz 至 850kHz)
  • 可编程固定频率 (50kHz 至 900kHz)
  • 在轻负载条件下可选择执行连续、脉冲跳跃或低纹波突发模式 (Burst Mode®) 操作
  • 非常低压差操作:99% 占空比
  • 可调输出电压软起动或跟踪
  • 电源良好输出电压监视器
  • 输出过压保护
  • 低停机 IQ:< 8μA
  • 内部 LDO 从 VIN 或 EXTVCC 给栅极驱动供电
  • 在启动期间没有电流折返
  • 窄体 SSOP 封装

LTC®3857-1 是一款高性能、双通道、降压型开关稳压控制器,用于驱动全 N 沟道同步功率 MOSFET 级。一种恒定频率电流模式架构可提供一个高达 850kHz 的可锁相频率。通过使两个控制器输出级异相运作,较大限度地降低了由于输入电容器 ESR 所引起的功率损耗和噪声。

50μA 无负载静态电流延长了电池供电型系统的工作时间。LTC3857-1 具有一个精准的 0.8V 基准和一个电源良好输出指示器。4V 至 38V 的宽输入电源范围囊括了众多的中间总线电压和电池化学组成。

用于每个控制器的独立 TRACK/SS 引脚负责在启动期间使输出电压斜坡上升。电流折返功能用于在短路情况下对 MOSFET 的热耗散加以限制。PLLIN/MODE 引脚负责在轻负载条件下选择执行突发模式操作、脉冲跳跃模式或连续电感器电流模式。

如果需要采用无引线 32 引脚 QFN 封装并具有可调电流限值、时钟输出、相位调制和两个 PGOOD 输出等附加特点的器件,请查阅 LTC3857 的产品手册。

 


应用

  • 汽车 “始终接通” 型系统
  • 电池供电型数字设备
  • 分布式 DC 电源系统

 

LTC3857-1
低 IQ、双通道、两相、同步降压型控制器
High Efficiency Dual 3.3V/8.5V Step-Down Converter Efficiency and Power Loss vs Output Current Product Package 1
添加至 myAnalog

将产品添加到myAnalog 的现有项目或新项目中(接收通知)。

创建新项目
提问

参考资料

了解更多
添加至 myAnalog

Add media to the Resources section of myAnalog, to an existing project or to a new project.

创建新项目

软件资源

找不到您所需的软件或驱动?

申请驱动/软件

硬件生态系统

部分模型 产品周期 描述
保护开关和控制器 2
LTC4364 推荐用于新设计 具理想二极管的浪涌抑制器
LTC2955 推荐用于新设计 具自动接通功能的按钮接通 / 关断控制器
电路监控器 1
LTC2960 推荐用于新设计 36V、纳安级电流、两输入电压监视器
开关稳压器和控制器 1
LTC3880 推荐用于新设计 具有数字电源系统管理功能的双输出 PolyPhase 降压型 DC/DC控制器
Modal heading
添加至 myAnalog

将产品添加到myAnalog 的现有项目或新项目中(接收通知)。

创建新项目

工具及仿真模型

LTspice 1


LTspice中提供以下器件型号:

  • LTC3857
  • LTC3857-1

LTpowerCAD 1


LTpowerCAD中提供以下器件的设计工具:

  • LTC3857
  • LTC3857-1
LTspice

LTspice®是一款强大高效的免费仿真软件、原理图采集和波形观测器,为改善模拟电路的仿真提供增强功能和模型。

LTpowerCAD

LTpowerCAD®是一种电源设计程序,它选择功率级元件,提供详细效率信息,显示快速环路波特图稳定性和负载瞬态分析,并可导出至LTspice进行仿真。


评估套件

eval board
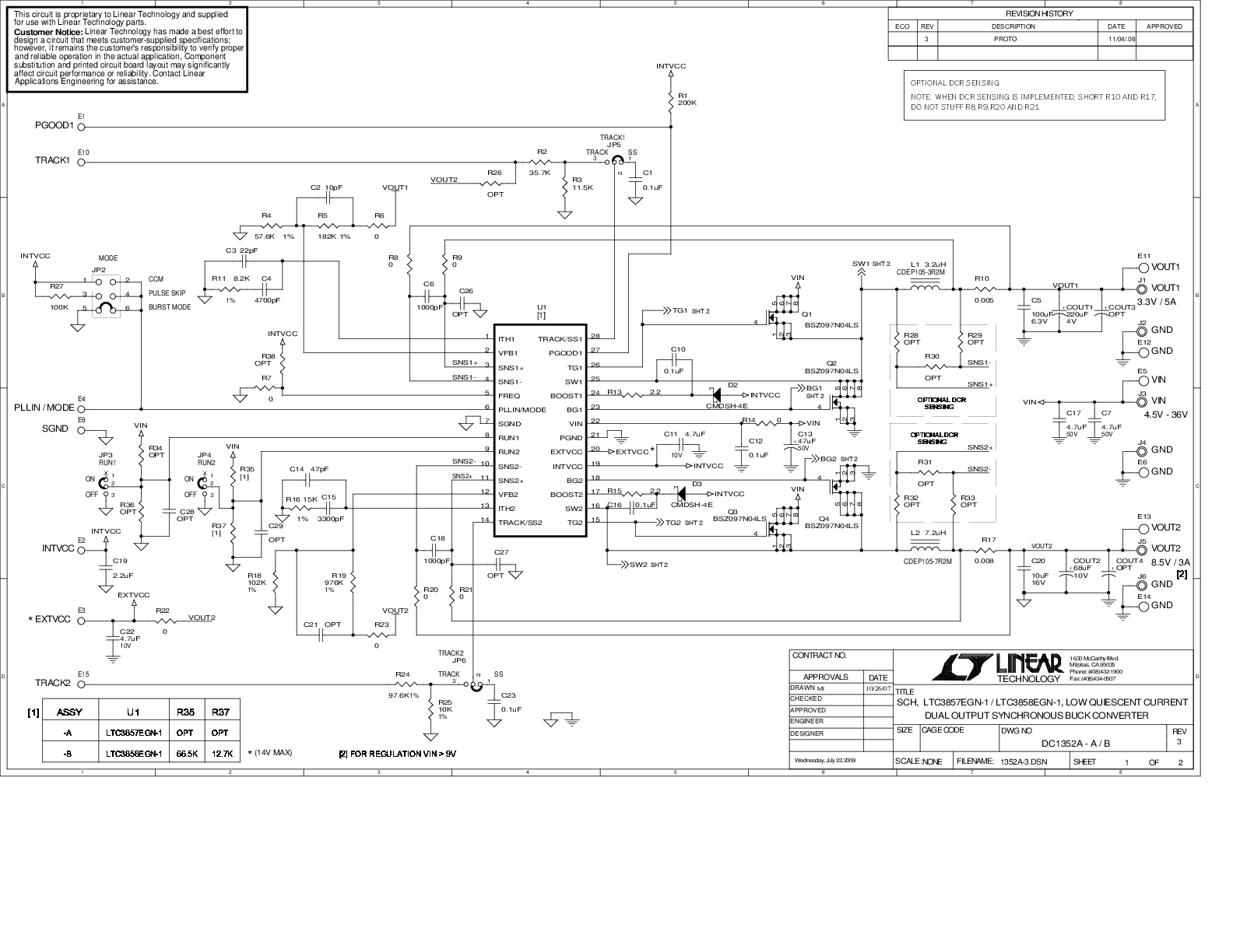
DC1352A-A

LTC3857EGN-1 Demo Board | Dual Output, 2-Phase, Low Iq, 4.5V ≤ VIN ≤ 36V, VOUT1 = 3.3V @ 5A, VOUT2 = 8.5V @ 3A

产品详情

Demonstration circuit 1352A is a low quiescent current, dual output 2-phase, synchronous buck converter demo board featuring the LTC3857EGN-1 or LTC3858EGN-1. It features a 4.5V to 36V input voltage range and provides 3.3V / 5A and 8.5V / 3A outputs. Two versions of the board are available. The DC-1352A-A is for the LTC3857EGN-1, which offers lower quiescent current and smaller burst mode ripple, while the DC1352A-B is for the LTC3858EGN-1 which offers latch-off protection and increased burst mode efficiency.



DC1352A-A
LTC3857EGN-1 Demo Board | Dual Output, 2-Phase, Low Iq, 4.5V ≤ VIN ≤ 36V, VOUT1 = 3.3V @ 5A, VOUT2 = 8.5V @ 3A
DC1352A-A - Schematic

最新评论

需要发起讨论吗? 没有关于 LTC3857-1的相关讨论?是否需要发起讨论?

在EngineerZone®上发起讨论

近期浏览