
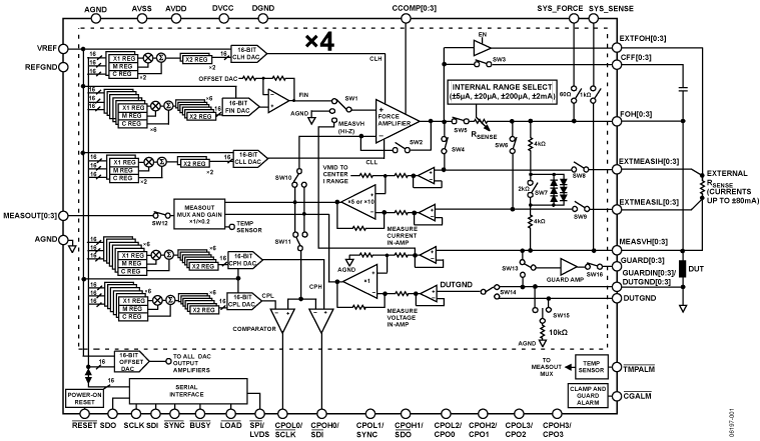
パラメトリック測定ソリューション
電子機器、半導体、電気化学電池、および各種材料の電気特性の特性評価とテストを行うために、研究開発ラボや自動テスト装置で、パラメトリック測定器が採用されています。それらの測定器では、電圧または電流を印加しながら、電圧と電流を同時に正確に測定することができます。
価値と利点
このクラスの機器のスループット条件と精度条件を満たすため、アナログ・デバイセズのポートフォリオでは、高密度システム用のパラメトリック測定ユニット(PMU)、市場最速の高精度D/AおよびA/Dコンバータ、定電圧および定電流リニア・コントローラ、低レベル測定用の高性能アンプ、低ノイズ・スイッチング電源コントローラ、および政府機関認定のデジタル・アイソレータを提供しています。
当社の幅広い製品群により、設計者はあらゆる性能レベルで精度、速度、密度を最適化できます。
精度、速度、密度を最適化
市場最速の高精度D/AおよびA/Dコンバータを採用
スループットと精度の条件に適合
注目製品








A/Dコンバータ、24ビット、4チャンネル、低ノイズ、低電力、Σ-Δ型、PGA / リファレンス内蔵

A/Dコンバータ、24ビット、8チャンネル、低ノイズ、低消費電力、Σ-Δ型、PGA / リファレンス内蔵

シグナル・チェーン

評価用ボード
Key Resources
Rarely Asked Questions
Technical Books
設計ツール
ファイルおよびダウンロード
優れた効率、高いEMI性能をもたらすSilent Switcherレギュレータ
10.59 M
Selected Reference Designs: Test and Measurement Solutions
5.88 M
MT-093: Thermal Design Basics
249 kB
MT-046: Op Amp Settling Time
58 kB
MT-074: 高精度 A/D コンバータ用の差動ドライバ
358 kB
MT-101: Decoupling Techniques
954 kB
MT-015: Basic DAC Architectures II: Binary DACs
100 kB
MT-014: Basic DAC Architectures I: String DACs and Thermometer (Fully Decoded) DACs
65 kB
MT-016: Basic DAC Architectures III: Segmented DACs
79 kB
AN-202: デカップリング、グラウンディング、変更をうまく行うためのICアンプ・ユーザズ・ガイド
597 kB
AN-347: シールディングとガーディング
688 kB
Silent Switcher Technology
1.74 M
高精度製品/シグナル・チェーン・ソリューション:セレクションガイド2019
4.94 M
{{modalTitle}}
{{modalDescription}}
{{dropdownTitle}}
- {{defaultSelectedText}} {{#each projectNames}}
- {{name}} {{/each}} {{#if newProjectText}}
-
{{newProjectText}}
{{/if}}
{{newProjectTitle}}
{{projectNameErrorText}}