MAX2044

LAST TIME BUY

SiGe, High-Linearity, 2300MHz to 4000MHz Upconversion/Downconversion Mixer with LO Buffer

Lowest Noise, Highest Linearity 2.3GHz to 4.0GHz SiGe Mixer for LTE, WiMAX, and MMDS Base Stations, Featuring Superior Input IP3, NF, and 2 x 2 Performance

Viewing:

Overview

  • 2300MHz to 4000MHz RF Frequency Range
  • 2600MHz to 4300MHz LO Frequency Range
  • 50MHz to 500MHz IF Frequency Range
  • 7.7dB Conversion Loss
  • 8.5dB Noise Figure
  • +32.5dBm Typical Input IP3
  • 21dBm Typical Input 1dB Compression Point
  • 68dBc Typical 2RF - 2LO Spurious Rejection at PRF = -10dBm
  • Integrated LO Buffer
  • Integrated RF and LO Baluns for Single-Ended Inputs
  • Low -3dBm to +3dBm LO Drive
  • Pin Similar with the MAX2029/MAX2031 Series of 650MHz to 1000MHz Mixers and the MAX2039/MAX2041/MAX2042 Series of 1700MHz to 3000MHz Mixers
  • Single 5.0V or 3.3V Supply
  • External Current-Setting Resistor Provides Option for Operating Device in Reduced-Power/Reduced-Performance Mode

The MAX2044 single, high-linearity upconversion/downconversion mixer provides +32.5dBm input IP3, 8.5dB noise figure, and 7.7dB conversion loss for 2300MHz to 4000MHz LTE, WiMAX™, and MMDS wireless infrastructure applications. With an ultra-wide LO frequency range of 2600MHz to 4300MHz, the MAX2044 can be used in either low-side or high-side LO injection architectures for virtually all 2.5GHz and 3.5GHz applications.

In addition to offering excellent linearity and noise performance, the MAX2044 also yields a high level of component integration. This device includes a double-balanced passive mixer core, an LO buffer, and on-chip baluns that allow for single-ended RF and LO inputs. The MAX2044 requires a nominal LO drive of 0dBm, and supply current is typically 138mA at VCC = 5.0V or 121mA at VCC = 3.3V.

The MAX2044 is pin similar with the MAX2029/MAX2031 650MHz to 1000MHz mixers and the MAX2039/MAX2041/MAX2042 1700MHz to 3000MHz mixers, making this entire family of up/downconverters ideal for applications where a common PCB layout is used for multiple frequency bands.

The MAX2044 is available in a compact 20-pin thin QFN (5mm x 5mm) package with an exposed pad. Electrical performance is guaranteed over the extended -40°C to +85°C temperature range.

Applications

  • 2.5GHz WiMAX and LTE Base Stations
  • 2.7GHz MMDS Base Stations
  • 3.5GHz WiMAX and LTE Base Stations
  • Fixed Broadband Wireless Access
  • Military Systems
  • Private Mobile Radios
  • Wireless Local Loop

MAX2044
SiGe, High-Linearity, 2300MHz to 4000MHz Upconversion/Downconversion Mixer with LO Buffer
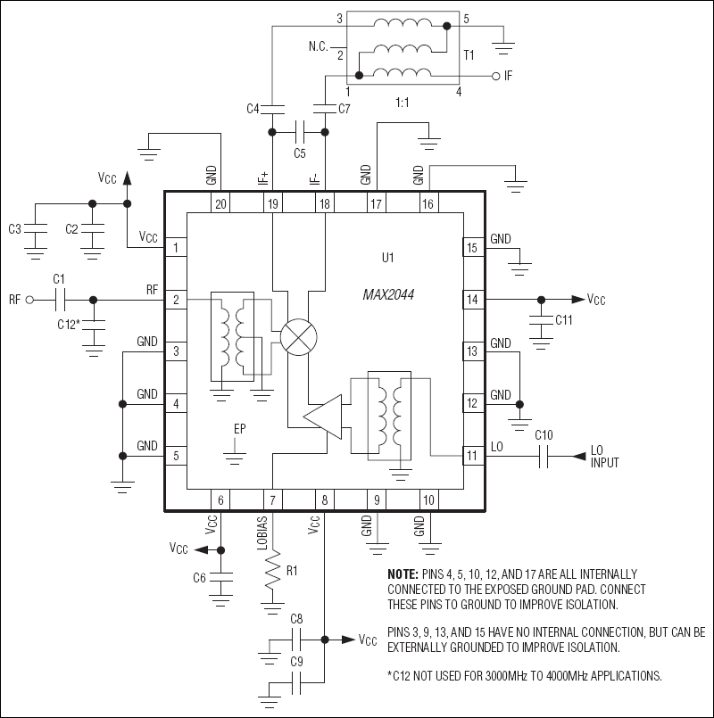
MAX2044: Typical Application Circuit
Add to myAnalog

Add product to the Products section of myAnalog (to receive notifications), to an existing project or to a new project.

Create New Project
Ask a Question

Documentation

Learn More
Add to myAnalog

Add media to the Resources section of myAnalog, to an existing project or to a new project.

Create New Project

Software Resources

Can't find the software or driver you need?

Request a Driver/Software

Hardware Ecosystem

Parts Product Life Cycle Description
RF Mixers 28
MAX9981 PRE-RELEASE 825MHz to 915MHz, Dual SiGe High-Linearity Active Mixer
MAX9982 PRE-RELEASE 825MHz to 915MHz, SiGe High-Linearity Active Mixer
MAX9984 PRODUCTION SiGe High-Linearity, 400MHz to 1000MHz Downconversion Mixer with LO Buffer/Switch
MAX9985 PRODUCTION Dual, SiGe, High-Linearity, 700MHz to 1000MHz Downconversion Mixer with LO Buffer/Switch
MAX19985 Obsolete Dual, SiGe, High-Linearity, High-Gain, 700MHz to 1000MHz Downconversion Mixer with LO Buffer/Switch
MAX19985A LAST TIME BUY Dual, SiGe, High-Linearity, High-Gain, 700MHz to 1000MHz Downconversion Mixer with LO Buffer/Switch
MAX9986 LAST TIME BUY SiGe High-Linearity, 815MHz to 995MHz Downconversion Mixer with LO Buffer/Switch
MAX9986A PRODUCTION SiGe High-Linearity, 815MHz to 1000MHz Downconversion Mixer with LO Buffer/Switch
MAX9993 Obsolete High-Linearity 1700MHz to 2200MHz Down-Conversion Mixer with LO Buffer/Switch
MAX9994 PRODUCTION SiGe High-Linearity, 1400MHz to 2200MHz Downconversion Mixer with LO Buffer/Switch
MAX9995 LAST TIME BUY Dual, SiGe, High-Linearity, 1700MHz to 2700MHz Downconversion Mixer with LO Buffer/Switch
MAX19995 LAST TIME BUY Dual, SiGe, High-Linearity, 1700MHz to 2200MHz Downconversion Mixer with LO Buffer/Switch
MAX19995A PRODUCTION Dual, SiGe, High-Linearity, 1700MHz to 2200MHz Downconversion Mixer with LO Buffer/Switch
MAX19997A PRODUCTION Dual, SiGe High-Linearity, High-Gain, 1800MHz to 2900MHz Downconversion Mixer with LO Buffer/Switch
MAX19999 PRE-RELEASE Dual, SiGe High-Linearity, 3000MHz to 4000MHz Downconversion Mixer with LO Buffer
MAX9996 PRODUCTION SiGe High-Linearity, 1700MHz to 2200MHz Downconversion Mixer with LO Buffer/Switch
MAX19996 PRODUCTION SiGe, High-Linearity, High-Gain, 2000MHz to 3000MHz Downconversion Mixer with LO Buffer
MAX19996A PRE-RELEASE SiGe, High-Linearity, 2000MHz to 3900MHz Downconversion Mixer with LO Buffer
MAX19998 PRE-RELEASE SiGe, High-Linearity, 2300MHz to 4000MHz Downconversion Mixer with LO Buffer
MAX19998A PRE-RELEASE SiGe, High-Linearity, High-Gain, 3200MHz to 3900MHz Downconversion Mixer with LO Buffer/Switch
MAX2029 PRODUCTION High-Linearity, 815MHz to 1000MHz Upconversion/Downconversion Mixer with LO Buffer/Switch
MAX2031 PRODUCTION High-Linearity, 650MHz to 1000MHz Upconversion/Downconversion Mixer with LO Buffer/Switch
MAX2032 PRE-RELEASE High-Linearity, 650MHz to 1000MHz Upconversion/Downconversion Mixer with LO Buffer/Switch
MAX2039 Obsolete High-Linearity, 1700MHz to 2200MHz Upconversion/Downconversion Mixer with LO Buffer/Switch
MAX2041 PRODUCTION High-Linearity, 1700MHz to 3000MHz Upconversion/Downconversion Mixer with LO Buffer/Switch
MAX2042 PRE-RELEASE SiGe High-Linearity, 2000MHz to 3000MHz Upconversion/Downconversion Mixer with LO Buffer
MAX2042A PRODUCTION SiGe, High-Linearity, 1600MHz to 3900MHz Upconversion/Downconversion Mixer with LO Buffer
MAX2043 PRE-RELEASE 1700MHz to 3000MHz High-Linearity, Low LO Leakage Base-Station Rx/Tx Mixer
Modal heading
Add to myAnalog

Add product to the Products section of myAnalog (to receive notifications), to an existing project or to a new project.

Create New Project

Latest Discussions

No discussions on MAX2044 yet. Have something to say?

Start a Discussion on EngineerZone®

Recently Viewed