MAX9995

LAST TIME BUY

Dual, SiGe, High-Linearity, 1700MHz to 2700MHz Downconversion Mixer with LO Buffer/Switch

Lowest Noise, Highest Linearity, Dual, 1700MHz to 2700MHz SiGe Mixer for 2.5G and 3G Base Stations

Viewing:

Overview

  • 1700MHz to 2700MHz RF Frequency Range
  • 1400MHz to 2600MHz LO Frequency Range
  • 40MHz to 350MHz IF Frequency Range
  • 6.1dB Conversion Gain
  • +25.6dBm Input IP3
  • 9.8dB Noise Figure
  • 66dBc 2RF - 2LO Spurious Rejection at PRF = -10dBm
  • Dual Channels Ideal for Diversity Receiver Applications
  • Integrated LO Buffer
  • Integrated RF and LO Baluns for Single-Ended Inputs
  • Low -3dBm to +3dBm LO Drive
  • Built-In SPDT LO Switch with 50dB LO1 - LO2 Isolation and 50ns Switching Time
  • 44dB Channel-to-Channel Isolation

The MAX9995 dual, high-linearity, downconversion mixer provides 6.1dB gain, +25.6dBm IIP3, and 9.8dB NF for WCDMA, TD-SCDMA, LTE, TD-LTE, and GSM/EDGE base-station applications.
This device integrates baluns in the RF and LO ports, a dual-input LO selectable switch, an LO buffer, two double-balanced mixers, and a pair of differential IF output amplifiers. The MAX9995 requires a typical LO drive of 0dBm and supply current is guaranteed to be below 380mA.
These devices are available in a compact 36-pin TQFN package (6mm × 6mm) with an exposed pad. Electrical performance is guaranteed over the extended temperature range, from TC = -40°C to +100°C.

Applications

  • Fixed Broadband Wireless Access
  • GSM/EDGE Base Stations
  • LTE and TD-LTE Base Stations
  • Military Systems
  • PHS/PAS Base Stations
  • Private Mobile Radios (PMRs)
  • WCDMA, TD-SCDMA, and cdma2000® 3G Base Stations
  • Wireless Local Loop (WLL)

MAX9995
Dual, SiGe, High-Linearity, 1700MHz to 2700MHz Downconversion Mixer with LO Buffer/Switch
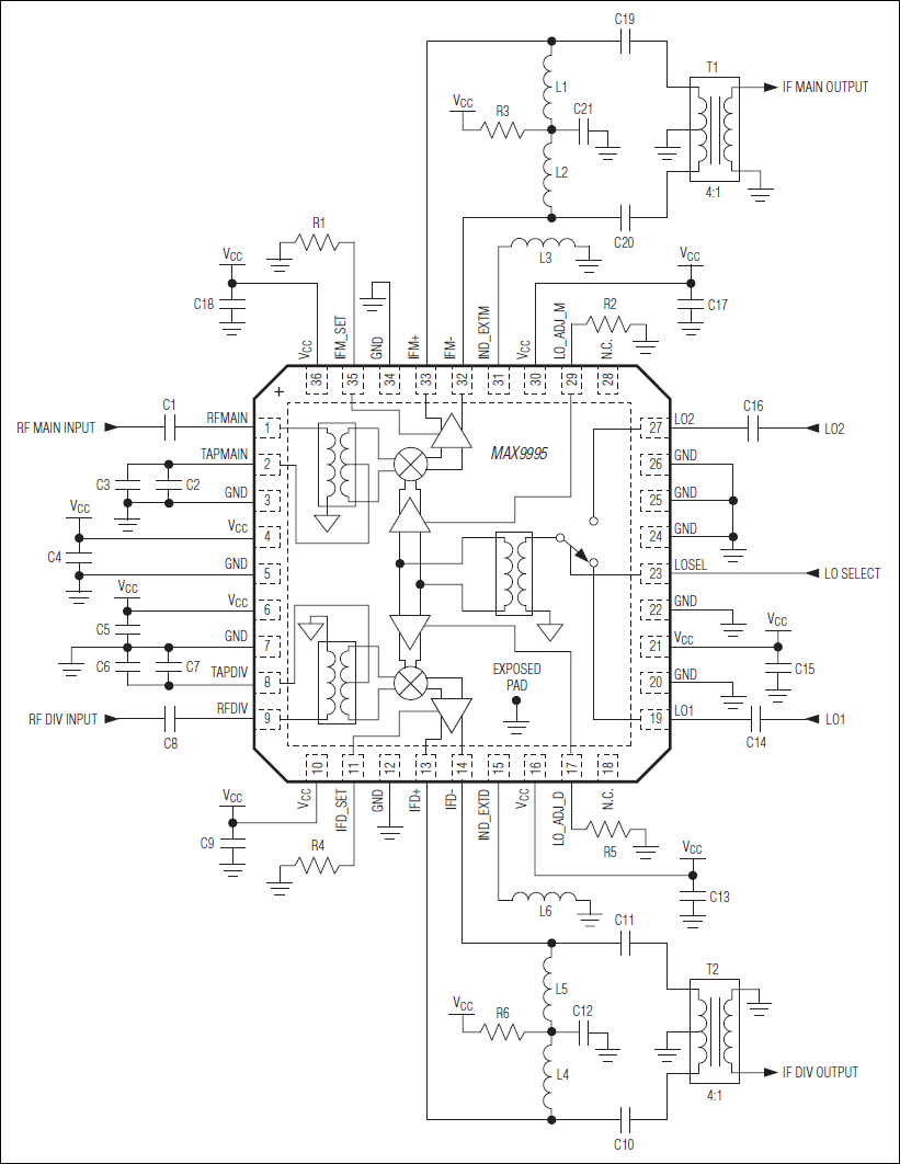
MAX9995: Typical Application Circuit
Add to myAnalog

Add product to the Products section of myAnalog (to receive notifications), to an existing project or to a new project.

Create New Project
Ask a Question

Documentation

Learn More
Add to myAnalog

Add media to the Resources section of myAnalog, to an existing project or to a new project.

Create New Project

Software Resources

Can't find the software or driver you need?

Request a Driver/Software

Hardware Ecosystem

Parts Product Life Cycle Description
Beamformers & Vector Modulators 3
MAX2045 Obsolete High-Gain Vector Multipliers
MAX2046 PRODUCTION High-Gain Vector Multipliers
MAX2047 Obsolete High-Gain Vector Multipliers
Low-Noise Amplifiers (LNAs) & Power Amplifiers 2
MAX2009 PRODUCTION 1200MHz to 2500MHz Adjustable RF Predistorter
MAX2010 PRODUCTION 500MHz to 1100MHz Adjustable RF Predistorter
Oscillators 4
MAX9987 Obsolete +14dBm to +20dBm LO Buffers/Splitters with ±1dB Variation
MAX9988 Obsolete +14dBm to +20dBm LO Buffers/Splitters with ±1dB Variation
MAX9989 PRODUCTION +14dBm to +20dBm LO Buffers with ±1dB Variation
MAX9990 Obsolete +14dBm to +20dBm LO Buffers with ±1dB Variation
RF Mixers 3
MAX9981 Obsolete 825MHz to 915MHz, Dual SiGe High-Linearity Active Mixer
MAX9982 Obsolete 825MHz to 915MHz, SiGe High-Linearity Active Mixer
MAX9993 LAST TIME BUY High-Linearity 1700MHz to 2200MHz Down-Conversion Mixer with LO Buffer/Switch
RF Power Detectors 1
MAX2015 PRODUCTION 0.1GHz to 3GHz, 75dB Logarithmic Detector/Controller
Variable Gain Amplifiers (VGA) 2
MAX2027 PRODUCTION IF Digitally Controlled Variable-Gain Amplifier
MAX2055 PRODUCTION Digitally Controlled, Variable-Gain, Differential ADC Driver/Amplifier
Modal heading
Add to myAnalog

Add product to the Products section of myAnalog (to receive notifications), to an existing project or to a new project.

Create New Project

Latest Discussions

No discussions on MAX9995 yet. Have something to say?

Start a Discussion on EngineerZone®

Recently Viewed