LTC2485
24-Bit ΔΣ ADC with Easy Drive Input Current Cancellation and I2C Interface
Show More
Not the part you were looking for?
Ask a Question
Submit your question below and we will return the best answer from ADI’s knowledge database:
Other places you can find help
Support
Analog Devices Support Portal is a one-stop shop to answer all your ADI questions.
Visit the ADI Support PageFeatures
- Easy Drive™ Technology Enables Rail-to-Rail Inputs with Zero Differential Input Current
- Directly Digitizes High Impedance Sensors with Full Accuracy
- GND to VCC Input/Reference Common Mode Range
- 2-Wire I2C Interface
- Programmable 50Hz, 60Hz or Simultaneous 50Hz/60Hz Rejection Mode
- 2ppm (0.25LSB) INL, No Missing Codes
- 1ppm Offset and 15ppm Full-Scale Error
- Selectable 2x Speed Mode
- No Latency: Digital Filter Settles in a Single Cycle
- Single Supply 2.7V to 5.5V Operation
- Internal Oscillator
- Six Addresses Available and One Global Address for Synchronization
- Available in a Tiny (3mm × 3mm) 10-Lead DFN Package
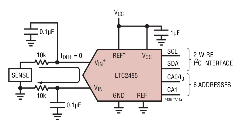
The LTC2485 combines a 24-bit plus sign No Latency ΔΣ™ analog-to-digital converter with patented Easy Drive technology and I2C digital interface. The patented sampling scheme eliminates dynamic input current errors and the shortcomings of on-chip buffering through automatic cancellation of differential input current. This allows large external source impedances and input signals, with rail-to-rail input range to be directly digitized while maintaining exceptional DC accuracy.
The LTC2485 includes an on-chip oscillator. The LTC2485 can be configured through an I2C interface to reject line frequencies. 50Hz, 60Hz or simultaneous 50Hz/60Hz line frequency rejection can be selected as well as a 2x speed-up mode.
The LTC2485 allows a wide common mode input range (0V to VCC) independent of the reference voltage. The reference can be as low as 100mV or can be tied directly to VCC. The LTC2485 includes an on-chip trimmed oscillator eliminating the need for external crystals or oscillators. Absolute accuracy and low drift are automatically maintained through continuous, transparent, offset and full-scale calibration.
Applications
- Direct Sensor Digitizer
- Weight Scales
- Direct Temperature Measurement
- Strain Gauge Transducers
- Instrumentation
- Industrial Process Control
- DVMs and Meters
Ask a Question
Submit your question below and we will return the best answer from ADI’s knowledge database:
Other places you can find help
Support
Analog Devices Support Portal is a one-stop shop to answer all your ADI questions.
Visit the ADI Support Page{{modalTitle}}
{{modalDescription}}
{{dropdownTitle}}
- {{defaultSelectedText}} {{#each projectNames}}
- {{name}} {{/each}} {{#if newProjectText}}
-
{{newProjectText}}
{{/if}}
{{newProjectTitle}}
{{projectNameErrorText}}
LTC2485
Documentation
Filters
1 Applied
Data Sheet
2
Reliability Data
1
31.35 K
Design Note
4
HTML
User Guide
1
324.00K
Technical Articles
2
HTML
HTML
Documentation
Data Sheet 1
Reliability Data 1
User Guide 1
Design Note 2
Technical Articles 1
Device Drivers 1
Product Selector Card 2
ADI has always placed the highest emphasis on delivering products that meet the maximum levels of quality and reliability. We achieve this by incorporating quality and reliability checks in every scope of product and process design, and in the manufacturing process as well. "Zero defects" for shipped products is always our goal. View our quality and reliability program and certifications for more information.
| Part Model | Pin/Package Drawing | Documentation | CAD Symbols, Footprints, and 3D Models |
|---|---|---|---|
| LTC2485CDD#PBF |
10-Lead DFN (3mm x 3mm w/ EP)
|
|
|
| LTC2485CDD#TRPBF |
10-Lead DFN (3mm x 3mm w/ EP)
|
|
|
| LTC2485IDD#PBF |
10-Lead DFN (3mm x 3mm w/ EP)
|
|
|
| LTC2485IDD#TRPBF |
10-Lead DFN (3mm x 3mm w/ EP)
|
|
- LTC2485CDD#PBF
- Pin/Package Drawing
-
10-Lead DFN (3mm x 3mm w/ EP)
- Documentation
-
HTML
Material Declaration
-
HTML
Reliablity Data
- CAD Symbols, Footprints, and 3D Models
-
Ultra Librarian
-
SamacSys
- LTC2485CDD#TRPBF
- Pin/Package Drawing
-
10-Lead DFN (3mm x 3mm w/ EP)
- Documentation
-
HTML
Material Declaration
-
HTML
Reliablity Data
- CAD Symbols, Footprints, and 3D Models
-
Ultra Librarian
-
SamacSys
- LTC2485IDD#PBF
- Pin/Package Drawing
-
10-Lead DFN (3mm x 3mm w/ EP)
- Documentation
-
HTML
Material Declaration
-
HTML
Reliablity Data
- CAD Symbols, Footprints, and 3D Models
-
Ultra Librarian
-
SamacSys
- LTC2485IDD#TRPBF
- Pin/Package Drawing
-
10-Lead DFN (3mm x 3mm w/ EP)
- Documentation
-
HTML
Material Declaration
-
HTML
Reliablity Data
- CAD Symbols, Footprints, and 3D Models
-
Ultra Librarian
-
SamacSys
Filter by Model
Part Models
Product Lifecycle
PCN
Jun 30, 2020
- 20_0244
Notification of Wafer Fab Location Change for 0.6µm CMOS Process Devices from ADI Milpitas (Hillview) to Vanguard Int. (Taiwan)
LTC2485CDD#PBF
PRODUCTION
LTC2485CDD#TRPBF
PRODUCTION
LTC2485IDD#PBF
PRODUCTION
LTC2485IDD#TRPBF
PRODUCTION
Filter by Model
Part Models
Product Lifecycle
PCN
Jun 30, 2020
- 20_0244
Notification of Wafer Fab Location Change for 0.6µm CMOS Process Devices from ADI Milpitas (Hillview) to Vanguard Int. (Taiwan)
LTC2485CDD#PBF
PRODUCTION
LTC2485CDD#TRPBF
PRODUCTION
LTC2485IDD#PBF
PRODUCTION
LTC2485IDD#TRPBF
PRODUCTION
Software & Part Ecosystem
Device Drivers
Looking for Evaluation Software? You can find it here
| Parts | Product Life Cycle | Description | ||
|---|---|---|---|---|
|
Digital Temperature Sensors1 |
||||
|
RECOMMENDED FOR NEW DESIGNS |
Octal I2C Voltage, Current, and Temperature Monitor |
|||
|
Precision Resistor Network1 |
||||
|
RECOMMENDED FOR NEW DESIGNS |
Quad Matched Resistor Network |
|||
|
Serial Bus Buffers, Extenders, and Accelerators1 |
||||
|
PRODUCTION |
Dual I2C/SMBus Address Translator |
|||
|
Series Voltage References1 |
||||
|
PRODUCTION |
0.25ppm Noise, Low Drift Precision References |
|||
|
TimerBlox1 |
||||
|
PRODUCTION |
TimerBlox: Resettable, Low Frequency Oscillator |
|||
Can't find the software or driver you need?
Request a Driver/SoftwareEvaluation Kits 1
DC956A
LTC2485 24-Bit Delta-Sigma ADC Demo Board (Requires DC590)
Product Detail
DC956A: Demo Board for the LTC2485 24-Bit Delta Sigma ADC with Easy Drive Input Current Cancellation and I2C Interface.
Resources