LTC4267

量产

具集成型开关稳压器的以太网供电 IEEE 802.3af PD 接口

产品技术资料帮助

ADI公司所提供的资料均视为准确、可靠。但本公司不为用户在应用过程中侵犯任何专利权或第三方权利承担任何责任。技术指标的修改不再另行通知。本公司既没有含蓄的允许,也不允许借用ADI公司的专利或专利权的名义。本文出现的商标和注册商标所有权分别属于相应的公司。

Viewing:

概述

  • 用于 IEEE 802®.3af 受电设备 (PD) 的完整电源接口端口
  • 内置 100V、400mA UVLO 开关
  • 精准的双级浪涌电流限值
  • 集成型电流模式开关稳压器
  • 具停用功能的内置 25kΩ 特征电阻器
  • 可编程分级电流 (Class 0 至 4)
  • 热过载保护
  • 电源良好信号
  • 集成型误差放大器和电压基准
  • 扁平 16 引脚 SSOP 封装和 3mm x 5mm DFN封装

LTC®4267 整合了一个符合 IEEE 802.3af 标准的受电设备 (PD) 接口和一个电流模式开关稳压器,从而提供了一款面向 PD 应用的完整电源解决方案。LTC4267 集成了 25kΩ 特征电阻器、分级电流源、热过载保护、签名停用和电源良好信号、以及专为与 IEEE 标准所要求的二极管电桥配合使用而优化的欠压闭锁电路。精准的双级输入电流限值允许 LTC4267 为大的负载电容器充电并与老式的 PoE 系统相接。

电流模式开关稳压器设计用于驱动一个 6V 额定电压的 N 沟道 MOSFET,并具有可编程斜坡补偿、软起动和恒定频率运作功能,即使在轻负载条件下亦可较大限度地降低噪声。LTC4267 包括一个内置误差放大器和电压基准,因而可在隔离式及非隔离式配置中使用。

LTC4267 采用节省空间的扁平 16 引脚 SSOP 封装或 DFN 封装。


应用

  • IP 电话的电源管理
  • 无线接入点
  • 安保摄像机
  • 以太网供电

LTC4267
具集成型开关稳压器的以太网供电 IEEE 802.3af PD 接口
Class 2 PD with 3.3V Isolated Power Supply Product Package 1 Product Package 2
添加至 myAnalog

将产品添加到myAnalog 的现有项目或新项目中(接收通知)。

创建新项目
提问

参考资料

了解更多
添加至 myAnalog

Add media to the Resources section of myAnalog, to an existing project or to a new project.

创建新项目

软件资源

找不到您所需的软件或驱动?

申请驱动/软件

硬件生态系统

部分模型 产品周期 描述
电路监控器 1
LT2940 量产 功率和电流监视器
以太网供电(PoE)接口控制器 1
LT4275 量产 LTPoE++ / PoE+ / PoE PD 控制器
Modal heading
添加至 myAnalog

将产品添加到myAnalog 的现有项目或新项目中(接收通知)。

创建新项目

工具及仿真模型

LTspice


LTspice中提供以下器件型号:

  • LTC4267
  • LTC4267-1
  • LTC4267-3
LTspice

LTspice®是一款强大高效的免费仿真软件、原理图采集和波形观测器,为改善模拟电路的仿真提供增强功能和模型。


评估套件

eval board
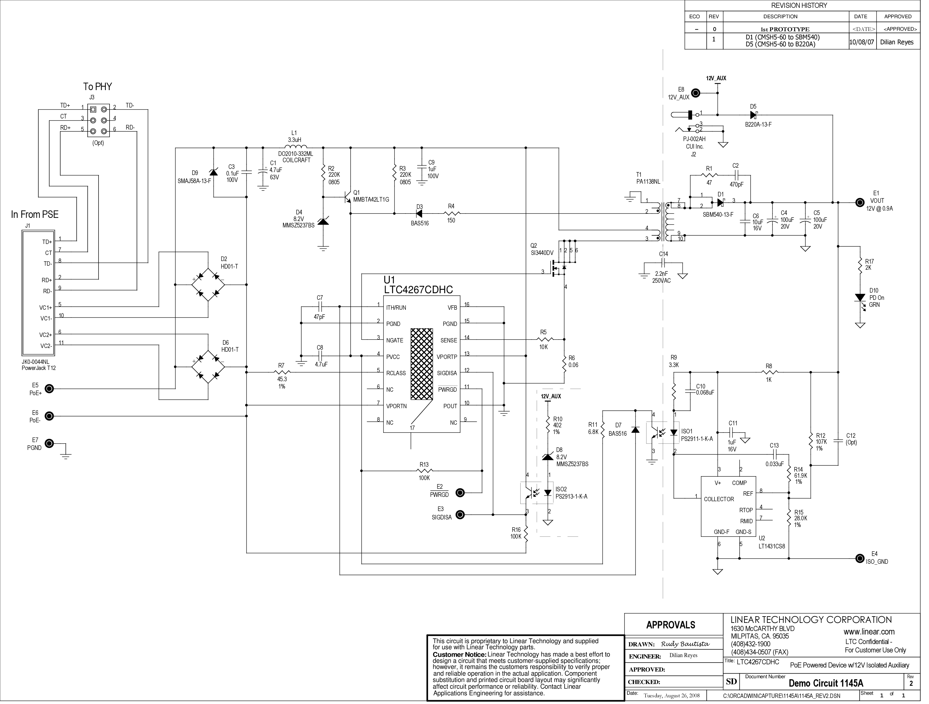
DC1145B

LTC4267CDHC | PoE Powered Device with 12V Isolated Auxiliary, VOUT = 12V @ 0.9A

产品详情

Demonstration circuit 1145B, featuring the LTC4267, provides a complete IEEE 802.3af Powered Device (PD) interface and isolated 12V at 0.9A power supply solution for use in Power over Ethernet (PoE) applications. An optional connection is included for a 12V auxiliary supply on the secondary side that disables PoE when present.

eval board
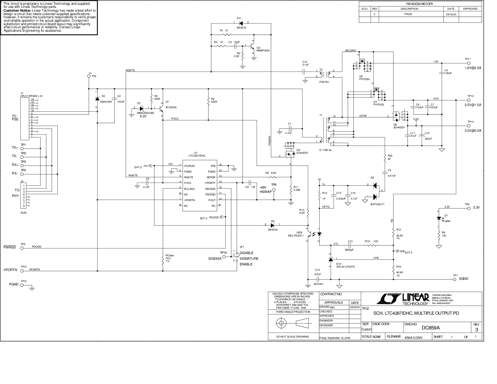
DC859A

LTC4267IDHC用于以太网供电的三路输出PD

产品详情

DC859A:LTC4267集成开关稳压器的以太网供电IEEE 802.3af PD接口演示板。

eval board
DC917A

LTC4267| 以太网供电3.3V (2.6A)隔离式器件

产品详情

DC917A:LTC4267集成开关稳压器的以太网供电IEEE 802.3af PD接口演示板。

eval board
DC804B-A

LTC4267CDHC | RJ-45 Ethernet Output, VOUT = 3.3V @ 1.0A

产品详情

Demonstration circuit 804 is a Power over Ethernet PD Interface with Integrated Switching Regulator featuring the LTC4267. It provides a complete IEEE 802.3af power device (PD) interface and isolated 3.3V power supply solution for use in Power over Ethernet (PoE) applications.

DC1145B
LTC4267CDHC | PoE Powered Device with 12V Isolated Auxiliary, VOUT = 12V @ 0.9A
DC1145B Demo Board DC1145B Demo Board DC1145B Demo Board DC1145B Demo Board DC1145B Demo Board DC1145B - Schematic
DC859A
LTC4267IDHC用于以太网供电的三路输出PD
DC859A - Schematic
DC917A
LTC4267| 以太网供电3.3V (2.6A)隔离式器件
DC917A - Schematic
DC804B-A
LTC4267CDHC | RJ-45 Ethernet Output, VOUT = 3.3V @ 1.0A
DC804B

最新评论

需要发起讨论吗? 没有关于 LTC4267的相关讨论?是否需要发起讨论?

在EngineerZone®上发起讨论

近期浏览