概览
产品详情
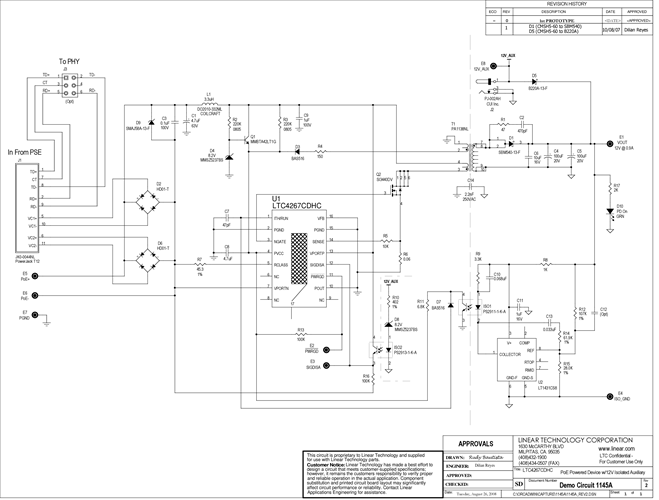
Demonstration circuit 1145B, featuring the LTC4267, provides a complete IEEE 802.3af Powered Device (PD) interface and isolated 12V at 0.9A power supply solution for use in Power over Ethernet (PoE) applications. An optional connection is included for a 12V auxiliary supply on the secondary side that disables PoE when present.
相关产品
文档
-
DC1145 - Schematic2009/9/24PDF103K
-
DC1145B - Demo Manual2011/7/26PDF243K
-
DC1145B - Design Files2011/8/16ZIP2M





