文档
-
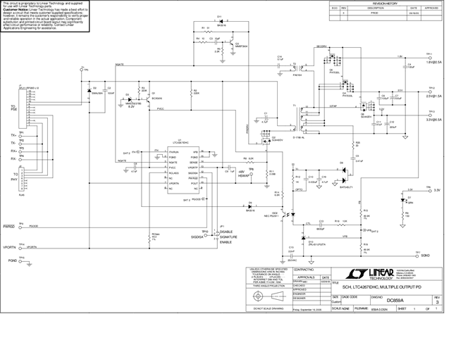
DC859A - Schematic2009/9/24PDF46K
-
DC859A - Demo Manual2009/9/24PDF348K
-
DC859A - Design File2009/9/24ZIP964K
