LTC3822-1
量产No RSENSE™、低输入电压、同步降压型 DC/DC 控制器
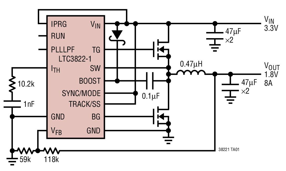
- 产品模型
- 4
概述
- 双路 N 沟道 MOSFET 同步驱动
- 无需电流检测电阻器
- 专为 3.3VIN 和锂离子电池应用而优化
- 恒定频率电流模式操作以实现卓越的电压和负载瞬态响应
- 低压差操作:99% 占空比
- 可锁相或可调频率:250kHz 至 750kHz
- 内部软起动电路
- 跟踪及可调软起动输入
- 可选的最大峰值电流检测门限
- 在轻负载条件下可选择执行突发模式 (Burst Mode®) / 强制连续 / 脉冲跳跃模式操作
- 数字 RUN 控制引脚
- 输出过压保护
- 微功率停机模式:IQ = 7.5μA
- 纤巧的耐热性能增强型 12 引脚 (3mm x 3mm) DFN 封装或 16 引脚窄体 SSOP 封装
LTC®3822-1 是一款同步降压型开关稳压控制器,可采用极少的外部组件来驱动外部 N 沟道功率 MOSFET。恒定频率电流模式架构与 MOSFET VDS 检测功能免除了增设检测电阻器的需要,并提高了效率。
突发模式操作可在轻负载条件下实现高效率。99% 的最大占空比可提供低压差操作,从而延长了电池供电型系统中的工作时间。
开关频率可以设置为高达 750MHz,因而允许使用小的表面贴装型电感器和电容器。对于那些对噪声敏感的应用,
LTC3822-1 可同步至一个频率范围为 250kHz 至 750kHz 的外部时钟。 LTC3822-1 采用占板面积小巧的耐热性能增强型 12 引脚 DFN 封装或 16 引脚窄体 SSOP 封装。
应用
- 单节锂离子电池供电型系统
- 3.3VIN 系统
参考资料
数据手册 1
可靠性数据 1
用户手册 1
ADI 始终高度重视提供符合最高质量和可靠性水平的产品。我们通过将质量和可靠性检查纳入产品和工艺设计的各个范围以及制造过程来实现这一目标。出货产品的“零缺陷”始终是我们的目标。查看我们的质量和可靠性计划和认证以了解更多信息。
| 产品型号 | 引脚/封装图-中文版 | 文档 | CAD 符号,脚注和 3D模型 |
|---|---|---|---|
| LTC3822EDD-1#PBF | 12-Lead DFN (3mm x 3mm w/ EP) | ||
| LTC3822EDD-1#TRPBF | 12-Lead DFN (3mm x 3mm w/ EP) | ||
| LTC3822EGN-1#PBF | 16-Lead SSOP (Narrow 0.15 Inch) | ||
| LTC3822EGN-1#TRPBF | 16-Lead SSOP (Narrow 0.15 Inch) |
| 产品型号 | 产品生命周期 | PCN |
|---|---|---|
|
10月 3, 2024 - 24_0235 (QSOP/SSOP PKG) Migrating Bottom Trace Code Marking to Top Side Laser Marking |
||
| LTC3822EGN-1#PBF | 量产 | |
| LTC3822EGN-1#TRPBF | 量产 | |
|
10月 11, 2022 - 22_0235 Epoxy Change from Henkel 8290 to 8290A for GN Package |
||
| LTC3822EGN-1#PBF | 量产 | |
| LTC3822EGN-1#TRPBF | 量产 | |
|
4月 6, 2022 - 22_0066 Laser Top Mark for 16QSOP Assembled in ADPG [PNG] |
||
| LTC3822EGN-1#PBF | 量产 | |
| LTC3822EGN-1#TRPBF | 量产 | |
这是最新版本的数据手册
软件资源
找不到您所需的软件或驱动?
申请驱动/软件硬件生态系统
工具及仿真模型
LTspice 2
- LTC3822-1 - Step-Down (Buck) Regulators
- LTC3822-1 Demo Circuit - No Rsense, Low Input Voltage, Synchronous Step-down Converter (3.3V to 1.8V @ 10A)
LTspice中提供以下器件型号:
- LTC3822
- LTC3822-1
LTspice®是一款强大高效的免费仿真软件、原理图采集和波形观测器,为改善模拟电路的仿真提供增强功能和模型。
评估套件
最新评论
需要发起讨论吗? 没有关于 LTC3822-1的相关讨论?是否需要发起讨论?
在EngineerZone®上发起讨论