概览
产品详情
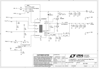
DC1105A: Demo Board for the LTC3822-1 No RSENSE, Low Input Voltage, Synchronous Step-Down DC/DC Controller
文档
-
DC1105A - Schematic2009/9/24PDF32K
-
DC1105A - Demo Manual2009/9/24PDF229K
-
DC1105A - Design File2009/9/24ZIP621K
