LTC3805-5
量产可调频率电流模式反激 / 升压 / SEPIC 型 DC/DC 控制器
- 产品模型
- 12
概述
- VIN 和 VOUT 仅受限于外部元件
- 4.5V 欠压闭锁门限
- 可调斜率补偿
- 具自动再起动功能的可调过流保护
- 工作频率可利用一个外部电阻器来调节 (70kHz 至 700kHz)
- 可同步至一个外部时钟
- ±1.5% 基准准确度
- 仅 100mV 电流检测电压降
- 具精准门限和可调迟滞的 RUN 引脚
- 可利用一个外部电容器来设置软起动
- 低静态电流:360μA
- 小型 10 引脚 MSOP 和 3mm x 3mm DFN 封装
LTC®3805-5 是一款电流模式 DC/DC 控制器,专为在反激、升压和 SEPIC 型转换器应用中驱动一个 N 沟道 MOSFET 而设计。工作频率和斜率补偿可利用外部电阻器来设置。可编程过流检测负责保护转换器免遭过载和短路情况下的损坏。软起动功能可采用一个外部电容器来设置,而且,软起动电容器还用于设置一种自动再起动功能。
LTC3805-5 提供了 ±1.5% 的输出电压准确度,且静态电流在正常操作期间仅消耗 360μA,而在微功率起动期间则消耗 40μA。利用一个 9.5V 内部并联稳压器,LTC3805-5 可通过一个电阻器从一个高 VIN来供电,也可以直接从一个低阻抗 DC 电压 (4.7V 至 8.8V) 来供电。
LTC3805-5 采用 10 引脚 MSOP 封装和 3mm x 3mm DFN 封装。
应用
- 汽车电源
- 电信电源
- 绝缘电子设备
- 辅助 / 内务处理电源
- 以太网供电
参考资料
数据手册 1
用户手册 2
设计笔记 2
技术文章 1
ADI 始终高度重视提供符合最高质量和可靠性水平的产品。我们通过将质量和可靠性检查纳入产品和工艺设计的各个范围以及制造过程来实现这一目标。出货产品的“零缺陷”始终是我们的目标。查看我们的质量和可靠性计划和认证以了解更多信息。
| 产品型号 | 引脚/封装图-中文版 | 文档 | CAD 符号,脚注和 3D模型 |
|---|---|---|---|
| LTC3805EDD-5#PBF | 10-Lead DFN (3mm x 3mm w/ EP) | ||
| LTC3805EDD-5#TRPBF | 10-Lead DFN (3mm x 3mm w/ EP) | ||
| LTC3805EMSE-5#PBF | 10-Lead MSOP w/ EP | ||
| LTC3805EMSE-5#TRPBF | 10-Lead MSOP w/ EP | ||
| LTC3805HMSE-5#PBF | 10-Lead MSOP w/ EP | ||
| LTC3805HMSE-5#TRPBF | 10-Lead MSOP w/ EP | ||
| LTC3805IDD-5#PBF | 10-Lead DFN (3mm x 3mm w/ EP) | ||
| LTC3805IDD-5#TRPBF | 10-Lead DFN (3mm x 3mm w/ EP) | ||
| LTC3805IMSE-5#PBF | 10-Lead MSOP w/ EP | ||
| LTC3805IMSE-5#TRPBF | 10-Lead MSOP w/ EP | ||
| LTC3805MPMSE-5#PBF | 10-Lead MSOP w/ EP | ||
| LTC3805MPMSE-5#TRPBF | 10-Lead MSOP w/ EP |
| 产品型号 | 产品生命周期 | PCN |
|---|---|---|
|
2月 4, 2020 - 20_0130 Laser Top Mark Conversion for 10-Lead MSOP Packages Assembled in ADPG and UTAC |
||
| LTC3805EMSE-5#PBF | 量产 | |
| LTC3805EMSE-5#TRPBF | 量产 | |
| LTC3805HMSE-5#PBF | 量产 | |
| LTC3805HMSE-5#TRPBF | 量产 | |
| LTC3805IMSE-5#PBF | 量产 | |
| LTC3805IMSE-5#TRPBF | 量产 | |
| LTC3805MPMSE-5#PBF | 量产 | |
| LTC3805MPMSE-5#TRPBF | 量产 | |
|
10月 11, 2022 - 22_0244 Epoxy Change from Henkel 8290 to 8290A for MSOP Package |
||
| LTC3805IMSE-5#PBF | 量产 | |
| LTC3805IMSE-5#TRPBF | 量产 | |
| LTC3805MPMSE-5#PBF | 量产 | |
| LTC3805MPMSE-5#TRPBF | 量产 | |
|
7月 12, 2022 - 22_0157 UTAC Thai Limited (UTL) as Alternate Assembly Site for MSOP Packages [With Modification in BOM] |
||
| LTC3805IMSE-5#PBF | 量产 | |
| LTC3805IMSE-5#TRPBF | 量产 | |
|
6月 21, 2022 - 22_0050 UTAC Thai Limited (UTL) as Alternate Assembly Site for MSOP Packages / Devices |
||
| LTC3805IMSE-5#PBF | 量产 | |
| LTC3805IMSE-5#TRPBF | 量产 | |
这是最新版本的数据手册
软件资源
找不到您所需的软件或驱动?
申请驱动/软件硬件生态系统
工具及仿真模型
LTspice 2
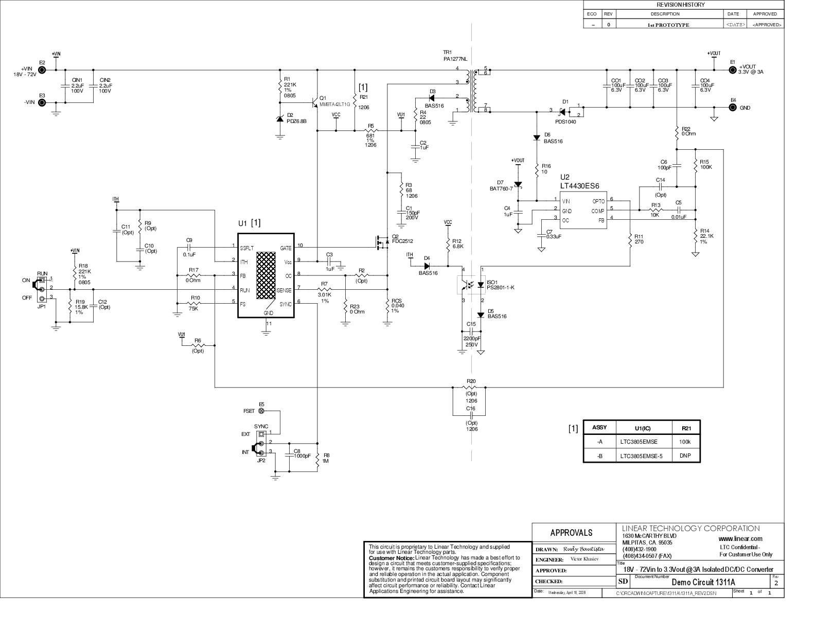
- LTC3805-5 Demo Circuit - Adjustable Frequency Current Mode Flyback Controller (18-36V to -100V @ 50mA)
- LTC3805-5 & LT1797 Demo Circuit - Positive-to-Negative Cuk Converter (8-16V to -12V @ 3A)
LTspice中提供以下器件型号:
- LTC3805
- LTC3805-5
LTspice®是一款强大高效的免费仿真软件、原理图采集和波形观测器,为改善模拟电路的仿真提供增强功能和模型。
评估套件
最新评论
需要发起讨论吗? 没有关于 LTC3805-5的相关讨论?是否需要发起讨论?
在EngineerZone®上发起讨论