LTC3720

量产

单相 VRM8.5 电流模式降压型控制器

产品技术资料帮助

ADI公司所提供的资料均视为准确、可靠。但本公司不为用户在应用过程中侵犯任何专利权或第三方权利承担任何责任。技术指标的修改不再另行通知。本公司既没有含蓄的允许,也不允许借用ADI公司的专利或专利权的名义。本文出现的商标和注册商标所有权分别属于相应的公司。

Viewing:

概述

  • 5 位可编程输出电压:1.05V 至 1.825V (VRM8.5)
  • 无需检测电阻器
  • 2% 至 87% 的占空比 (在 200kHz)
  • tON(MIN) ≤ 100ns
  • 支持有源电压定位
  • 真正的电流模式控制
  • 可在采用陶瓷输出电容器 COUT 时保持稳定
  • 双路 N 沟道 MOSFET 同步驱动
  • 电源良好输出电压监视器
  • 宽 VIN 范围:4V 至 36V
  • ±1% 0.8V 基准
  • 可调的电流限制
  • 可调的开关频率
  • 强制连续控制引脚
  • 可编程软启动
  • 输出过压保护
  • 任选的短路停机定时器
  • 微功率停机模式:IQ < 30μA
  • 采用 28 引脚窄体 SSOP 封装

LTC®3720 是一款用于 CPU 电源的同步降压型开关稳压控制器。利用一个 5 位代码 (Intel VRM8.5 VID 规格) 来选择一个介于 1.05V 和 1.825V 之间的输出电压。该控制器采用一种谷值电流控制架构以提供非常低的占空比,而无需使用一个检测电阻器。工作频率利用一个外部电阻器来选择,并针对 VIN 及 VOUT 中的变化进行补偿。

不连续模式操作在轻负载条件下实现了高效率运作。一个强制连续控制引脚降低了噪声及 RF 干扰,并能通过在主输出处于轻负载状态时停用不连续模式操作来对副端绕组调节给予帮助。

故障保护由内部折返电流限制、一个输出过压比较器和任选的短路停机定时器提供。针对电源排序的软启动能力通过采用一个外部定时电容器来实现。另外,稳压器电流限制水平也可由用户设置。宽电源范围允许器件在 4V 至 36V 的输入电压范围内运作。


Applications

  • 用于奔腾处理器 (Pentium® Processors) 的电源
  • 笔记本电脑和服务器

LTC3720
单相 VRM8.5 电流模式降压型控制器
Figure 1. High Efficiency Step-Down Converter Efficiency vs Output Current Product Package 1
添加至 myAnalog

将产品添加到myAnalog 的现有项目或新项目中(接收通知)。

创建新项目
提问

参考资料

了解更多
添加至 myAnalog

Add media to the Resources section of myAnalog, to an existing project or to a new project.

创建新项目

软件资源

找不到您所需的软件或驱动?

申请驱动/软件

硬件生态系统

部分模型 产品周期 描述
保护开关和控制器 1
LT4363 推荐用于新设计 具电流限制功能的高电压浪涌抑制器
电路监控器 1
LTC2960 推荐用于新设计 36V、纳安级电流、两输入电压监视器
电源系统管理(PSM)和时序控制器 1
LTC2974 推荐用于新设计 具有精确输出电流的4通道PMBus电源系统管理器
开关稳压器和控制器 1
LTC3880 推荐用于新设计 具有数字电源系统管理功能的双输出 PolyPhase 降压型 DC/DC控制器
Modal heading
添加至 myAnalog

将产品添加到myAnalog 的现有项目或新项目中(接收通知)。

创建新项目

工具及仿真模型

LTspice


LTspice中提供以下器件型号:

  • LTC3720
LTspice

LTspice®是一款强大高效的免费仿真软件、原理图采集和波形观测器,为改善模拟电路的仿真提供增强功能和模型。


评估套件

eval board
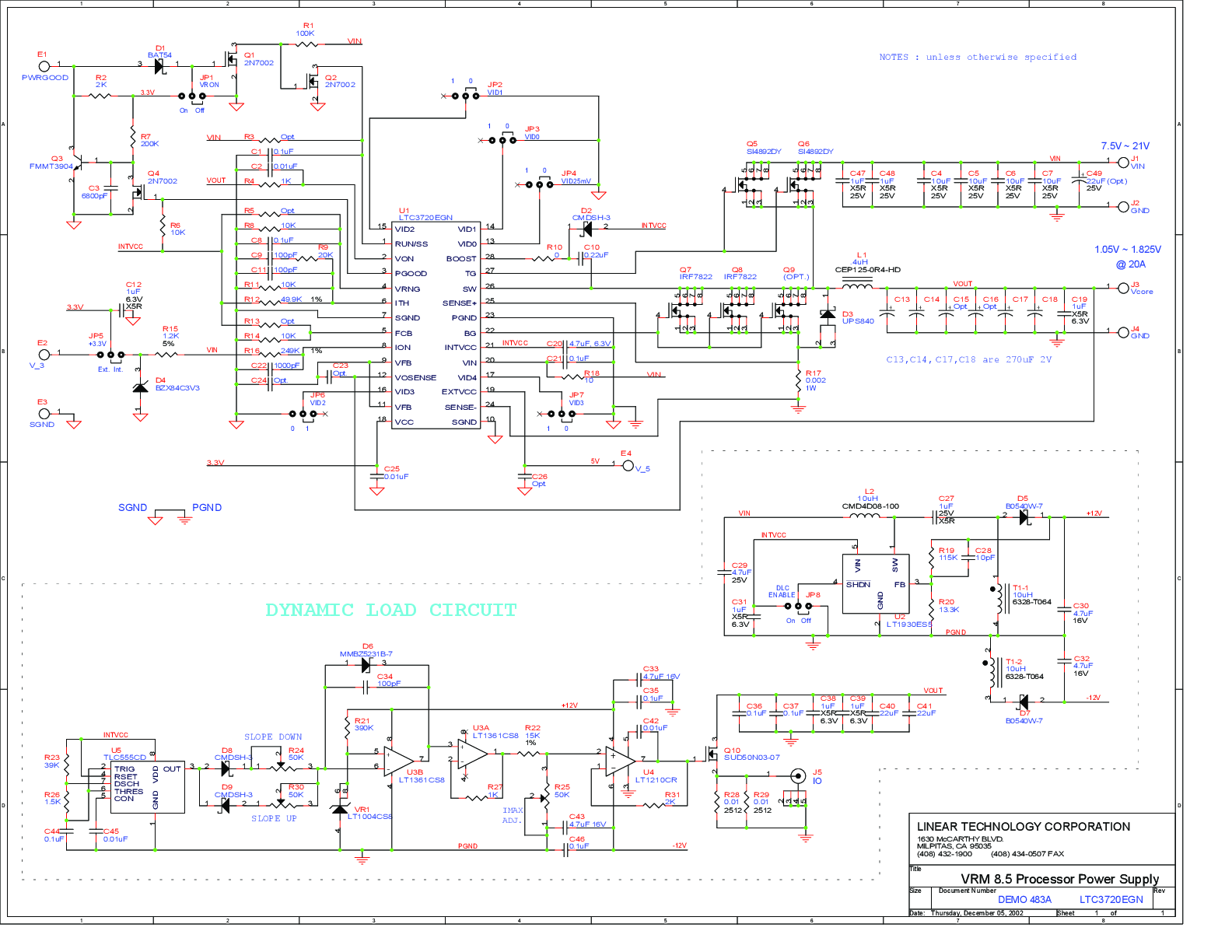
DC483A

LTC3720EGN | VRM 8.5处理器电源,7.5V至 21VIN, 1.05V 至 1.825VOUT (20A)

产品详情

DC483A:LTC3720单相VRM8.5电流模式降压控制器演示板。

DC483A
LTC3720EGN | VRM 8.5处理器电源,7.5V至 21VIN, 1.05V 至 1.825VOUT (20A)
DC483A - Schematic

最新评论

需要发起讨论吗? 没有关于 LTC3720的相关讨论?是否需要发起讨论?

在EngineerZone®上发起讨论

近期浏览