文档
-
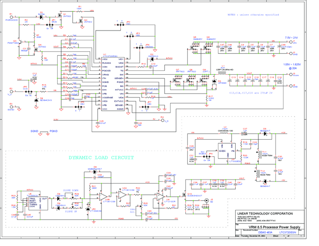
DC483A - Schematic2009/9/24PDF106K
-
DC483A - Demo Manual2009/9/24PDF732K
-
DC483A - Design File2009/9/24ZIP2M
