LTC3713

量产

低输入电压、高功率、No RSENSE 同步降压型 DC/DC 控制器

产品技术资料帮助

ADI公司所提供的资料均视为准确、可靠。但本公司不为用户在应用过程中侵犯任何专利权或第三方权利承担任何责任。技术指标的修改不再另行通知。本公司既没有含蓄的允许,也不允许借用ADI公司的专利或专利权的名义。本文出现的商标和注册商标所有权分别属于相应的公司。

Viewing:

概述

  • 非常低的 VIN(MIN):1. 5V
  • 真正的电流模式控制
  • 用于 N 沟道 MOSFET 的 5V 驱动免除了 5V 辅助电源
  • 无需检测电阻器
  • 采用标准的 5V 逻辑电平 N 沟道 MOSFET
  • 可调的电流限制
  • 可调的频率
  • 开关 tON(MIN) < 100ns
  • 2% 至 90% 的占空比 (在 200kHz)
  • 0.8V ±1% 基准
  • 电源良好输出电压监视器
  • 可编程软启动
  • 输出过压保护
  • 任选的短路停机定时器
  • 小外形 24 引脚 SSOP 封装

LTC®3713 是一款高电流、高效率同步降压型开关稳压控制器,专为与非常低的输入电源电压一起使用而优化。该器件采用低至 1.5V 的输入,并提供一个 0.8V 至高达 (0.9)VIN 的稳定输出电压。该控制器采用一种谷值电流控制架构以实现高工作频率,而无需使用一个检测电阻器。工作频率利用一个外部电阻器来选择,并针对 VIN 及 VOUT 中的变化进行补偿。LTC3713 采用一对标准的 5V 逻辑电平 N 沟道外部 MOSFET,从而免除了增设昂贵的 P 沟道或低门限器件的需要。

不连续模式操作在轻负载条件下实现了高效率运行。一个强制连续控制引脚降低了噪声及 RF 干扰,并能通过在主输出处于轻负载状态时停用不连续模式操作来对副端绕组调节给予帮助。故障保护由内部折返电流限制、一个输出过压比较器和任选的短路停机定时器提供。


Applications

  • 电信卡 3.3V、2.5V、1.8V 降压
  • 总线终端 (DDR 存储器、SSTL)
  • 同步降压和通用升压
  • 低 VIN 同步升压

LTC3713
低输入电压、高功率、No RSENSE 同步降压型 DC/DC 控制器
Figure 1. High Efficiency Step-Down Converter from 1.8V to 3.3V Input Efficiency vs Load Current Product Package 1
添加至 myAnalog

将产品添加到myAnalog 的现有项目或新项目中(接收通知)。

创建新项目
提问

参考资料

了解更多
添加至 myAnalog

Add media to the Resources section of myAnalog, to an existing project or to a new project.

创建新项目

软件资源

找不到您所需的软件或驱动?

申请驱动/软件

硬件生态系统

部分模型 产品周期 描述
保护开关和控制器 1
LT4363 推荐用于新设计 具电流限制功能的高电压浪涌抑制器
电路监控器 1
LTC2960 推荐用于新设计 36V、纳安级电流、两输入电压监视器
电源系统管理(PSM)和时序控制器 1
LTC2974 推荐用于新设计 具有精确输出电流的4通道PMBus电源系统管理器
开关稳压器和控制器 1
LTC3880 推荐用于新设计 具有数字电源系统管理功能的双输出 PolyPhase 降压型 DC/DC控制器
Modal heading
添加至 myAnalog

将产品添加到myAnalog 的现有项目或新项目中(接收通知)。

创建新项目

工具及仿真模型

LTspice


LTspice中提供以下器件型号:

  • LTC3713
LTspice

LTspice®是一款强大高效的免费仿真软件、原理图采集和波形观测器,为改善模拟电路的仿真提供增强功能和模型。


评估套件

eval board
DC412A

LTC3713EG |低输入电压、高功率、No RSENSE同步降压转换器,1.7V至6V输入,1.25VOUT (10A)

产品详情

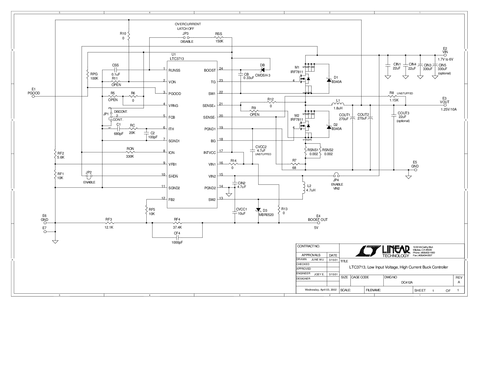
DC412A:LTC3713低输入电压、高功率、No RSENSE同步降压型DC/DC控制器演示板


 


DC412A
LTC3713EG |低输入电压、高功率、No RSENSE同步降压转换器,1.7V至6V输入,1.25VOUT (10A)
DC412A - Schematic

最新评论

需要发起讨论吗? 没有关于 LTC3713的相关讨论?是否需要发起讨论?

在EngineerZone®上发起讨论

近期浏览