文档
-
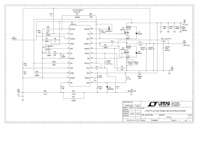
DC412A - Schematic2009/9/24PDF23K
-
DC412A - Demo Manual2009/9/24PDF462K
-
DC412A - Design File2009/9/24ZIP956K
