LTC3675

量产

7 通道、可配置高功率 PMIC

产品技术资料帮助

ADI公司所提供的资料均视为准确、可靠。但本公司不为用户在应用过程中侵犯任何专利权或第三方权利承担任何责任。技术指标的修改不再另行通知。本公司既没有含蓄的允许,也不允许借用ADI公司的专利或专利权的名义。本文出现的商标和注册商标所有权分别属于相应的公司。

Viewing:

概述

  • 4 个单片式、同步降压型 DC/DC (1A / 1A / 500mA / 500mA)
  • 可以把降压型 DC/DC 并联起来,以与单个电感器一道提供高达 2x 电流
  • 独立的 1A 升压和 1A 降压-升压型 DC/DC
  • 两串 I2C 控制型 40V LED 驱动器
  • 可通过 I2C 来设置所有 DC/DC 输出电压、操作模式和开关节点转换速率
  • DC/DC、LED 驱动器、故障状态的 I2C 回读
  • I2C 从地址选项: LTC3675 = 0001001X, LTC3675-1 = 0110100X
  • 可屏蔽的中断以用于报告 DC/DC、VIN 和芯片温度故障
  • 按钮 ON / OFF / 复位
  • 始终保持接通的 25mA LDO
  • 低静态电流:16μA (所有的 DC/DC 均关断)
  • 4mm x 7mm x 0.75mm 44 引脚 QFN 封装

LTC®3675 / LTC3675-1 是一款数字可编程、高效率、多输出电源和两串 LED 驱动器 IC,专为高功率单节锂离子 / 锂聚合物电池应用而优化。DC/DC 包括 4 个同步降压型转换器 (1A / 1A / 500mA / 500mA)、1 个同步升压型 DC/DC (1A) 和 1 个降压-升压型 DC/DC (1A),均由一个 2.7V 至 5.5V 输入来供电。40V LED 驱动器能够调节流过两串 LED (每串各含多达 10 个 LED) 的高达 25mA 的电流。LED 驱动器也可被配置成一个通用的高电压升压型转换器。

DC/DC 使能、输出电压、开关转换速率和操作模式均可通过 I2C 单独设置,或利用简单的 I/O 和上电默认在单一模式中使用。降压型 DC/DC 可以单独使用,也可并联起来使用,以与一个共用电感器一起提供较高的输出电流。LED 使能、60dB 亮度控制和灰度增减采用 I2C 来设置。低 VIN 和高芯片温度的警报级别也可以通过 I2C 进行设置,并利用一个可屏蔽的中断输出来监视 DC/DC 和系统故障。

按钮 ON / OFF / 复位控制和一个上电复位输出提供了灵活性及可靠的上电排序。LTC3675 / LTC3675-1 采用扁平 (高度仅 0.75mm)、耐热性能增强型 44 引脚 4mm x 7mm QFN 封装。



Applications

  • 高功率 (5W 至 10W) 单节锂离子 / 锂聚合物电池应用
  • 便携式工业应用、手持式终端、便携式仪器
  • 多输出低电压电源

LTC3675
7 通道、可配置高功率 PMIC
Product Package 1
添加至 myAnalog

将产品添加到myAnalog 的现有项目或新项目中(接收通知)。

创建新项目
提问

参考资料

了解更多
添加至 myAnalog

Add media to the Resources section of myAnalog, to an existing project or to a new project.

创建新项目

软件资源

找不到您所需的软件或驱动?

申请驱动/软件

硬件生态系统

部分模型 产品周期 描述
保护开关和控制器 1
LTC4417 推荐用于新设计 确定了优先级的 PowerPath 控制器
电平转换器和缓冲区 1
LTC4311 量产 低电压 I2C/SMBus 加速器
电源系统管理(PSM)和时序控制器 1
LTC2974 推荐用于新设计 具有精确输出电流的4通道PMBus电源系统管理器
模数转换器(ADC) 1
LTC2991 推荐用于新设计 8 通道 I2C 电压、电流和温度监视器
Modal heading
添加至 myAnalog

将产品添加到myAnalog 的现有项目或新项目中(接收通知)。

创建新项目

评估套件

eval board
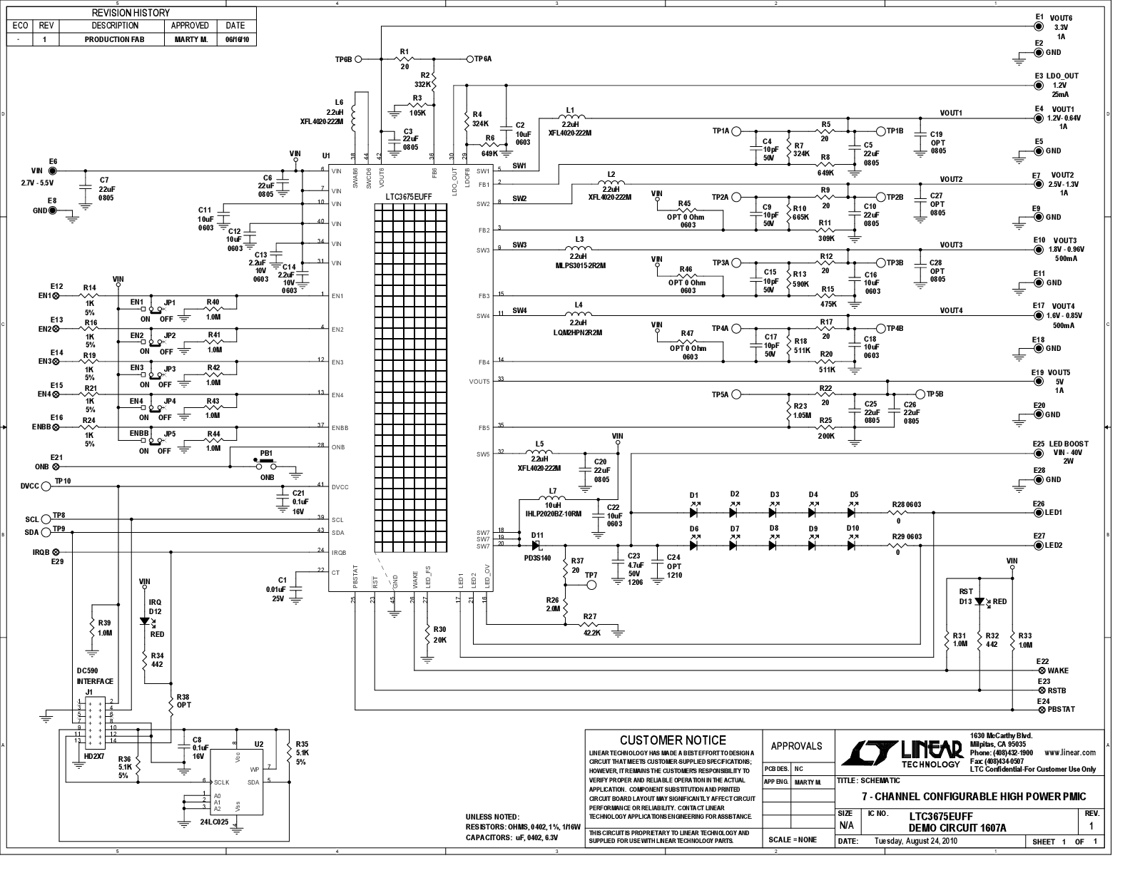
DC1607A

LTC3675EUFF演示板 | 7输出PMIC,2.7V ≤ ≤ VIN ≤ 5.5V,输出可编程

产品详情

演示电路1607是一款多输出电源,带按钮控制器和双串LED驱动器,内置LTC3675。LTC3675采用2.7V至5.5V输入电压,具有四个同步降压稳压器(1A × 2、0.5A × 2)、一个降压-升压稳压器(1A)、一个升压稳压器(1A电源开关),以及一个始终导通LDO稳压器。可将这些降压稳压器组合在一起,通过单个电感构成更高功率的降压稳压器。


LED升压驱动器可以驱动两串多达10个LED(每串电流高达25mA)、两串5个LED(每串电流高达50mA),或配置为固定高压升压稳压器。

DC1607A
LTC3675EUFF演示板 | 7输出PMIC,2.7V ≤ ≤ VIN ≤ 5.5V,输出可编程
DC1607A - Schematic

最新评论

需要发起讨论吗? 没有关于 LTC3675的相关讨论?是否需要发起讨论?

在EngineerZone®上发起讨论

近期浏览