LTC3542

量产

500mA、2.25MHz 同步降压型 DC/DC 转换器

产品技术资料帮助

ADI公司所提供的资料均视为准确、可靠。但本公司不为用户在应用过程中侵犯任何专利权或第三方权利承担任何责任。技术指标的修改不再另行通知。本公司既没有含蓄的允许,也不允许借用ADI公司的专利或专利权的名义。本文出现的商标和注册商标所有权分别属于相应的公司。

Viewing:

概述

  • 高效率:达 96%
  • 高峰值开关电流:1000mA
  • 低输出纹波 (典型值 <20mVP-P) 突发模式 (Burst Mode®) 操作:仅 26μA
  • 非常低的静态电流:仅 26μA
  • 2.5V 至 5.5V 输入电压范围
  • 2.25MHz 恒定频率操作
  • 1MHz 至 3MHz 外部频率同步
  • 低压差操作:100% 占空比
  • 无需肖特基二极管
  • 内部软起动电路限制了浪涌电流
  • 0.6V 基准可提供低输出电压
  • 停机模式吸收 <1μA 的电源电流
  • ±2% 输出电压准确度
  • 旨在获得卓越的电压和负载瞬态响应的电流模式操作
  • 过热保护
  • 采用 6 引脚 2mm x 2mm DFN 和小外形 TSOT 封装

LTC®3542 是一款采用恒定频率、电流模式架构的高效率、单片式同步降压型转换器。操作期间的电源电流仅为 26μA,并在停机模式中减小至 <1μA。2.5V 至 5.5V 的输入电压范围使得 LTC3542 成为单节锂离子电池供电型应用的理想选择。100% 占空比实现了低压差操作,从而延长了便携式系统中的电池使用寿命。输出电压的可调范围为 0.6V 至 VIN。对内部电源开关进行了优化,旨在实现高效率,并免除增设一个外部肖特基二极管的需要。

开关频率在内部设定为 2.25MHz,因而允许使用小的表面贴装型电感器和电容器,而且,它还能够利用 MODE/SYNC 引脚同步至一个具 1MHz 至 3MHz 频率范围的外部时钟信号。LTC3542 专为与陶瓷输出电容器很好地配合工作而设计,从而实现了非常低的输出电压纹波和很小的 PCB 占板面积。

可通过配置使 LTC3542 执行节能的突发模式 (Burst Mode®) 操作。如欲降低噪声和 RF 干扰,可通过 MODE/SYNC 引脚进行配置,以执行脉冲跳跃操作。

Applications

  • 蜂窝电话
  • 无线和 DSL 调制解调器
  • 数码相机
  • MP3 播放器
  • PDA 和其他手持式设备

LTC3542
500mA、2.25MHz 同步降压型 DC/DC 转换器
Effi ciency and Power Loss vs Output Current Product Package 1 Product Package 2
添加至 myAnalog

将产品添加到myAnalog 的现有项目或新项目中(接收通知)。

创建新项目
提问

参考资料

了解更多
添加至 myAnalog

Add media to the Resources section of myAnalog, to an existing project or to a new project.

创建新项目

软件资源

找不到您所需的软件或驱动?

申请驱动/软件

硬件生态系统

部分模型 产品周期 描述
保护开关和控制器 1
LTC2955 推荐用于新设计 具自动接通功能的按钮接通 / 关断控制器
电路监控器 1
LTC2960 推荐用于新设计 36V、纳安级电流、两输入电压监视器
电源系统管理(PSM)和时序控制器 1
LTC2974 推荐用于新设计 具有精确输出电流的4通道PMBus电源系统管理器
振荡器 1
LTC6908 具扩频调制功能、采用电阻器设定频率的 SOT-23 封装振荡器
Modal heading
添加至 myAnalog

将产品添加到myAnalog 的现有项目或新项目中(接收通知)。

创建新项目

工具及仿真模型

LTspice 1


LTspice中提供以下器件型号:

  • LTC3542
  • LTC3542-1
LTspice

LTspice®是一款强大高效的免费仿真软件、原理图采集和波形观测器,为改善模拟电路的仿真提供增强功能和模型。


评估套件

eval board
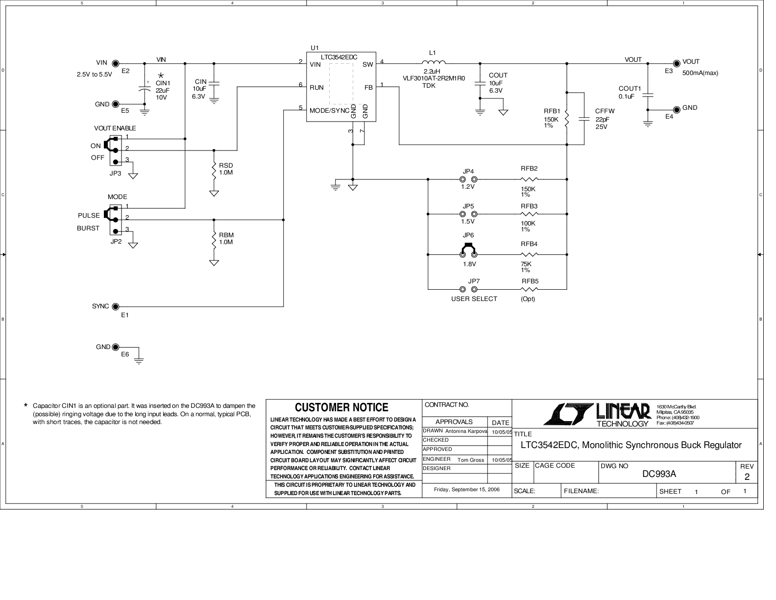
DC993A

LTC3542EDC演示板 | 2.5 ≤ VIN ≤ 5.5V,VOUT = 1.2V/1.5V/1.8V(500mA)

产品详情

演示电路993A是一款降压转换器,采用LTC3542单芯片同步降压稳压器。DC993A具有2.5V至5.5V的输入电压范围,能够在小型2x2 mm DFN封装内提供高达500 mA的输出电流。DC993A的输出电压可以设置为低至0.6V(LTC3542的基准电压)。

DC993A
LTC3542EDC演示板 | 2.5 ≤ VIN ≤ 5.5V,VOUT = 1.2V/1.5V/1.8V(500mA)
DC993A - Schematic

最新评论

需要发起讨论吗? 没有关于 LTC3542的相关讨论?是否需要发起讨论?

在EngineerZone®上发起讨论

近期浏览