概览
产品详情
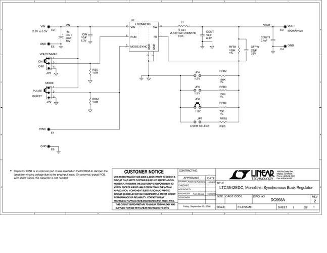
演示电路993A是一款降压转换器,采用LTC3542单芯片同步降压稳压器。DC993A具有2.5V至5.5V的输入电压范围,能够在小型2x2 mm DFN封装内提供高达500 mA的输出电流。DC993A的输出电压可以设置为低至0.6V(LTC3542的基准电压)。
相关产品
文档
-
DC993A - Schematic2009/9/24PDF26K
-
DC993A - Demo Manual2009/9/24PDF472K
-
DC993A - Design File2009/9/24ZIP515K
