LTC3109
推荐用于新设计自动极性、超低电压、升压型转换器和电源管理器
- 产品模型
- 8
概述
- 可在低至 ±30mV 的输入电压条件下运作
- 收集能量所需的 TEG 两端温度差小于 ±1ºC
- 专有的自动极性架构
- 完整的能量收集电源管理系统
    - 可选的 VOUT:2.35V、3.3V、4.1V 或 5V
- 2.2V、5mA LDO
- 逻辑控制的输出
- 具能量存储能力以在供电中断期间提供操作所需的电源
 
- 电源良好指示器
- 采用紧凑的升压型变换器
- 小外形、20 引脚 (4mm x 4mm) QFN 封装或 20 引脚 SSOP 封装
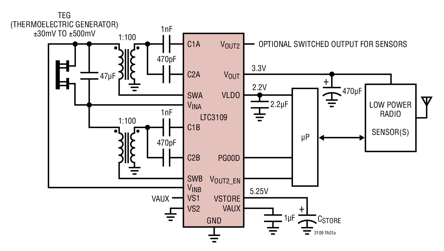
LTC®3109 是一款高度集成的 DC/DC 转换器,非常适合于收集来自诸如 TEG (热电发生器) 和热电堆等极低输入电压电源的剩余功率。其独特、专有的自动极性拓扑结构使该器件可在输入电压低至 30mV 的情况下正常运作,这与极性无关。 
 
 LTC3109 采用两个紧凑的升压型变换器和外部能量存储元件,可提供一款面向无线检测和数据采集应用的完整电源管理解决方案。2.2V LDO 能给一个外部微处理器供电,而主输出则可被设置为 4 种固定电压之一。当主输出电压处于调节状态时,电源良好指示器将发出指示信号。第二个输出可以由主机来使能。也可以对一个存储电容器 (或电池) 进行充电,以在没有可用的输入电压电源时提供所需的电源。极低的静态电流和高效率最大限度地增加了可供应用所使用的收集能量。 
 
 LTC3109 采用小外形的耐热性能增强型 20 引脚 (4mm x 4mm) QFN 封装和 20 引脚 SSOP 封装。
Applications
- 远端传感器和无线电设备电源
- HVAC 系统
- 自动测量
- 楼宇自动化
- 预料性维修
- 工业无线检测
参考资料
数据手册 1
可靠性数据 1
用户手册 1
技术文章 5
视频 1
产品选型卡 2
新闻 1
解决方案设计及宣传手册 1
思想领导力 1
ADI 始终高度重视提供符合最高质量和可靠性水平的产品。我们通过将质量和可靠性检查纳入产品和工艺设计的各个范围以及制造过程来实现这一目标。出货产品的“零缺陷”始终是我们的目标。查看我们的质量和可靠性计划和认证以了解更多信息。
| 产品型号 | 引脚/封装图-中文版 | 文档 | CAD 符号,脚注和 3D模型 | 
|---|---|---|---|
| LTC3109EGN#PBF | 20-Lead SSOP (Narrow 0.15 Inch) | ||
| LTC3109EGN#TRPBF | 20-Lead SSOP (Narrow 0.15 Inch) | ||
| LTC3109EUF#PBF | 20-Lead QFN (4mm x 4mm x 0.75mm w/ EP) | ||
| LTC3109EUF#TRPBF | 20-Lead QFN (4mm x 4mm x 0.75mm w/ EP) | ||
| LTC3109IGN#PBF | 20-Lead SSOP (Narrow 0.15 Inch) | ||
| LTC3109IGN#TRPBF | 20-Lead SSOP (Narrow 0.15 Inch) | ||
| LTC3109IUF#PBF | 20-Lead QFN (4mm x 4mm x 0.75mm w/ EP) | ||
| LTC3109IUF#TRPBF | 20-Lead QFN (4mm x 4mm x 0.75mm w/ EP) | 
| 产品型号 | 产品生命周期 | PCN | 
|---|---|---|
| 8月 10, 2022 - 22_0177 Laser Top Mark Conversion for QSOP20_24_28 Assembled in ADPG [PNG] and UTL | ||
| LTC3109EGN#PBF | 量产 | |
| LTC3109EGN#TRPBF | 量产 | |
| LTC3109IGN#PBF | 量产 | |
| LTC3109IGN#TRPBF | 量产 | |
| 1月 20, 2022 - 21_0269 Addition of Alternate Assembly Site ASE Taiwan for Select LFCSP Products | ||
| LTC3109EUF#PBF | 量产 | |
| LTC3109EUF#TRPBF | 量产 | |
| LTC3109IUF#PBF | 量产 | |
| LTC3109IUF#TRPBF | 量产 | |
这是最新版本的数据手册
软件资源
找不到您所需的软件或驱动?
申请驱动/软件硬件生态系统
工具及仿真模型
LTspice
LTspice中提供以下器件型号:
- LTC3109
LTspice®是一款强大高效的免费仿真软件、原理图采集和波形观测器,为改善模拟电路的仿真提供增强功能和模型。
评估套件
最新评论
需要发起讨论吗? 没有关于 LTC3109的相关讨论?是否需要发起讨论?
在EngineerZone®上发起讨论 
                             
                                                                     
                                 
                                                 
                                                 
                                                 
                                                