概览
产品详情
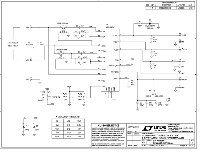
DC1664A: Demo Board for the LTC3109 Auto-Polarity, Ultralow Voltage Step-Up Converter and Power Manager.
相关产品
文档
- 
                                                                
                                                                    
                                                                                                                                            DC1664 - Schematic2012/3/6PDF79K
- 
                                                                
                                                                    
                                                                                                                                            DC1664A - Demo Manual2010/8/25PDF396K
- 
                                                                
                                                                    
                                                                                                                                            DC1664A - Design Files2011/7/27ZIP848K
 
                             
                         
                         
                                                 
                                                 
                                                 
                                                 
                                                 
                                                




